Запчасти Case IH DC133 (60.620.AE[01]) - HEADER, DRIVE ASSY, ROLL (60) - PRODUCT FEEDING

Схема запчастей Case IH DC133 - (60.620.AE[01]) - HEADER, DRIVE ASSY, ROLL (60) - PRODUCT FEEDING
31.201.ag 04
41
6
22
42
40
28
39
2
43
42
24
38
9
25
16
4
19
5
42
44
3
13
31
20
6
33
43
15
26
37
11
1
18
10
7
12
30
32
43
23
14
17
21
38
34
36
8
27
37
35
45
41
29
60.620.ae 02
60.620.ae 03
FIT
1:1
100%

Артикул

Название

Примечание

Количество

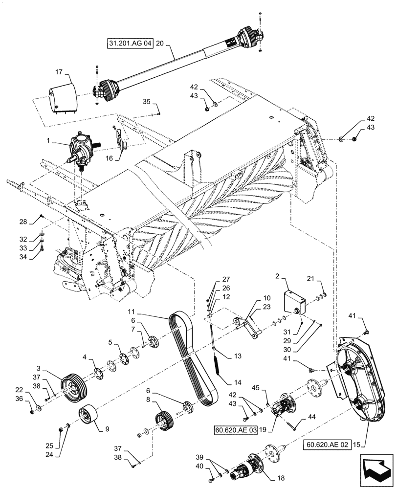
1

84306426

GEARBOX

Header, LH

1шт.

2

47617199

SUPPORT

1шт.

3

86540524

PULLEY

1шт.

4

47461868

WASHER

Shim

1шт.

5

47461871

WASHER

Shim

3шт.

6

86540073

HUB

Assy

2шт.

7

86626994

KEY

Square

2шт.

8

47457581

PULLEY

Sheave

1шт.

9

771623

IDLER

Assy

1шт.

10

84564181

ARM

1шт.

11

84306537

BELT

Roll Drive

1шт.

12

84218038

PIVOT

1шт.

13

84565579

EYEBOLT

1шт.

14

12

SPRING

Extension Assy

1шт.

15

84391470

GEARBOX

Condition Assy

1шт.

16

47602437

SUPPORT

1шт.

17

47364437

SHIELD

Trumpet

1шт.

18

84551694

PTO

Roll Drive

1шт.

19

86511008

DRIVE SHAFT

Assy

1шт.

20

NSS

NOT SOLD SEPARAT

PTO, Header Cross Drive

1шт.

21

26402

WASHER,25.8mm ID x 38.1mm OD x 1.7mm Thk

6шт.

22

86516694

WASHER

2шт.

23

87398

COTTER PIN,3/16" OD x 1-1/4" OAL

1шт.

24

87021862

WASHER,19.8mm ID x 38.1mm OD x 4.76mm Thk

1шт.

25

9626598

NUT,3/4"-10, GB

1шт.

26

80702

WASHER,0.44" ID x 1" OD x 0.08" Thk

1шт.

27

9628503

NUT,3/8"-16, G5

2шт.

28

280428

CARRIAGE BOLT,Short Nk, 5/16" - 18 x 1", Gr 5

4шт.

29

322358

BELLEVILLE WASHER,M8 Bolt Size x 18mm OD x 1.4mm Thk

8шт.

30

86521605

FLANGE NUT,5/16"-18, Cl 5

4шт.

31

87569

LUBE NIPPLE,45 Degree, 1/4" NPT x 4/5" L, Drive

1шт.

32

86624156

WASHER,0.66" ID x 1.5" OD x 0.19" Thk

4шт.

33

140048

BELLEVILLE WASHER,M16 Bolt Size x 32mm OD x 2.8mm Thk

4шт.

34

88062

BOLT,Hex, 5/8" - 11 x 1 1/2", Gr 8

4шт.

35

120103

BOLT,M8 x 1.25 x 16mm, Cl 8.8

4шт.

36

280954

NUT,3/4"-10, G5

2шт.

37

140045

BELLEVILLE WASHER,M10 Bolt Size x 22mm OD x 1.6mm Thk

12шт.

38

86523775

BOLT,Hex, 3/8" - 16 x 1 1/2", Gr 5

12шт.

39

65319

WASHER,13.1mm ID x 25.4mm OD x 3.68mm Thk

16шт.

40

87909

BOLT,Hex, 1/2" - 13 x 1", Gr 5

8шт.

41

87868

CARRIAGE BOLT,Sq Nk, 1/2" - 13 x 1 1/4", Gr 5, Full Thd

4шт.

42

86585939

BELLEVILLE WASHER,M12 Bolt Size x 32mm OD x 3.5mm Thk

4шт.

43

86521607

FLANGE NUT,Flg, 1/2"-13, G5

4шт.

44

87936

BOLT,Hex, 3/8" - 16 x 2 1/2", Gr 5

2шт.

45

88902

NUT,3/8"-16

2шт.

Выбрано товаров: 45