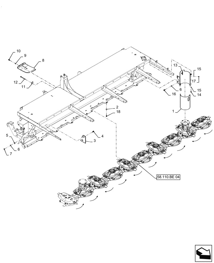
Запчасти Case IH DC163 (58.110.BE[13]) - CUTTERBAR, 10-DISC, QUICK CHANGE KNIVES (58) - ATTACHMENTS/HEADERS

Схема запчастей Case IH DC163 - (58.110.BE[13]) - CUTTERBAR, 10-DISC, QUICK CHANGE KNIVES (58) - ATTACHMENTS/HEADERS
58.110.be 04
5
3
14
15
7
6
17
1
10
11
12
4
16
6
15
8
9
18
2
13
FIT
1:1
100%

Артикул

Название

Примечание

Количество

1

47721293

SHIELD

1шт.

2

47706537

SPACER

10шт.

3

47583652

STRIPPER

2шт.

4

280833

CARRIAGE BOLT,Short NK, 1/2"-13 x 1 1/2", G8

4шт.

5

86541779

WASHER,0.53" ID x 1.31" OD x 0.24" Thk

4шт.

6

86513238

LOCK WASHER,.515” ID x 1.070” OD x .120” TK

6шт.

7

9803187

NUT,1/2"-13, G8

4шт.

8

47699074

SKID/SHOE

10шт.

9

58102

WASHER

20шт.

10

87670

BOLT,1/2" - 13 x 1-1/4", Full Thd, Gr 5

20шт.

11

84488494

PLATE

20шт.

12

88576

BOLT,Hex, 1/2" - 13 x 5 1/2", Gr 5

20шт.

13

47664656

GUARD

1шт.

14

86521553

BOLT,Hex, 5/16" - 18 x 1", Gr 5

1шт.

15

322358

BELLEVILLE WASHER,M8 Bolt Size x 18mm OD x 1.4mm Thk

5шт.

16

86533474

FLANGE BOLT,Hex, 1/2" - 13 x 1", Gr 5

2шт.

17

86521552

BOLT,Hex, 5/16" - 18 x 3/4", Gr 5

4шт.

18

86521616

BOLT,Hex, 1/2" - 13 x 1 3/4", Gr 5

10шт.

Выбрано товаров: 18