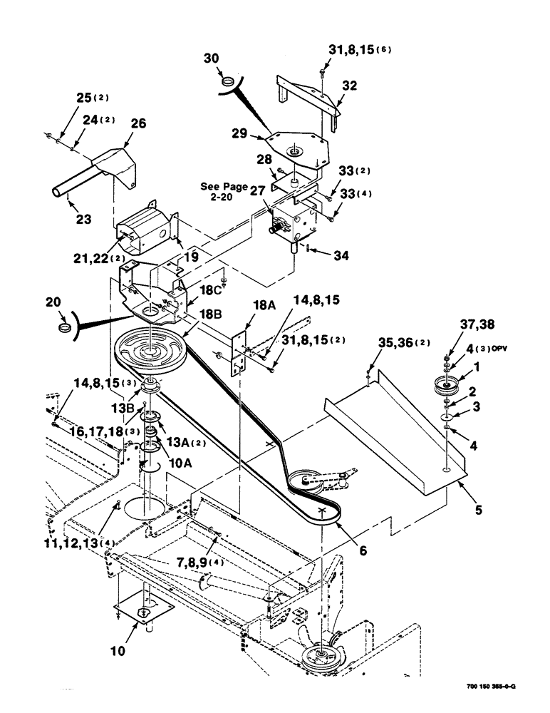
Запчасти Case IH DC515 (2-18) - HEADER DRIVE ASSEMBLY, MAIN (09) - CHASSIS

Схема запчастей Case IH DC515 - (2-18) - HEADER DRIVE ASSEMBLY, MAIN (09) - CHASSIS
1
33
30
8
2
9
23
12
10a
25
22
21
20
10
36
3
27
17
13a
31
15
8
33
15
13
35
7
29
38
14
18c
8
24
26
28
15
8
8
34
16
5
14
15
19
18a
4
13b
18b
18
32
4
11
37
6
31
FIT
1:1
100%

Артикул

Название

Примечание

Количество

1

853317

FRONT IDLER

IDLER - flat

1шт.

2

6529705

BUSHING

SPACER

1шт.

3

NLS

NO LONGER SERVICED

1шт.

4

396-21066

WASHER,16.66mm ID x 33.33mm OD x 4.27mm Thk

- 5/8" bolt size 21/32" x 1 5/16" x .150", HDN

4шт.

5

700150453

SHIELD

- belt

1шт.

6

700717877

BELT

-V

1шт.

7

413-820

BOLT,Hex, 1/2" - 13 x 1-1/4", Gr 5

4шт.

8

495-21056

WASHER,1/2"

1/2 HARDENED PLAIN WASHER

16шт.

9

231-5148

FLANGE NUT,Flg, USR, 1/2"-13

4шт.

10

700127081

LARGE PLATE

PLATE - mount, bearing

1шт.

10a

611583R91

BALL BEARING

BEARING - spherical

1шт.

11

434-616

CARRIAGE BOLT,Sht Sq Nk, 3/8" - 16 x 1", Gr 5

3/8-16 X 1 RHSNB

4шт.

12

496-11041

WASHER,13/32" x 13/16" x .065", HDN

3/8 HARDENED PLAIN WASHER

4шт.

13

425-106

NUT,3/8"-16, Cl 5

5шт.

13a

T27207

FLANGED BEARING

FLANGE - bearing

2шт.

13b

700711854

BUSHING

- tapered

1шт.

14

8701237

BOLT

1/2-13 X 1-1/2 HFS GR8

4шт.

15

425-108

NUT,1/2" - 13, Gr 5

NUT, , Hex 1/2"-13, G5

12шт.

16

434-616

CARRIAGE BOLT,Sht Sq Nk, 3/8" - 16 x 1", Gr 5

3/8-16 X 1 RHSNB

3шт.

17

496-11041

WASHER,13/32" x 13/16" x .065", HDN

3/8 HARDENED PLAIN WASHER

3шт.

18

425-106

NUT,3/8"-16, Cl 5

3шт.

18a

700127088

LARGE PLATE

PLATE - support

1шт.

18b

700130537

SHEAVE

- main, 2B-PB

1шт.

18c

700127077

SUPPORT

WA - gearbox (Includes item 20)

1шт.

19

700150450

SUPPORT

WA - shield

1шт.

20

700711863

BRONZE BUSHING

BEARING - bronze

1шт.

21

413-824

BOLT,Hex, 1/2" - 13 x 1-1/2", Gr 5

2шт.

22

231-5348

FLANGE NUT,Flg, 1/2"-13

1/2-13 HFTLN GR/G

2шт.

23

219-8

LUBE NIPPLE,1/4" - 28 NPTF

NIPPLE, LUBE, 1/4"-28 NPT x .54" lg

1шт.

24

6522940

SPACER

2шт.

25

385625

WASHER

2шт.

26

700127359

SUPPORT

WA - rear

1шт.

27

700713874

GEARBOX ASSY

GEARBOX

1шт.

27

700726848R

REMAN-GEARBOX

Remanufactured GEARBOX

1шт.

27

700726848C

CORE-GEARBOX

Return No, GEARBOX

1шт.

28

700127082

SUPPORT

WA - gearbox

1шт.

29

700127086

PIVOT

WA - upper (Includes item 30)

1шт.

30

8052391

BRONZE BUSHING

BUSHING - bronze

1шт.

31

700710984

SCREW,Hex Flg, 1/2" x 1 1/4", G8 NC

1/2-13 X 1-1/4 HFS GR8

8шт.

32

700127032

SUPPORT

WA - gage

1шт.

33

360-816

BOLT,Hex, 1/2" - 13 x 1", Gr 8

1/2-13 X 1 HFS GR8

6шт.

34

586879R1

KEY

5/16 X 2 KEY

1шт.

35

256873

BOLT,Hex Serr, 5/16" - 18 x 1/2", 5SPL, Full Thd

2шт.

36

495-61034

WASHER,0.34" ID x 0.88" OD x 0.06" Thk

5/16 WIDE PLAIN WASHER

2шт.

37

413-1048

BOLT,Hex, 5/8" - 11 x 3", Gr 5

1шт.

38

231-51410

FLANGE NUT,Flg, USR, 5/8"-11

1шт.

Выбрано товаров: 46