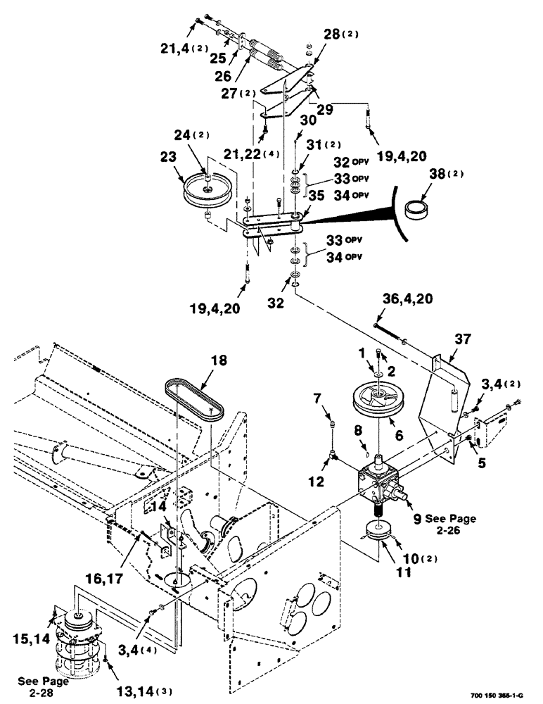
Запчасти Case IH DC515 (2-22) - HEADER DRIVE ASSEMBLY, SECONDARY LEFT (09) - CHASSIS

Схема запчастей Case IH DC515 - (2-22) - HEADER DRIVE ASSEMBLY, SECONDARY LEFT (09) - CHASSIS
35
29
36
8
26
17
25
3
4
10
18
27
32
34
20
22
38
24
28
21
19
33
2
14
20
15
3
11
1
33
17
16
4
4
37
5
21
20
4
12
19
13
6
9
34
23
4
4
14
32
31
30
14
FIT
1:1
100%

Артикул

Название

Примечание

Количество

1

6181994

WASHER

- special

1шт.

2

414-820

BOLT,Hex, 1/2" - 20 x 1-1/4", Gr 5

1/2-20 X 1-1/4 C

1шт.

3

413-816

BOLT,Hex, 1/2" - 13 x 1", Gr 5

6шт.

4

495-21056

WASHER,1/2"

1/2 HARDENED PLAIN WASHER

11шт.

5

700714032

GAUGE

- view

1шт.

6

700150456

SHEAVE

1шт.

7

700712886

BREATHER

1шт.

8

126-125

WOODRUFF KEY,#B, 5/16" x 1", HT

1шт.

9

700714040

GEARBOX ASSY

GEARBOX

1шт.

9

700714040R

REMAN-GEARBOX

Remanufactured GEARBOX

1шт.

9

700714040C

CORE-GEARBOX

Return Number, Gearbox

1шт.

10

178-244

SET SCREW,Hex Soc, 5/16"-18 x 3/4"

5/16 X 3/4 HDPHSSS NP

2шт.

11

700130652

SHEAVE

1шт.

12

217-1016

ELBOW,3/8" - 18 Female x 3/8" - 18 Male

1шт.

13

434-616

CARRIAGE BOLT,Sht Sq Nk, 3/8" - 16 x 1", Gr 5

3/8-16 X 1 RHSNB

3шт.

14

232-5316

FLANGE NUT,Flg, 3/8"-16

3/8-16 HFTLN GR/G

4шт.

15

433-620

CARRIAGE BOLT,Sq Nk, 3/8" - 16 x 1 1/4", Gr 5

BOLT, CARRIAGE, Short NK, 3/8"-16 x 1 1/4", G5

1шт.

16

113-250

BOLT,Hex, 3/8" - 16 x 2-1/2", Gr 5, Full Thd

1шт.

17

496-11041

WASHER,13/32" x 13/16" x .065", HDN

3/8 HARDENED PLAIN WASHER

1шт.

18

700714715

SET OF BELTS,891.50 mm L

2 Matched, V-Belt 891.50 mm L

1шт.

19

413-860

BOLT,Hex, 1/2" - 13 x 3-3/4", Gr 5

2шт.

20

425-108

NUT,1/2" - 13, Gr 5

NUT, , Hex 1/2"-13, G5

3шт.

21

413-820

BOLT,Hex, 1/2" - 13 x 1-1/4", Gr 5

6шт.

22

231-5348

FLANGE NUT,Flg, 1/2"-13

1/2-13 HFTLN GR/G

4шт.

23

NLS

NO LONGER SERVICED

IDLER - flat

1шт.

24

700100892

SPACER

2шт.

25

L57298

BUSHING

SPACER

1шт.

26

700130549

MOUNTING PARTS

MOUNTING - spring

1шт.

27

6189971

SPRING

ASSEMBLY

2шт.

28

700130548

MOUNTING PARTS

MOUNTING - spring

2шт.

29

700117282

TUBE,13.51 mm ID, 19.05 mm OD, 69 mm Length

SPACER

1шт.

30

219-8

LUBE NIPPLE,1/4" - 28 NPTF

NIPPLE, LUBE, 1/4"-28 NPT x .54" lg

1шт.

31

740761

SNAP RING

RING - retainer

2шт.

32

52217

WASHER

1-1/8 X 18 GAUGE NRMB

2шт.

33

495-81197

WASHER,1 3/16" x 1 3/4" x .065"

1-1/8 X 14 GAUGE NRMB

2шт.

34

52522

BUSHING

1-1/8 X 10 GAUGE NRMB

2шт.

35

700127095

ARM

WA - idler (Includes item 38)

1шт.

36

873513

BOLT,Hex, 1/2" - 13 x 6", Gr 5, Full Thd

1/2-13 X 6 FTC

1шт.

37

700150457

SUPPORT

WA - idler

1шт.

38

7852023

BUSHING

- bronze

2шт.

Выбрано товаров: 40