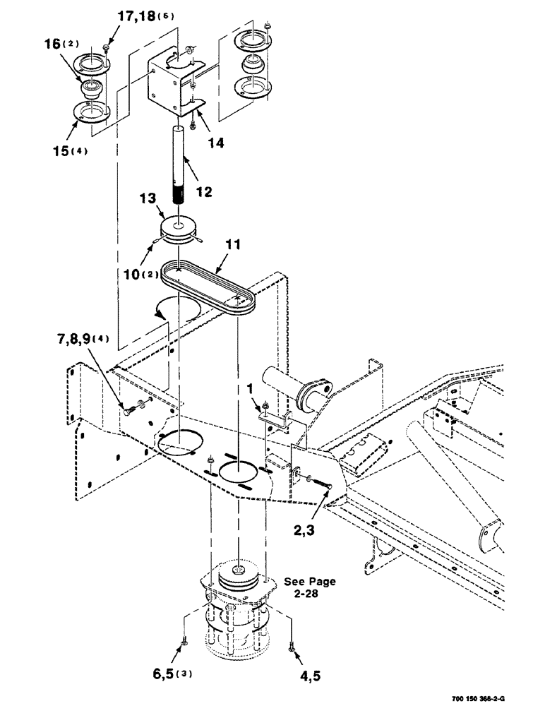
Запчасти Case IH DC515 (2-24) - HEADER DRIVE ASSEMBLY, SECONDARY RIGHT (09) - CHASSIS

Схема запчастей Case IH DC515 - (2-24) - HEADER DRIVE ASSEMBLY, SECONDARY RIGHT (09) - CHASSIS
18
7
17
16
2
13
6
10
14
5
15
8
11
3
9
12
5
4
1
FIT
1:1
100%

Артикул

Название

Примечание

Количество

1

700149881

ANGLE

- assembly

1шт.

2

113-250

BOLT,Hex, 3/8" - 16 x 2-1/2", Gr 5, Full Thd

1шт.

3

496-11041

WASHER,13/32" x 13/16" x .065", HDN

3/8 HARDENED PLAIN WASHER

1шт.

4

433-620

CARRIAGE BOLT,Sq Nk, 3/8" - 16 x 1 1/4", Gr 5

BOLT, CARRIAGE, Short NK, 3/8"-16 x 1 1/4", G5

1шт.

5

232-5316

FLANGE NUT,Flg, 3/8"-16

3/8-16 HFTLN GR/G

4шт.

6

434-616

CARRIAGE BOLT,Sht Sq Nk, 3/8" - 16 x 1", Gr 5

3/8-16 X 1 RHSNB

3шт.

7

413-820

BOLT,Hex, 1/2" - 13 x 1-1/4", Gr 5

4шт.

8

495-21056

WASHER,1/2"

1/2 HARDENED PLAIN WASHER

4шт.

9

231-5148

FLANGE NUT,Flg, USR, 1/2"-13

4шт.

10

178-244

SET SCREW,Hex Soc, 5/16"-18 x 3/4"

5/16 X 3/4 HFPHSSS NP

2шт.

11

700714715

SET OF BELTS,891.50 mm L

2 Matched, V-Belt 891.50 mm L

1шт.

12

700150455

SHAFT

- drive

1шт.

13

700130652

SHEAVE

1шт.

14

700150454

MOUNTING PARTS

MOUNT - drive, right

1шт.

15

617863R1

FLANGED BEARING

- bearing

4шт.

16

611583R91

BALL BEARING

BEARING - spherical

2шт.

17

409-7612

BOLT,3/8"-16 x 1.09" OAL

3/8-16 X 3/4 HWHMS

6шт.

18

231-5146

FLANGE NUT,3/8"-16

6шт.

Выбрано товаров: 18