Запчасти Case IH DC515 (9-04) - DECALS AND LOCATION DIAGRAM (09) - CHASSIS

Схема запчастей Case IH DC515 - (9-04) - DECALS AND LOCATION DIAGRAM (09) - CHASSIS
15
10
10
2
4
6
2
15
9
14
16
2
1
5
10
15
12
3
11
5
10
8
205
10
4
7
4
10
10
260
7
17
3
120
15
165
10
10
7
FIT
1:1
100%

Артикул

Название

Примечание

Количество

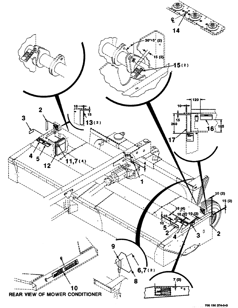
1

700713580

DECAL

- gauge

1шт.

2

700717403

REFLECTOR

- yellow

3шт.

3

700713551

DECAL

- danger

2шт.

4

700714362

DECAL

- warning

2шт.

5

700714361

DECAL

- warning

2шт.

6

121-3

SERRATED BOLT,Hex, 1/4" - 20 x 1/2", Gr 5

2шт.

7

231-5144

SERRATED NUT,Flg, USR, 1/4"-20

6шт.

8

7020589

EMBLEM

SMV EMBLEM

1шт.

9

7020597

BRACKET

SPADE

1шт.

10

700717882

DECAL

1шт.

11

7883275

SCREW,Hex Washer, 1/4" - 20 x 3/4"

1/4-20 X 3/4 HWHMS

4шт.

12

700714418

HOLDER

- manual

1шт.

13

878660

REFLECTOR

- red

2шт.

14

700713252

DECAL

- factory filled

1шт.

15

700713522

DECAL

- tie

2шт.

16

700717875

DECAL

- notice

1шт.

17

700717402

REFLECTOR

- red

1шт.

Выбрано товаров: 17