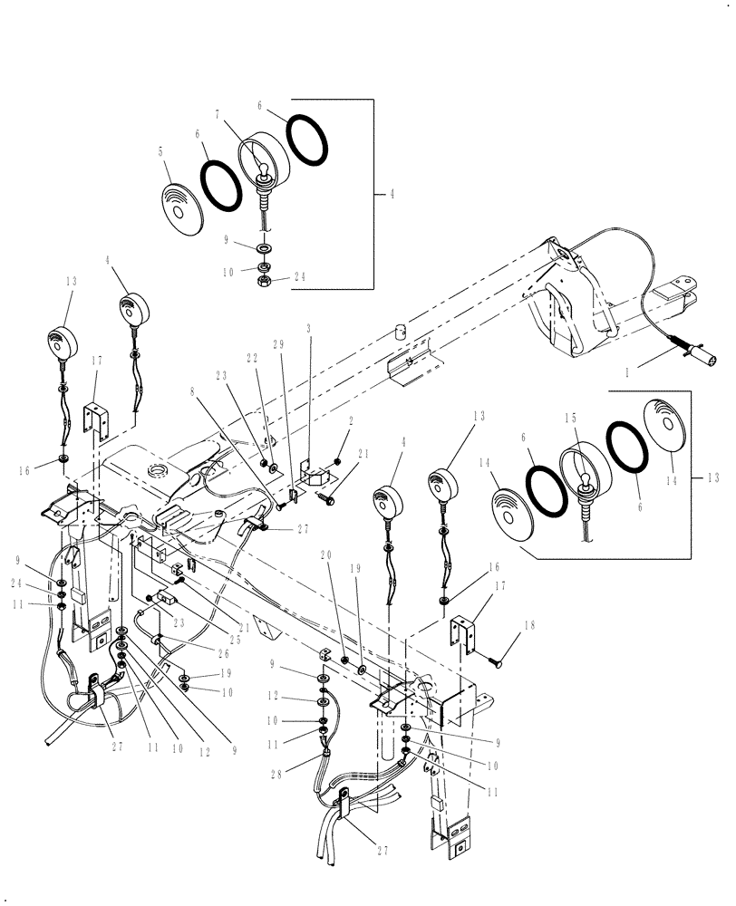
Запчасти Case IH DC92 (06.03) - LIGHTS (06) - ELECTRICAL

Схема запчастей Case IH DC92 - (06.03) - LIGHTS (06) - ELECTRICAL
11
9
27
2
13
7
10
4
14
25
24
21
29
21
10
28
6
19
17
23
9
4
6
20
17
19
13
18
14
12
12
6
11
9
10
6
9
3
11
16
27
27
10
4
13
16
10
9
24
22
15
5
23
11
26
8
1
FIT
1:1
100%

Артикул

Название

Примечание

Количество

1

86605903

WIRE HARNESS

Main

1шт.

2

86521605

FLANGE NUT,5/16"-18, Cl 5

2шт.

3

87034857

COVER

1шт.

4

86621619

WARNING LIGHT

Red

2шт.

5

86622241

LENS

Red, Includes: Ref. 6

2шт.

6

86627435

O-RING,3.484" ID x 0.139" Width

8шт.

7

86537133

BULB,C6, #1157, 12.8V

2шт.

8

280616

CARRIAGE BOLT,Sht Sq Nk, 5/16" - 18 x 1/2", Gr 5, Full Thd

2шт.

9

80700

WASHER,0.56" ID x 1.38" OD x 0.11" Thk

2шт.

10

80679

LOCK WASHER,1/20.507 CST ZND

4шт.

11

280963

NUT,Nut, 1/2-20 GR 5 ZND

4шт.

12

86515458

WASHER,13mm ID x 22.22mm OD x 1.62mm Thk

1/2"

4шт.

13

86624454

LAMP

Amber

2шт.

14

86622240

LENS

Amber, Includes: Ref. 6

2шт.

15

529068

BULB,#1156, 12V, 21W

2шт.

16

138269

GROMMET

2шт.

17

86626282

BRACKET

2шт.

18

88682

CARRIAGE BOLT,Short Nk, 3/8"-16 x 1", Gr 5

8шт.

19

140045

BELLEVILLE WASHER,M10 Bolt Size x 22mm OD x 1.6mm Thk

1шт.

20

86521606

FLANGE NUT,Hex, 3/8" - 16, Gr 5

1шт.

21

86521550

BOLT,Hex, 1/4" - 20 x 3/4", Gr 5

6шт.

22

322357

BELLEVILLE WASHER,M6 Bolt Size x 14mm OD x 1.3mm Thk

4шт.

23

7770

NUT,Hex, 1/4 - 20, Cl 5

4шт.

24

9626558

FLANGE NUT,Flg, 1/4"-20

2шт.

25

86561136

MODULE

Control, Lighting

1шт.

26

86010402

CLAMP,12.7mm, Coat, 10.3mm Bolt Hole, P Type

1шт.

27

578070

CLAMP,19mm, Coat, 8.7mm Bolt Hole, P Type

3шт.

28

14560287

CABLE TIE,207.00mm L

COLLAR

4шт.

29

847590

BRACKET

1шт.

Выбрано товаров: 29