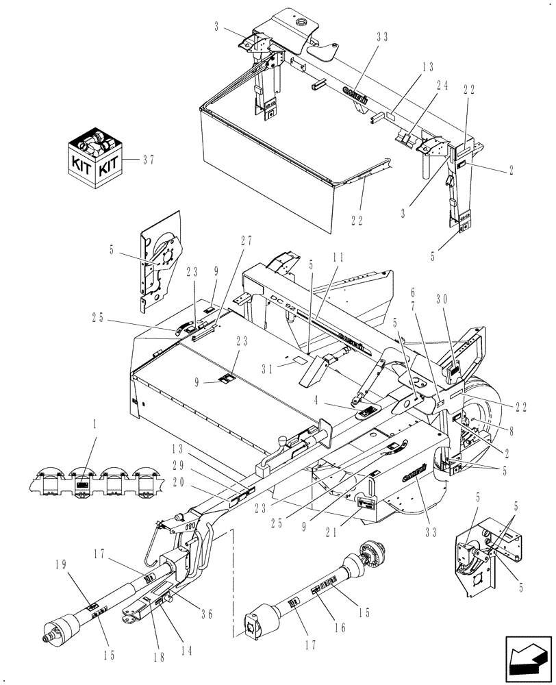
Запчасти Case IH DC92 (08.03/01) - DECALS (08) - SHEET METAL

Схема запчастей Case IH DC92 - (08.03/01) - DECALS (08) - SHEET METAL
23
11
19
25
23
9
7
3
31
13
15
15
22
30
25
17
21
9
3
14
33
1
33
29
4
37
27
20
23
22
5
18
8
2
13
5
5
2
6
9
17
24
22
5
5
36
5
5
16
5
FIT
1:1
100%

Артикул

Название

Примечание

Количество

1

166127

DECAL

ATTENTION, Do Not Use For Lifting, English

1шт.

1

601662

DECAL

ATTENTION, French

1шт.

1

9804246

DECAL

ATTENTION, Spanish

1шт.

2

86624774

DANGER DECAL

Header May Fall Rapidly, English

2шт.

2

86625174

DANGER DECAL

DANGER, Header May Fall Rapidly, French

2шт.

2

86625175

DANGER DECAL

DANGER, Header May Fall Rapidly, Spanish

2шт.

3

86547781

REFLECTOR,RED

Tape, Red Retroreflective

2шт.

4

87037788

WARNING DECAL

Before Towing, English

1шт.

4

87042009

WARNING DECAL

WARNING: Before Towing, French

1шт.

4

87042010

WARNING DECAL

WARNING: Before Towing, Spanish

1шт.

5

165109

DECAL

Lube Fitting

11шт.

6

NS

NOT SERVICED

PIN Plate

1шт.

7

86598785

SELF-TAP SCREW

Rd Hd, Stainless Steel, #4 x 1/4"

2шт.

8

183155

DECAL

Torque, English

2шт.

8

602232

DECAL

Torque, French

2шт.

8

9804237

DECAL

Torque, Spanish

2шт.

9

86611825

WARNING DECAL

WARNING, Slippery Surface, English

3шт.

9

86614084

WARNING DECAL

French

3шт.

9

86624655

WARNING DECAL

WARNING, Spanish

3шт.

11

87630657

DECAL

1шт.

13

86624775

WARNING DECAL

Set Machine To Clear Obstructions, English

1шт.

13

86625172

WARNING DECAL

WARNING, Set Machine To Clear Obstructions, French

1шт.

13

86625173

WARNING DECAL

WARNING, Set Machine To Clear Obstructions, Spanish

1шт.

14

851483

DECAL

ATTENTION, Jack Storage, English

1шт.

14

851484

DECAL

ATTENTION, French

1шт.

14

86528615

DECAL

ATTENTION, Spanish

1шт.

15

849471

DANGER DECAL

Rotating Driveline, English

2шт.

15

849482

DANGER DECAL

Rotating Driveline, French

2шт.

15

9801260

DANGER DECAL

DANGER, Rotating Driveline, Spanish

2шт.

16

86593134

DECAL

Grease per Hours Shown, English

1шт.

16

86593136

DECAL

Grease per Hours Shown, French

1шт.

16

86593135

DECAL

Grease per Hours Shown, Spanish

1шт.

17

849472

DANGER DECAL

Shield Missing, English

2шт.

17

849483

DANGER DECAL

Shield Missing - French

2шт.

17

9801256

DANGER DECAL

DANGER, Shield Missing, Spanish

2шт.

18

87041061

WARNING DECAL

PTO Shielding, English

1шт.

18

87042013

DECAL

WARNING, PTO Shielding, French

1шт.

18

87042014

DECAL

WARNING, PTO Shielding, Spanish

1шт.

19

86520249

DECAL

Lubrication

1шт.

19

86523213

DECAL

Lubrication, French

1шт.

19

86528617

DECAL

Lubrication, Spanish

1шт.

20

86622073

WARNING DECAL

Before Operating, English

1шт.

20

86622074

WARNING DECAL

WARNING, Before Operating, French

1шт.

20

86622075

WARNING DECAL

WARNING, Before Operating, Spanish

1шт.

21

86604890

DECAL

Cutting Edge, English

1шт.

For plate, see fig. 08.02

1шт.

22

86547782

REFLECTOR,YELLOW

Yellow Retro Reflective

3шт.

23

86628571

WARNING DECAL

Stand Clear, English

3шт.

23

86629518

WARNING DECAL

WARNING, French

3шт.

23

86629519

WARNING DECAL

WARNING, Spanish

3шт.

24

86554041

DECAL

OPERATION, CONDITIONING SETTING, English

1шт.

24

86565597

DECAL

OPERATION, CONDITIONING SETTING, French

1шт.

24

86565596

DECAL

OPERATION, CONDITIONING SETTING, Spanish

1шт.

25

80772110

WARNING DECAL

Knife Path, English

2шт.

25

791403

WARNING DECAL

WARNING, French

2шт.

25

86528619

WARNING DECAL

WARNING, Spanish

2шт.

27

86580849

DECAL

CONDITIONING, English

1шт.

27

86580850

DECAL

CONDITIONING, French

1шт.

27

86580851

DECAL

CONDITIONING, Spanish

1шт.

29

87041060

WARNING DECAL

Transport/Towing, English

1шт.

29

87042011

WARNING DECAL

WARNING, Transport/Towing, French

1шт.

29

87042012

WARNING DECAL

WARNING, Transport/Towing, Spanish

1шт.

30

86600540

DECAL

ATTENTION, This Case Contains Your Operator's Manuals, English

1шт.

30

86604288

DECAL

ATTENTION, This Case Contains Your Operator's Manuals, French

1шт.

30

86604289

DECAL

Attention, Op Manual, Spanish

1шт.

31

195096

DECAL

Roll Pressure, English

1шт.

31

601613

DECAL

Roll Pressure, French

1шт.

31

86528618

DECAL

Roll Pressure, Spanish

1шт.

33

87622972

DECAL

CASE IH

3шт.

36

87057017

DECAL

ATTENTION, Do Not Operate In Transport Position, English

1шт.

36

87057018

DECAL

ATTENTION, Do Not Operate In Transport Position, French

1шт.

36

87057019

DECAL

ATTENTION, Do Not Operate In Transport Position, Spanish

1шт.

37

87632093

DECAL

Set

1шт.

Выбрано товаров: 73