Запчасти Case IH DC92F (14.02) - CW & CCW MODULE (14) - CROP CUTTING

Схема запчастей Case IH DC92F - (14.02) - CW & CCW MODULE (14) - CROP CUTTING
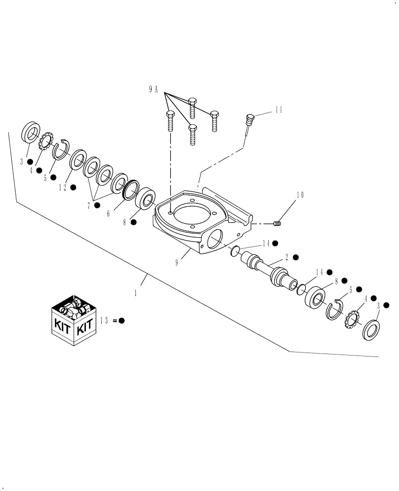
2
6
11
10
8
5
5
14
4
14
3
13
8
12
9
3
9a
4
7
1
FIT
1:1
100%

Артикул

Название

Примечание

Количество

1

87039878

GEARBOX

Module, CW

1шт.

1

84220789R

REMAN-GEARBOX

DC92, PT w/Rolls, DC92, PT w/Flails, Reman For New P/N's 87039878 & 84220789

1шт.

1

84220789C

CORE-GEARBOX

Return Number

1шт.

1

87039879

GEARBOX

Module, CCW

1шт.

1

84220790R

REMAN-GEARBOX

DC92 w/Rolls, DC92F w/Flails, Reman For New P/N's 87039879 & 84220790

1шт.

1

84220790C

CORE-GEARBOX

Return Number

1шт.

1

87298423

KIT

Small Module, CW

1шт.

1

87298424

KIT

Small Module, CCW

1шт.

2

NSS

NOT SOLD SEPARAT

Pinion, 14T

1шт.

3

86511201

SEAL

2шт.

4

86515894

SLINGER

2шт.

5

86508784

SNAP RING

Int, 2.312"

2шт.

6

NS

NOT SERVICED

Spacer, (No Longer Serviced, Use Ref.7)

2шт.

7

122271

SHIM,.003" Thk

1шт.

7

122272

SHIM,.005" Thk

1шт.

7

122273

SHIM,.007" Thk

1шт.

8

NSS

NOT SOLD SEPARAT

Bearing

2шт.

9

87044115

HOUSING

1шт.

9a

87670

BOLT,1/2" - 13 x 1-1/4", Full Thd, Gr 5

4шт.

10

86568834

PLUG,1/4" - 18 NPT

1шт.

11

86506262

DIPSTICK

1шт.

12

86524423

WASHER

1шт.

Two washers are included with Pinion Kit, Ref. 13.

1шт.

13

86633622

KIT

Pinion

1шт.

13

84220791

PINION

Kit, Start Year: 01-JUN-09

1шт.

Use shims, Ref. 7 in place of Ref. 6 to adjust end play. Shims are installed between washers, Ref. 12

1шт.

14

87744672

RUBBER JOINT

2шт.

Выбрано товаров: 27