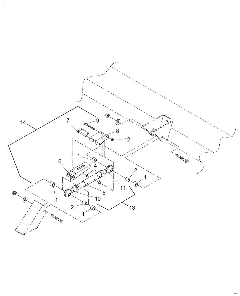
Запчасти Case IH DC92F (18.02) - KIT, MECHANICAL TILT (18) - ACCESSORIES

Схема запчастей Case IH DC92F - (18.02) - KIT, MECHANICAL TILT (18) - ACCESSORIES
8
2
13
5
14
1
2
4
9
10
1
12
6
11
7
1
1
FIT
1:1
100%

Артикул

Название

Примечание

Количество

1

87046788

SPACER

4шт.

2

87046787

SPACER

2шт.

3

440436

LOCK PIN,M5 x 28, Slotted

2шт.

Not Shown

1шт.

4

133095

SPACER,10.32mm ID x 15.85mm OD x 7.9mm L

2шт.

5

87046876

LIFT LINK

Turnbuckle

1шт.

6

87042525

GAUGE

Indicator

1шт.

7

647695

PIN,7.94mm OD

1шт.

8

87042524

HANDLE

1шт.

9

280161

BOLT,Hex, 3/8" - 16 x 3", Gr 5

1шт.

10

87046874

LIFT LINK

End, RH Thread

1шт.

Lift Link Ends Can Be Reversed; Order By Thread Pitch

1шт.

11

87046875

LIFT LINK

End, LH Thread

1шт.

Lift Link Ends Can Be Reversed; Order By Thread Pitch

1шт.

12

88902

NUT,3/8"-16

1шт.

13

87043338

TOP LINK

1шт.

14

715304046

KIT

Mechanical Tilt

1шт.

Выбрано товаров: 17