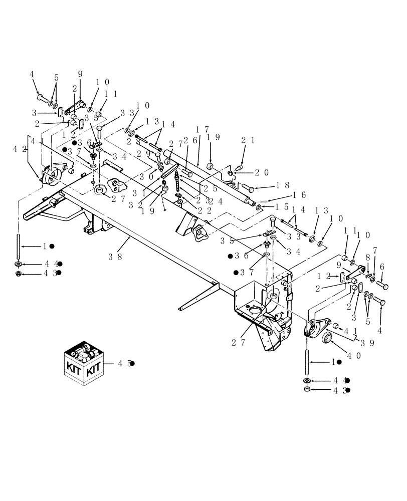
Запчасти Case IH DCX101 (58.102.03) - HEADER, ROLL TENSION (58) - ATTACHMENTS/HEADERS

Схема запчастей Case IH DCX101 - (58.102.03) - HEADER, ROLL TENSION (58) - ATTACHMENTS/HEADERS
3
18
19
39
14
37
42
5
35
14
35
32
25
27
2
34
1
1
13
12
29
13
36
22
21
33
9
24
16
37
19
5
27
10
36
20
12
31
44
30
6
33
3
7
2
4
8
34
2
17
45
41
9
28
27
26
15
23
10
10
2
11
43
4
38
10
11
43
44
40
41
FIT
1:1
100%

Артикул

Название

Примечание

Количество

1

86554356

ROD

5/8"-11 x 14"

2шт.

Prior To PIN HCA0006354

1шт.

1

87038520

ROD

3/4"-10 x 14.25"

2шт.

From PIN HCA0006354

1шт.

2

289689

SPACER

4шт.

3

86631385

CONNECTING LINK

2шт.

4

86521617

BOLT,Hex, 1/2" - 13 x 2", Gr 5

4шт.

5

262183

WASHER

4шт.

6

458-512

BOLT,Hex, 5/16" - 18 x 3/4", Gr 5

2шт.

7

322358

BELLEVILLE WASHER,M8 Bolt Size x 18mm OD x 1.4mm Thk

2шт.

8

289688

CLIP

2шт.

9

86632454

ARM

2шт.

10

58821

WASHER,45.24mm ID x 56.36mm OD x 1.65mm Thk

1шт.

11

213346

BUSHING,44.78mm ID x 49.61mm OD x 41.27mm L

2шт.

12

86631386

CONNECTING LINK

2шт.

13

100-11175

SNAP RING,#175, Ext

2шт.

14

144385

TORSION BAR

2шт.

15

67517

WASHER

1шт.

16

80599

GROOVED PIN,1/4" x 2 3/4", Type A

1шт.

17

86633913

TUBE,1359 mm L

1шт.

Prior To HCA0006521

1шт.

17

87349309

TUBE,558 mm L

1шт.

From PIN HCA0006521

1шт.

18

413-544

BOLT,Hex, 5/16" - 18 x 2-3/4", Gr 5

1шт.

19

231-5345

FLANGE NUT,Flg, 5/16"-18

2шт.

20

9622890

NUT

Lift, 3/4"-10

1шт.

21

219-87

LUBE NIPPLE,1/4" - 28 NPTF

1шт.

22

625098

PIVOT

1шт.

23

86506799

ROD

1шт.

24

394632

WASHER,21mm ID x 40mm OD x 4mm Thk

1шт.

25

9801922

THRUST BEARING,19.25mm ID x 35.97mm OD x 11.76mm W

1шт.

26

86523775

BOLT,Hex, 3/8" - 16 x 1 1/2", Gr 5

1шт.

27

231-5346

FLANGE NUT,Flg, 3/8"-16

3шт.

28

413-540

BOLT,Hex, 5/16" - 18 x 2-1/2", Gr 5

1шт.

29

495-21038

WASHER,5/16"

1шт.

30

33781

KNOB

1шт.

31

86630978

HANDLE

1шт.

32

223162

CLIP

1шт.

33

458-616

BOLT,Hex Flg, 3/8" - 16 x 1", Gr 5

2шт.

34

215588

WASHER

Nylon, 3/8"

2шт.

35

86538387

RETAINER

2шт.

36

86504380

FLANGE NUT,5/8" - 11

5/8"-11

2шт.

Prior To PIN HCA0006354

1шт.

36

87038521

NUT

3/4"-10

2шт.

From PIN HCA0006354

1шт.

37

9849882

WASHER,38mm ID x 65mm OD x 6.35mm Thk

Nylon, 1-7/16"

2шт.

38

86705057

HEAD ASSY.

1шт.

On Units Built Prior To HCA0006521, Must Also Replace Ref. 17 (W/87349309), & Ref. 42 (W/87055307)

1шт.

39

86631111

BEARING ASSY

Bearing

1шт.

Prior To PIN HCA0006354

1шт.

39

87042108

BEARING ASSY

1шт.

From PIN HCA0006354

1шт.

40

694444

BALL BEARING,34.95mm Hex x 80mm OD x 36.51mm W

1шт.

41

86540342

BUSHING,30.15mm ID x 36.41mm OD x 19.05mm L

2шт.

42

86639603

PIVOTING ARM

Roll

1шт.

Prior To PIN HCA0006354

1шт.

42

87055307

ARM

1шт.

From PIN HCA0006354

1шт.

43

231-53410

FLANGE NUT,Flg, 5/8"-11

2шт.

Prior To PIN HCA0006354

1шт.

43

232-41412

LOCK NUT,3/4"-10, GC

2шт.

From PIN HCA0006354

1шт.

44

87021862

WASHER,19.8mm ID x 38.1mm OD x 4.76mm Thk

2шт.

From PIN HCA0006354

1шт.

45

87042133

REPAIR KIT

Roll Gap Rod, Updates BSN Roll Gap Rods to ASN; Includes: Ref.s 1 (1), 36 (1), 37 (1), 43 (1), 44 (1), & Ins.

1шт.

Выбрано товаров: 65