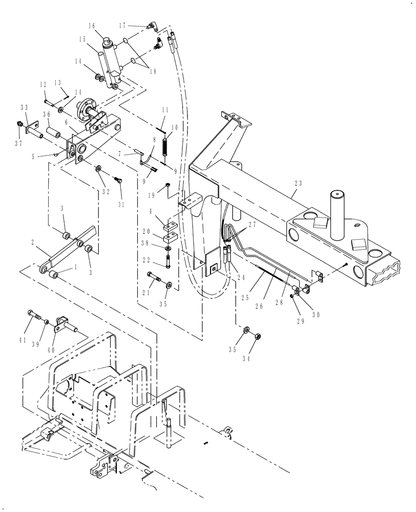
Запчасти Case IH DCX131 (12.07) - TRAIL FRAME, RIGHT SIDE (12) - MAIN FRAME

Схема запчастей Case IH DCX131 - (12.07) - TRAIL FRAME, RIGHT SIDE (12) - MAIN FRAME
3
24
6
7
29
16
13
39
10
14
26
35
27
4
19
5
11
21
14
34
9
32
31
20
15
40
36
1
22
35
38
9
28
30
23
8
37
12
17
3
18
25
33
2
41
FIT
1:1
100%

Артикул

Название

Примечание

Количество

1

86603645

SPACER

1шт.

2

86632234

ARM ASSY.

Lift, Includes: Ref. 3

1шт.

3

9611935

BUSHING,31.83mm ID x 39.115mm OD x 26.92mm L

2шт.

4

86558691

PLATE

Flail units only

1шт.

5

219-90

LUBE NIPPLE,45 Degree Elbow, 1/4" -28 NPTF

1шт.

6

0C

ORDER COMPONENTS

Hub & Spindle, Right Hand, Refer to Fig. 11.01

1шт.

7

86546360

PIN

1шт.

8

86631667

ROD

1шт.

9

432-812

COTTER PIN,3/4" OAL x 1/8" W

3шт.

10

86539129

SPRING

1шт.

11

432-1232

COTTER PIN,3/16" OD x 2" L

1шт.

12

86529064

PIN

1шт.

13

432-1624

COTTER PIN,1/4" x 1 1/2"

1шт.

14

495-11066

WASHER,5/8", SAE

5шт.

15

86632240

ROD

1шт.

16

86627757

HYDRAULIC CYLINDER

Master, Refer To Fig. 07.02(1)

1шт.

Prior to PIN HCA0008165

1шт.

16

87018067

HYDRAULIC CYLINDER,Double Acting, 38.1mm Rod, 254mm Stroke

Master, Monarch, Refer To Fig. 07.02(2)

1шт.

Cylinder head will protrude beyond end of barrel

1шт.

From PIN HCA0008165

1шт.

17

218-5105

ELBOW,90 Degree Elbow, 9/16" - 18 Male JIC x 9/16" - 18 Male ORB

Includes: Ref. 18

2шт.

18

237-6006

O-RING,0.078" Thk x 0.468" ID, -906, Cl 6, 90 Duro

2шт.

19

231-5348

FLANGE NUT,Flg, 1/2"-13

2шт.

20

86519305

BUMPER

1шт.

21

426-16128

BOLT,Hex, 1" - 8 x 8", Gr 8

1шт.

22

86521617

BOLT,Hex, 1/2" - 13 x 2", Gr 5

2шт.

22

87339

BOLT,Hex, 1/2" - 13 x 3", Gr 5

Flail units only

2шт.

23

86631780

FRAME

Trail, Includes: Decals

1шт.

Transporter-Ready Part

1шт.

Prior To PIN HCA0008740

1шт.

23

87055692

FRAME ASSY

Trail, Includes: Decals

1шт.

From PIN HCA0008740

1шт.

24

86539889

HOSE

2шт.

25

86560194

WIRE HARNESS

1шт.

26

86539896

HYD TUBE,12.70 mm OD

Includes: Ref. 27, Sleeve & Nut

1шт.

27

218-364

SLEEVE,37 Degree, 1/2" Tube

2шт.

27

218-344

TUBE NUT,37 Degree, 3/4"-16, Type B

2шт.

28

86539895

HYD TUBE,12.70 mm OD

Includes: Ref. 27, Sleeve & Nut

1шт.

29

231-5346

FLANGE NUT,Flg, 3/8"-16

1шт.

30

515-23127

CLAMP,1/2", Insul, 3/8" Bolt

1шт.

31

426-1240

BOLT,Hex, 3/4" - 10 x 2-1/2", Gr 8

1шт.

32

86516694

WASHER

1шт.

33

86632239

PIN,31.75mm OD x 125.5mm L

1шт.

34

425-1016

NUT,1"-8, G5

1шт.

35

25769

WASHER,25.8mm ID x 49.21mm OD x 3.17mm Thk

2шт.

36

86632243

SPACER

120.0 / 120.5 mm L

1шт.

37

219-87

LUBE NIPPLE,1/4" - 28 NPTF

1шт.

38

495-11053

WASHER,1/2", SAE

2шт.

39

167381

SPACER

1шт.

40

86522799

PIN

1шт.

41

86521614

BOLT,Hex, 1/2" - 13 x 1 1/4", Gr 5

1шт.

Выбрано товаров: 51