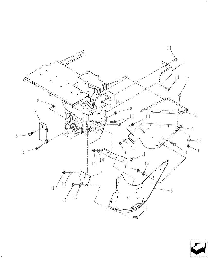
Запчасти Case IH DCX131F (08.02/01) - SHIELDING, RIGHT SIDE (08) - SHEET METAL

Схема запчастей Case IH DCX131F - (08.02/01) - SHIELDING, RIGHT SIDE (08) - SHEET METAL
10
2
9
7
15
5
1
15
15
8
17
14
3
17
10
13
9
16
4
9
10
14
16
9
9
6
15
17
16
9
11
11
FIT
1:1
100%

Артикул

Название

Примечание

Количество

1

87519304

SHIELD

1шт.

2

86632224

SUPPORT

1шт.

Includes decals.

1шт.

3

87051001

SHEET

1шт.

4

87399537

SUPPORT

1шт.

5

87047997

SHEET

1шт.

6

264552

FASTENER

1шт.

7

86631739

PLATE

1шт.

8

86632242

COVER

1шт.

9

86521605

FLANGE NUT,5/16"-18, Cl 5

22шт.

10

280497

CARRIAGE BOLT,Short Sq Nk, 5/16" - 18 x 3/4", Gr 5, Full Thd

16шт.

11

86508773

CARRIAGE BOLT,Sq Nk, 3/8" - 16 x 1 1/4", Gr 5, Full Thd

9шт.

12

88682

CARRIAGE BOLT,Short Nk, 3/8"-16 x 1", Gr 5

4шт.

13

9707580

BOLT,Hex, 1/4" - 20 x 3/4", Gr 5, Full Thd

4шт.

14

86521552

BOLT,Hex, 5/16" - 18 x 3/4", Gr 5

6шт.

15

322358

BELLEVILLE WASHER,M8 Bolt Size x 18mm OD x 1.4mm Thk

20шт.

16

140045

BELLEVILLE WASHER,M10 Bolt Size x 22mm OD x 1.6mm Thk

13шт.

17

86521606

FLANGE NUT,Hex, 3/8" - 16, Gr 5

13шт.

Выбрано товаров: 18