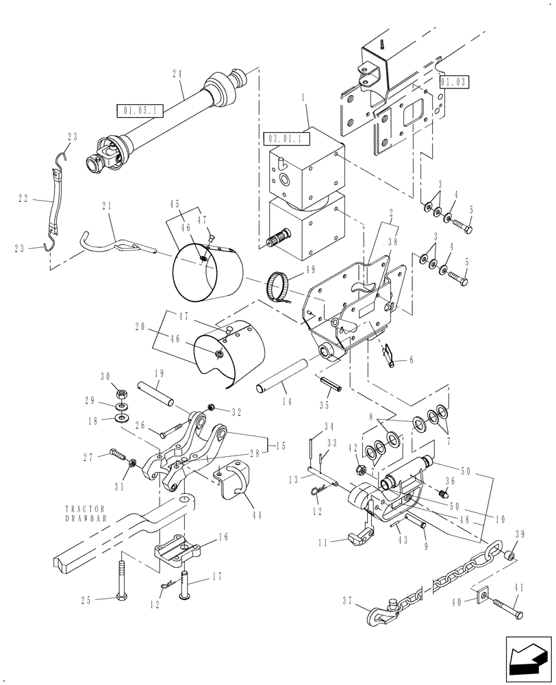
Запчасти Case IH DCX131F (12.01[1]) - DRAWBAR, SWIVEL HITCH & SAFETY CHAIN (12) - MAIN FRAME

Схема запчастей Case IH DCX131F - (12.01[1]) - DRAWBAR, SWIVEL HITCH & SAFETY CHAIN (12) - MAIN FRAME
27
22
33
16
4
24
46
47
6
29
35
39
30
45
tractor
7
7
3
43
32
03.01.1
2
01.05.1
01.03
15
drawbar
40
17
50
1
44
12
42
11
10
28
5
21
46
49
48
31
8
4
38
3
18
5
23
19
36
23
25
9
37
20
41
12
34
13
26
47
14
50
FIT
1:1
100%

Артикул

Название

Примечание

Количество

1

86592258

GEARBOX

Swivel

1шт.

1

86592258R

REMAN-GEARBOX

Reman Gearbox

1шт.

1

86592258C

CORE-GEARBOX

Return Number, Gearbox, Swivel

1шт.

Use W/ 86560318 Yoke, 21 Tooth Spline

1шт.

2

86617330

TRUNNION

Includes: Ref. 51

1шт.

3

574245

WASHER,16.76mm ID x 50.8mm OD x 6.35mm Thk

32шт.

4

86589278

BELLEVILLE WASHER,17mm ID x 41.5mm OD x 4.5mm Thk

16шт.

5

86604182

LOCK BOLT,Spcl, Gr 5

Cap, HH, Special, G5, 5/8"-11 x 1-3/4"

16шт.

6

647695

PIN,7.94mm OD

1шт.

7

28691

WASHER,39mm ID x 60mm OD x 0.89mm Thk

1шт.

8

233295

WASHER

2шт.

9

86510381

PIN

1шт.

10

86617348

HITCH ASSY

1шт.

11

86603572

PAWL

1шт.

12

86627125

COTTER PIN,0.148" OD x 2.75" OAL, Internal

Hairpin, 5/32" x 2-3/4"

2шт.

13

86602275

PIN,19.05mm OD x 175mm L

Yoke

1шт.

14

86519423

PIN

1шт.

15

86632109

SUPPORT ASSY.

2 Piece Design, With Ref. 44, Includes: Decal Ref. 28

1шт.

16

86632111

CLAMP

1шт.

17

846927

PIN

1шт.

18

578092

WASHER,19.4mm ID x 47.6mm OD x 3.43mm Thk

3/4", Hardened

4шт.

19

86624603

PIN

1шт.

20

86602230

SHIELD

Includes: (3) Ref 46 & (3) Ref. 47

1шт.

21

87029373

SUPPORT ASSY.

1шт.

22

273672

FASTENER

1шт.

23

115680

HOOK

2шт.

24

0C

ORDER COMPONENTS

PTO, Drawbar Hitch

1шт.

25

413-12112

BOLT,Hex, 3/4" - 10 x 7", Gr 5

4шт.

26

86625652

HEX SOC SCREW,3/8" - 16 x 2.50"

HH, G8, 3/8"-16 x 2-1/2"

1шт.

27

485-17540

SET SCREW,Sq Hd, 3/4"-10 x 2 1/2"

2шт.

28

86605697

DECAL

Torque

1шт.

29

492-11075

LOCK WASHER,3/4"

4шт.

30

425-1012

NUT,3/4"-10, G5

4шт.

31

425-1412

JAM NUT,Jam, 3/4"-10, G5

2шт.

32

232-4146

NUT,3/8"-16, GC

1шт.

33

435-1620

GROOVED PIN,3/16" x 1 1/4", Type A

1шт.

34

432-1648

COTTER PIN,1/4" x 3"

1шт.

35

38-12040

LOCK PIN,5/16" x 2 1/2", Slotted

1шт.

36

219-87

LUBE NIPPLE,1/4" - 28 NPTF

1шт.

37

850116

CHAIN

1шт.

38

86536919

DECAL

Attention, Store Jack In Middle Of Tongue - English

1шт.

38

86536920

DECAL

Attention, Store Jack In Middle Of Tongue - French

1шт.

39

86607695

SPACER,17.48mm ID x 28.6mm OD x 20.6mm L

1шт.

40

636422

WASHER,16.66mm ID x 69.85mm OD

1шт.

41

280119

BOLT,Hex, 5/8" - 11 x 3 1/2", Gr 5

1шт.

42

85700693

NUT,5/8" - 11, Gr C

1шт.

43

432-1620

COTTER PIN,1/4" x 1 1/4"

1шт.

44

86632113

SUPPORT ASSY.

Loop, 2 Piece Design, With Ref.15

1шт.

45

86532561

SHIELD

1шт.

46

88055

WASHER,0.22" ID x 0.5" OD x 0.05" Thk

Brass #10

7шт.

47

86520136

RIVET,Aluminum, .196” Dia

7шт.

48

86604628

WARNING DECAL

Pawl - English

1шт.

48

86605150

DECAL

Pawl - French

1шт.

49

527350

STRAP

1/2" x 20"

1шт.

50

137913

BUSHING

2шт.

51

165109

DECAL

Lube Fitting (Not Shown)

1шт.

Выбрано товаров: 0