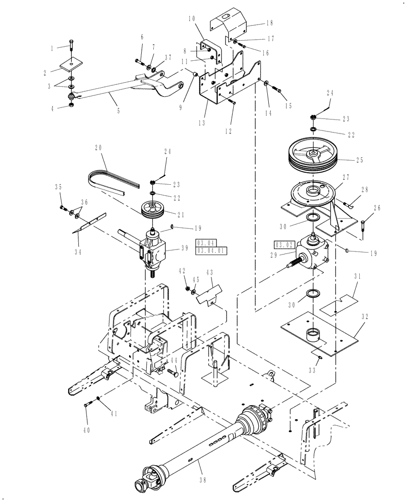
Запчасти Case IH DCX131F (14.03) - HEADER DRIVE, CENTER (14) - CROP CUTTING

Схема запчастей Case IH DCX131F - (14.03) - HEADER DRIVE, CENTER (14) - CROP CUTTING
32
15
1
40
30
23
27
29
41
14
38
26
2
20
35
7
9
3
4
16
5
6
11
03.04
03.02
03.04.01
39
30
31
8
13
43
34
12
18
19
22
19
24
37
17
42
36
22
10
33
28
45
21
24
23
25
44
FIT
1:1
100%

Артикул

Название

Примечание

Количество

1

413-1256

BOLT,Hex, 3/4" - 10 x 3-1/2", Gr 5

1шт.

2

84135814

SPACER

1шт.

3

495-11081

WASHER,3/4", SAE

2шт.

4

232-41412

LOCK NUT,3/4"-10, GC

1шт.

5

86629779

TUBE,1243.60 mm L

1шт.

6

413-836

BOLT,Hex, 1/2" - 13 x 2-1/4", Gr 5

2шт.

7

695335

WASHER,12.95mm ID x 37.59mm OD x 4.75mm Thk

1/2"

2шт.

8

231-5348

FLANGE NUT,Flg, 1/2"-13

2шт.

9

86631384

SPACER

2шт.

10

86629740

BRACKET

1шт.

Prior To 7/01/06

1шт.

10

87517038

BRACKET

Bracket

1шт.

From 7/01/06

1шт.

11

425-285

FLANGE NUT,Flg, 5/16"-18, G5

1шт.

12

86521553

BOLT,Hex, 5/16" - 18 x 1", Gr 5

1шт.

13

86629782

CHAMBER

1шт.

14

86513238

LOCK WASHER,.515” ID x 1.070” OD x .120” TK

Belleville, 1/2"

4шт.

15

426-816

BOLT,Hex, 1/2" - 13 x 1", Gr 8

4шт.

16

86521552

BOLT,Hex, 5/16" - 18 x 3/4", Gr 5

4шт.

17

322358

BELLEVILLE WASHER,M8 Bolt Size x 18mm OD x 1.4mm Thk

4шт.

18

86629781

COVER

PTO

1шт.

19

126-43

WOODRUFF KEY,#128, 5/16" x 2 1/8"

2шт.

20

86627796

V-BELT,0.66" W x 147.00" L, 2 Ribs

1шт.

21

86632261

PULLEY

1шт.

22

672

WASHER

1-1/8"

2шт.

23

49027

SLOTTED NUT

Slotted

2шт.

24

432-832

COTTER PIN,1/8" x 2"

2шт.

25

86632255

PULLEY

2шт.

26

86521615

BOLT,Hex, 1/2" - 13 x 1 1/2", Gr 5

4шт.

27

86641961

SUPPORT

1шт.

28

84251

LUBE NIPPLE,30 Degree, 1/8" NPT x 2 5/64" lg

1шт.

29

86572192

GEARBOX

Pivot

1шт.

29

86572192R

REMAN-GEARBOX

Pivot

1шт.

29

86572192C

CORE-GEARBOX

Return Number

1шт.

30

86523854

THRUST WASHER

2шт.

31

86632259

SHIM

1шт.

32

86632258

PLATE

1шт.

33

219-87

LUBE NIPPLE,1/4" - 28 NPTF

1шт.

34

86632263

SHIELD

1шт.

35

614-8016

BOLT,Hex, M8 x 1.25 x 16mm, Cl 8.8, Full Thd

2шт.

36

495-21038

WASHER,5/16"

4шт.

37

26129

WASHER,25.8mm ID x 39.69mm OD x 0.99mm Thk

2шт.

38

0C

ORDER COMPONENTS

PTO, Secondary

1шт.

39

86518543

GEARBOX

1шт.

39

86518543R

REMAN-GEARBOX

1шт.

39

86518543C

CORE-GEARBOX

Return Number

1шт.

39

86561235

GEARBOX

Flail units.

1шт.

39

86561235R

REMAN-GEARBOX

Flail units.

1шт.

39

86561235C

CORE-GEARBOX

Return Number

1шт.

40

413-1020

BOLT,Hex, 5/8" - 11 x 1-1/4", Gr 5

8шт.

41

140048

BELLEVILLE WASHER,M16 Bolt Size x 32mm OD x 2.8mm Thk

8шт.

42

425-286

FLANGE NUT,Flg, 3/8"-16, G5

1шт.

43

86629762

SHIELD

1шт.

44

88682

CARRIAGE BOLT,Short Nk, 3/8"-16 x 1", Gr 5

1шт.

45

140045

BELLEVILLE WASHER,M10 Bolt Size x 22mm OD x 1.6mm Thk

1шт.

Выбрано товаров: 55