Запчасти Case IH DCX161 (08.06) - DECALS, BASE FRONT (08) - SHEET METAL

Схема запчастей Case IH DCX161 - (08.06) - DECALS, BASE FRONT (08) - SHEET METAL
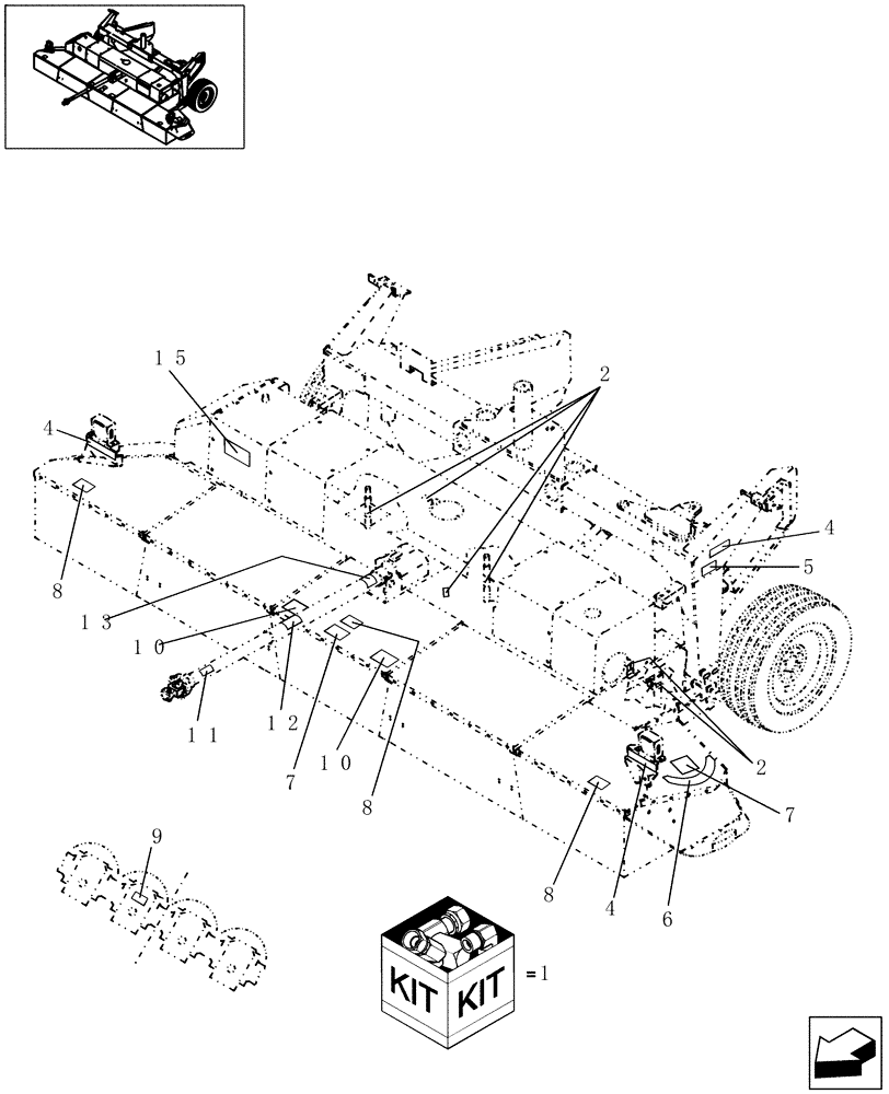
2
13
5
8
2
4
7
4
1
8
7
15
6
9
8
10
11
4
10
12
FIT
1:1
100%

Артикул

Название

Примечание

Количество

1

86617651

DECAL KIT

Includes: Ref. 2 - 13 (See Figures 08.05 & 08.07)

1шт.

2

165109

DECAL

LubeFitting

7шт.

3

86624776

DECAL

Logo, CASE IH

1шт.

4

86547782

REFLECTOR,YELLOW

Yellow Retro Reflective

4шт.

5

86624774

DANGER DECAL

WARNING, Header May Fall Rapidly, English

2шт.

5

86625174

DANGER DECAL

WARNING, Header May Fall Rapidly, French

2шт.

5

86625175

DANGER DECAL

WARNING, Header May Fall Rapidly, Spanish

2шт.

6

80772110

WARNING DECAL

WARNING, Knife Tip Path, English

1шт.

6

791403

WARNING DECAL

WARNING, Knife Tip Path, French

1шт.

7

86628571

WARNING DECAL

WARNING, Stand Clear, English

2шт.

7

86622074

WARNING DECAL

WARNING, Stand Clear,French

2шт.

8

86611825

WARNING DECAL

WARNING, no step, English

3шт.

8

86614084

WARNING DECAL

no step, French

3шт.

8

86624655

WARNING DECAL

WARNING, no step, Spanish

3шт.

9

166127

DECAL

Attention, English

1шт.

9

601662

DECAL

Attention, French

1шт.

9

9804246

DECAL

Attention, Spanish

1шт.

10

86629146

WARNING DECAL

WARNING, Close Shield Prior, English

2шт.

10

86629148

DECAL

WARNING, Close Shield Prior, French

2шт.

11

849472

DANGER DECAL

Shield Missing, English

1шт.

11

849483

DANGER DECAL

Shield Missing, French

1шт.

12

86593134

DECAL

Lube, Grease Per Shown, English

1шт.

12

86593136

DECAL

Lube, Grease Per Shown, French

1шт.

13

849471

DANGER DECAL

Rotating Driveline, English

1шт.

13

849482

DANGER DECAL

Rotating Driveline, French

1шт.

13

9801260

DANGER DECAL

DANGER, Rotating Driveline, Spanish

1шт.

Выбрано товаров: 26