Запчасти Case IH RD132 (20.14.03) - CW & CCW MODULE (00) - COMPLETE MACHINE

Схема запчастей Case IH RD132 - (20.14.03) - CW & CCW MODULE (00) - COMPLETE MACHINE
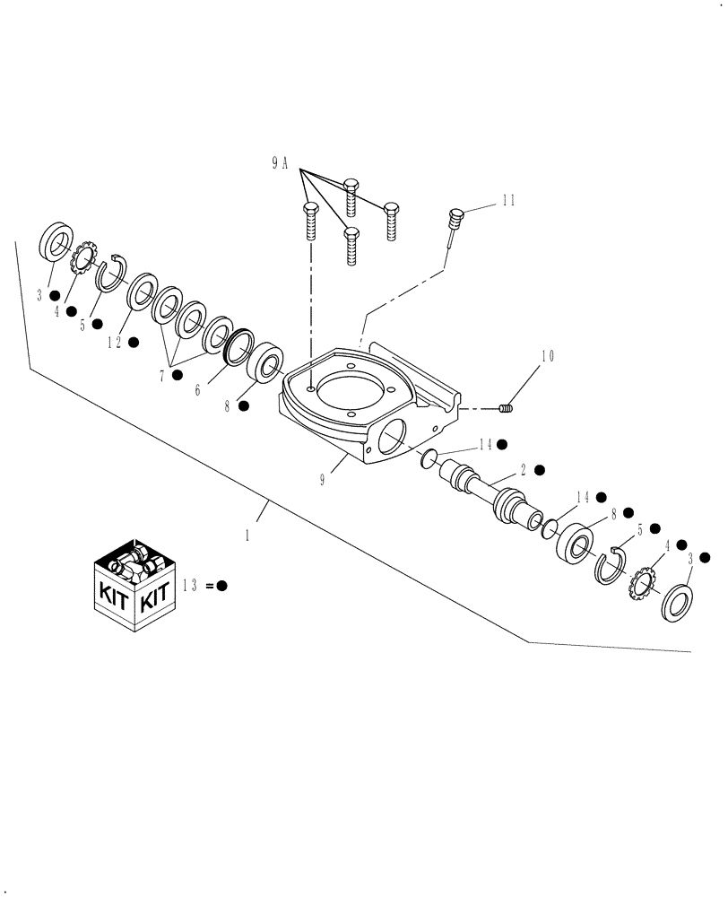
6
10
3
13
8
9a
8
9
3
2
4
14
7
4
5
14
1
12
5
11
FIT
1:1
100%

Артикул

Название

Примечание

Количество

1

87039878

GEARBOX

Module, CW

1шт.

1

84220789R

REMAN-GEARBOX

RD132, Reman For New P/N's 87039878 & 84220789

1шт.

1

84220789C

CORE-GEARBOX

Return Number

1шт.

1

87039879

GEARBOX

Module, CCW

1шт.

1

84220790R

REMAN-GEARBOX

RD132, Reman For New P/N's 87039879 & 84220790

1шт.

1

84220790C

CORE-GEARBOX

Return Number

1шт.

2

NSS

NOT SOLD SEPARAT

Pinion, 14T

1шт.

3

86511201

SEAL

2шт.

4

86515894

SLINGER

2шт.

5

86508784

SNAP RING

Int, 2.312"

2шт.

6

NS

NOT SERVICED

Spacer, (No Longer Serviced, Use Ref.7)

2шт.

7

122271

SHIM,.003" Thk

1шт.

7

122272

SHIM,.005" Thk

1шт.

7

122273

SHIM,.007" Thk

1шт.

8

NSS

NOT SOLD SEPARAT

Bearing

2шт.

9

87044115

HOUSING

1шт.

9a

87670

BOLT,1/2" - 13 x 1-1/4", Full Thd, Gr 5

4шт.

10

86568834

PLUG,1/4" - 18 NPT

1шт.

11

86506262

DIPSTICK

1шт.

12

86524423

WASHER

1шт.

Two washers are included with Pinion Kit, Ref 13

1шт.

13

84220791

PINION

1шт.

Use shims, Ref. 7 in place of Ref. 6 to adjust end play. Shims are installed between washers, Ref. 12

1шт.

14

87744672

RUBBER JOINT

2шт.

Выбрано товаров: 24