Качественные детали и логистика
Оригинальные и аналоговые запчасти с доставкой по России, Казахстану и Беларуси
©2022 PartSell ООО "Система" ИНН 2463123282 ОГРН 1212400004838
Центральный офис: г. Красноярск, Академика Киренского, д.87, пом.4
Телефон: 8 (800) 777-65-74 Email: zakaz@partsell.ru
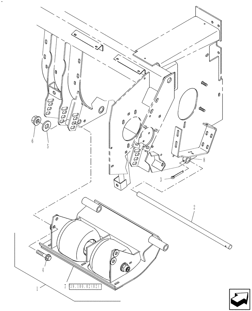
(39.100.02[01]) - DIA KIT, GAUGE WHEEL MOUNTING
№
Артикул
Название
Примечание
Количество
1
715301056
DIA KIT, HARVESTER
Gauge Wheel, Includes: Ref. 2 - 7
1шт.
2
86554217
SHAFT
2шт.
3
80752
COTTER PIN,1/4" x 2 1/2"
4
86521620
BOLT,Hex, 5/8" - 11 x 1 3/4", Gr 5
4шт.
5
140048
BELLEVILLE WASHER,M16 Bolt Size x 32mm OD x 2.8mm Thk
6
86521608
FLANGE NUT,Flg, 5/8"-11, G5
7
0C
ORDER COMPONENTS
Gauge Wheel
8
86585170
HUB
(Requires Welding)
Выбрано товаров: 0