Запчасти Case IH DC101F (08.03) - DECALS (08) - SHEET METAL

Схема запчастей Case IH DC101F - (08.03) - DECALS (08) - SHEET METAL
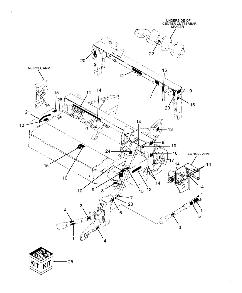
10
5
12
9
7
7
6
19
3
14
4
1
15
17
21
3
25
5
14
10
14
2
14
15
14
1
11
10
1
14
20
16
16
1
9
14
15
22
4
9
15
26
8
14
23
24
13
25
14
20
12
FIT
1:1
100%

Артикул

Название

Примечание

Количество

1

849471

DANGER DECAL

English

2шт.

1

849482

DANGER DECAL

French

2шт.

1

9801260

DANGER DECAL

DANGER - Spanish

2шт.

2

86520249

DECAL

Lubrication, English

1шт.

3

849472

DANGER DECAL

English

2шт.

3

849483

DANGER DECAL

French

2шт.

3

9801256

DANGER DECAL

DANGER - Spanish

2шт.

4

851483

DECAL

ATTENTION, English

1шт.

4

851484

DECAL

ATTENTION, French

1шт.

5

86566602

IDEOGRAM

Lubrication, English

1шт.

6

86622073

WARNING DECAL

English

1шт.

6

86622074

WARNING DECAL

French

1шт.

6

86622075

WARNING DECAL

CAUTION- Spanish

1шт.

7

86624775

WARNING DECAL

Set Machine To Clear Obstructions, English

2шт.

7

86625172

WARNING DECAL

WARNING, Set Machine To Clear Obstructions, French

2шт.

7

86625173

WARNING DECAL

WARNING, Set Machine To Clear Obstructions, Spanish

2шт.

8

86604890

DECAL

CUTTING EDGE, English

1шт.

9

86547782

REFLECTOR,YELLOW

Tape, Yellow Retro Reflective

3шт.

10

86628571

WARNING DECAL

English

3шт.

10

86629518

WARNING DECAL

WARNING, French

3шт.

10

86629519

WARNING DECAL

WARNING, Spanish

3шт.

11

86626401

DECAL

DCX101

1шт.

12

86624776

DECAL

CASE IH Logo

3шт.

13

86600540

DECAL

ATTENTION, This Case Contains Your Operator's Manuals, English

1шт.

14

165109

DECAL

Lube Fitting

11шт.

15

86611825

WARNING DECAL

WARNING, English

3шт.

15

86614084

WARNING DECAL

French

3шт.

15

86624655

WARNING DECAL

WARNING, Spanish

3шт.

16

86624774

DANGER DECAL

DANGER, Header Crush, English

2шт.

16

86625174

DANGER DECAL

DANGER, Header Crush, French

2шт.

16

86625175

DANGER DECAL

DANGER, Header Crush, Spanish

2шт.

17

183155

DECAL

Torque, English

2шт.

17

602232

DECAL

Torque, French

2шт.

17

9804237

DECAL

Torque - Spanish

2шт.

18

86554041

DECAL

Operation, English

1шт.

18

86565596

DECAL

Operation, French

1шт.

18

86565597

DECAL

Operation, Spanish

1шт.

19

591875

RIVET,3/32" OD x 11/32" L

2шт.

20

86547781

REFLECTOR,RED

Red Retroreflective

2шт.

21

80772110

WARNING DECAL

English

2шт.

21

791403

WARNING DECAL

WARNING, French

2шт.

21

86528619

WARNING DECAL

WARNING, Spanish

2шт.

22

166127

DECAL

ATTENTION, English

3шт.

22

601662

DECAL

ATTENTION, French

3шт.

22

9804246

DECAL

ATTENTION- Spanish

3шт.

23

87041060

WARNING DECAL

Transport/Roading, English

1шт.

23

87042011

WARNING DECAL

Transport/Roading, French

1шт.

23

87042012

WARNING DECAL

WARNING, Transport/Roading, Spanish

1шт.

24

87037788

WARNING DECAL

WARNING, Before Towing; English

1шт.

24

87042009

WARNING DECAL

WARNING, Before Towing; French

1шт.

24

87042010

WARNING DECAL

WARNING, Before Towing; Spanish

1шт.

25

87706981

DECAL KIT

Kit, English - Includes: Ref. 1 - 18, 20 - 24, & Sign Guide

1шт.

26

86580849

DECAL

Conditioning, English

1шт.

26

86580850

DECAL

Conditioning, French

1шт.

26

86580851

DECAL

Conditioning, Spanish

1шт.

Выбрано товаров: 55