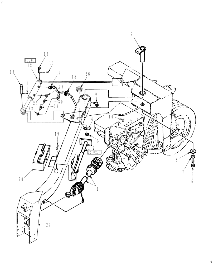
Запчасти Case IH DC101F (12.02) - TONGUE, REAR (12) - MAIN FRAME

Схема запчастей Case IH DC101F - (12.02) - TONGUE, REAR (12) - MAIN FRAME
18
2
32
12.02.1
07.01
13
14
1
11
7
11
12
26
13
27
28
17
3
20
10
9
5
4
8
29
31
30
19
6
FIT
1:1
100%

Артикул

Название

Примечание

Количество

1

0C

ORDER COMPONENTS

PTO, Secondary

1шт.

2

86617866

JACK

1шт.

3

86521609

FLANGE NUT,Flg, 3/8"-16

1шт.

4

86571694

CLAMP

1шт.

5

84251

LUBE NIPPLE,30 Degree, 1/8" NPT x 2 5/64" lg

1шт.

6

88557

BOLT,Hex, 3/4" - 10 x 2", Gr 5, Full Thd

1шт.

7

322359

BELLEVILLE WASHER,M20 Bolt Size x 40mm OD x 3.2mm Thk

1шт.

8

86502976

WASHER

.78" ID x 3.75" OD x .25"

1шт.

9

86630513

PIN,69.85mm OD x 260mm L

1шт.

10

514112

PIN

1" x 3-1/8"

2шт.

11

80754

COTTER PIN,3/16" OD x 1-1/2" OAL

2шт.

12

87018072

HYDRAULIC CYLINDER,Double Acting, 38.1mm Rod, 292.1mm Stroke

1шт.

13

86590810

KIT

Jack Chain & Pin

1шт.

14

231666

1шт.

15

9617873

O-RING,0.078" Thk x 0.468" ID, -906, Cl 6, 90 Duro

1шт.

16

701811

ORIFICE

1шт.

17

76350

HYD CONNECTOR,9/16" - 18 ORB x 9/16" - 18 JIC

1шт.

17

9617873

O-RING,0.078" Thk x 0.468" ID, -906, Cl 6, 90 Duro

1шт.

18

263117

CABLE TIE,292.1mm L, Nylon, Black

CABLE STRAP

1шт.

19

86627125

COTTER PIN,0.148" OD x 2.75" OAL, Internal

Hairpin, 5/32" x 2-3/4"

1шт.

20

5135060

TOOL BOX

1шт.

26

86604516

INSULATOR

3' -, Serial Range: Cut-Fit

1шт.

27

87041429

Rear

1шт.

28

701811

ORIFICE

1шт.

29

80271642

ELBOW

1шт.

30

87041527

HYD CONNECTOR,3/8" - 18 NPT x 3/8" - 18 NPT

1шт.

31

87041786

HYDRAULIC VALVE

1шт.

32

235131

90 ELBOW,90 Degree, 9/16"-18, 37 Degree x 3/8"-18, NPTF

1шт.

Выбрано товаров: 28