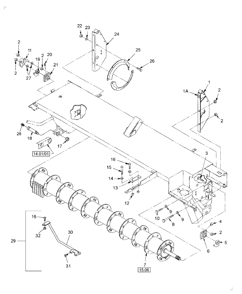
Запчасти Case IH DC102F (15.04) - HEADER, ROTOR MOUNTING (15) - CROP CONDITIONING

Схема запчастей Case IH DC102F - (15.04) - HEADER, ROTOR MOUNTING (15) - CROP CONDITIONING
15.06
13
15
5
12
10
11
9
17
8
6
18
24
9
20
2
7
32
25
2
2
21
28
1
2
2
1a
27
14
16
30
4
3
2
29
26
22
16
23
31
14.01/01
FIT
1:1
100%

Артикул

Название

Примечание

Количество

1

86566150

SHIELD

LH

1шт.

1a

86629494

REINFORCEMENT

Use W/ Ref. 1

1шт.

2

86521607

FLANGE NUT,Flg, 1/2"-13, G5

1шт.

3

280420

CARRIAGE BOLT,Sq Nk, 1/2" - 13 x 1 1/2", Gr 5, Full Thd

8шт.

4

788938

PLUG

1/4"-28

1шт.

5

45631

COLLAR

1шт.

6

9614669

BEARING ASSY,3.23" ID x 3.73" OD x 1"

1шт.

7

0C

ORDER COMPONENTS

1шт.

8

87996

BOLT,Hex, 1/2" - 13 x 4 1/2", Gr 5

1шт.

9

80700

WASHER,0.56" ID x 1.38" OD x 0.11" Thk

1шт.

10

86521615

BOLT,Hex, 1/2" - 13 x 1 1/2", Gr 5

1шт.

11

87037494

SHIELD

1шт.

12

9823743

FLANGE NUT,Flg, 5/16"-18

4шт.

13

849495

RUBBER PAD

2шт.

14

80664

WASHER,0.38" ID x 0.88" OD x 0.08" Thk

4шт.

15

88275

BOLT,Hex, 5/16" - 18 x 1 1/2", Gr 5

2шт.

16

86521553

BOLT,Hex, 5/16" - 18 x 1", Gr 5

2шт.

17

86557260

SPECIAL NUT

Lock, 3/4"-10

4шт.

18

86571960

BOLT

Cutterbar Mounting

4шт.

18

87721979

BOLT

Cutterbar Mounting, Start Year: 01-JUL-09, Start Serial: Y9N083777

4шт.

19

45393

COLLAR

1шт.

20

86539484

PIPE PLUG,Sq Hd, 1/8"-27, NTPF

1шт.

21

86575515

BEARING ASSY

1шт.

22

86521606

FLANGE NUT,Hex, 3/8" - 16, Gr 5

16шт.

23

140045

BELLEVILLE WASHER,M10 Bolt Size x 22mm OD x 1.6mm Thk

16шт.

24

86575698

SHIELD

RH

1шт.

25

86551699

SHIELD

4шт.

26

280430

CARRIAGE BOLT,Sq Nk, 3/8" - 16 x 3/4", Gr 5, Full Thd

16шт.

27

87364

WASHER,0.53" ID x 1.06" OD x 0.1" Thk

2шт.

28

87414

LUBE NIPPLE,1/4" - 28

4шт.

29

86603195

KIT

Viney Crop

1шт.

30

86519350

GUIDE

RH

1шт.

31

86521614

BOLT,Hex, 1/2" - 13 x 1 1/4", Gr 5

2шт.

32

86521605

FLANGE NUT,5/16"-18, Cl 5

1шт.

Выбрано товаров: 0