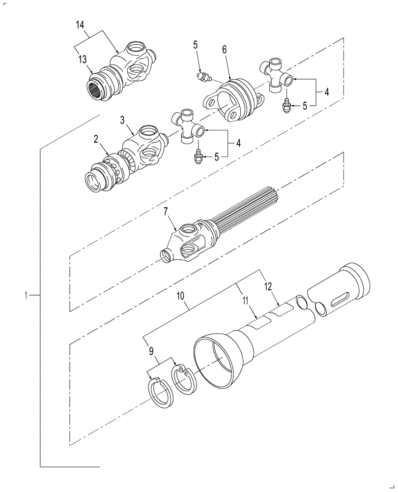
Запчасти Case IH DC132F (01.01) - PRIMARY PTO, FRONT HALF, NOT FOR SWIVEL HITCH (01) - PTO DRIVE SHAFT

Схема запчастей Case IH DC132F - (01.01) - PRIMARY PTO, FRONT HALF, NOT FOR SWIVEL HITCH (01) - PTO DRIVE SHAFT
7
1
11
5
4
10
3
4
9
5
13
5
12
6
2
14
FIT
1:1
100%

Артикул

Название

Примечание

Количество

1

87056346

FRONT PTO ASSY

Half, Includes: Ref. 2 - 12, 1-3/8"

1шт.

1

87056348

FRONT PTO ASSY

Half, Includes: Ref. 2 - 11, 1-3/4"

1шт.

2

86534533

REPAIR KIT

Auto-Lok, For 1-3/8" Yoke

1шт.

Includes: (1) Retaining Ring, (1) Collar, (1) Spring, (2) Pawls & (4) Balls & Instructions.

1шт.

2

86539714

REPAIR KIT

Auto-Lok, For 1-3/4" Yoke

1шт.

Includes: (1) Retaining Ring, (1) Collar, (1) Spring, (2) Pawls & (4) Balls & Instructions.

1шт.

3

86539412

YOKE

Auto-Lok, 1-3/4" - 20 Tooth Spline - (Optional)

1шт.

3

86539636

YOKE

Auto-Lok, 1-3/8" - 21Tooth Spline.

1шт.

4

86551252

SPIDER

Kit, Includes: Ref. 5, Snap Rings NSS

2шт.

5

88775

LUBE NIPPLE,1/4"-28

Straight

1шт.

6

86520893

HOUSING

CV Center

1шт.

7

86592687

YOKE

W/Shaft

1шт.

9

87050379

REPAIR KIT

Nylon, Includes: (1) Nylon Bearing & (1) Retaining Ring

1шт.

10

87056312

GUARD ASSY.

Plastic; Includes: Inner & Outer Guards

1шт.

11

849471

DANGER DECAL

1шт.

12

86536635

DECAL

LUBRICATION

1шт.

13

86621507

CLAMP

1шт.

14

86566886

YOKE

Front, CV Clamp Type, Includes Ref 13, For 1-3/8"

1шт.

Not Included In PTO Front Half, Order Separately

1шт.

Выбрано товаров: 19