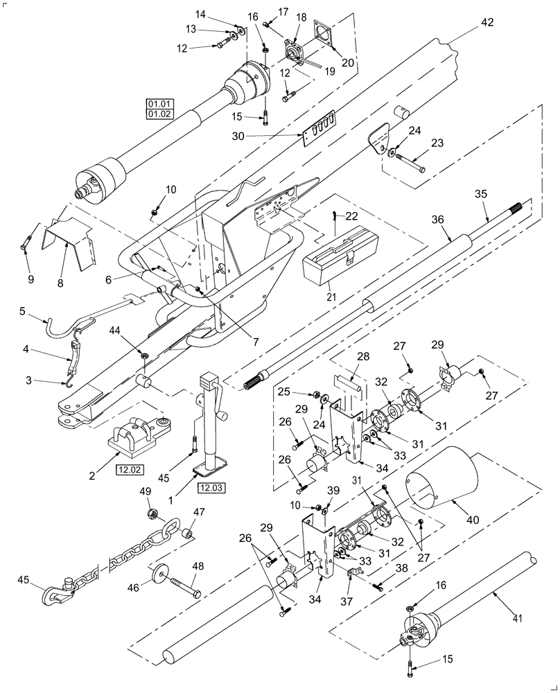
Запчасти Case IH DC132F (12.05) - STANDARD TONGUE, FRONT (12) - MAIN FRAME

Схема запчастей Case IH DC132F - (12.05) - STANDARD TONGUE, FRONT (12) - MAIN FRAME
24
1
29
14
23
19
2
27
45
30
5
34
13
9
47
01.01
01.02
12.02
41
37
15
16
32
31
6
21
24
36
12
40
10
45
46
16
31
18
17
7
26
44
12.03
31
26
42
29
15
25
3
12
10
33
39
48
34
27
22
31
38
20
28
26
4
32
35
29
33
27
8
49
FIT
1:1
100%

Артикул

Название

Примечание

Количество

1

86617866

JACK

1шт.

2

715298001

EXTENSION

Hitch Extension

1шт.

3

115680

HOOK

Anchor

2шт.

4

273672

FASTENER

1шт.

5

86627267

SUPPORT

1шт.

6

9707515

BOLT,Hex, 5/16 - 18" x 1 3/4", Gr 5

1шт.

7

9823743

FLANGE NUT,Flg, 5/16"-18

1шт.

8

86629979

COVER

1шт.

9

9628510

BOLT,Hex, 3/8" - 16 x 3/4", Gr 5

4шт.

10

86521606

FLANGE NUT,Hex, 3/8" - 16, Gr 5

6шт.

12

87689

BOLT,1/2"-13 x 1.813" OAL, Gr 5

5шт.

13

86513238

LOCK WASHER,.515” ID x 1.070” OD x .120” TK

Belleville, 1/2"

1шт.

14

86538195

WASHER

1шт.

15

280620

BOLT,Hex, 1/2" - 13 x 3", Gr 8

2шт.

16

88871

NUT,1/2"-13, GC

2шт.

17

86539484

PIPE PLUG,Sq Hd, 1/8"-27, NTPF

1шт.

18

695496

BEARING ASSY,76.86 mm ID x 89.92 mm OD x 25.4 mm

Includes: Ref. 19

1шт.

19

63264

BALL BEARING,38.1mm ID x 80mm OD x 21mm W

1шт.

20

86632289

PLATE

1шт.

21

5135060

TOOL BOX

1шт.

22

86627125

COTTER PIN,0.148" OD x 2.75" OAL, Internal

Hair

1шт.

23

280743

BOLT,Hex, 5/8" - 11 x 8", Gr 5

2шт.

24

80299

WASHER,0.69" ID x 1.75" OD x 0.13" Thk

4шт.

25

86521611

FLANGE NUT,Flg, 5/8"-11

2шт.

26

88707

CARRIAGE BOLT,Sht Sq Nk, 1/2" - 13 x 1 1/4", Gr 5, Full Thd

12шт.

27

86521607

FLANGE NUT,Flg, 1/2"-13, G5

12шт.

28

86541412

SPACER

2шт.

29

86599724

BRACKET

Includes: Foam Tape

3шт.

29

853891

TAPE

Black Vinyl Foam - 3" x 144", Serial Range: (Cut-Fit)

1шт.

30

86564683

SUPPORT

Hose (Requires Welding)

1шт.

31

86629969

FLANGE

4шт.

32

86552016

BALL BEARING,38.1mm ID x 80mm OD x 21.01mm W

Includes: Set Screws

2шт.

33

87365

WASHER,0.66" ID x 1.31" OD x 0.1" Thk

4шт.

34

86629975

CHANNEL

2шт.

35

86979386

SHAFT

1-3/8"-21 One End, 23 Splines Other End

1шт.

37

86629976

BRACKET

2шт.

38

88682

CARRIAGE BOLT,Short Nk, 3/8"-16 x 1", Gr 5

2шт.

39

140045

BELLEVILLE WASHER,M10 Bolt Size x 22mm OD x 1.6mm Thk

2шт.

40

86532561

SHIELD

Includes: Rivets & Washers

1шт.

40

86520136

RIVET,Aluminum, .196” Dia

4шт.

40

88055

WASHER,0.22" ID x 0.5" OD x 0.05" Thk

4шт.

41

NS

NOT SERVICED

PTO, Secondary, Refer To Component Breakdown

1шт.

42

86572845

TONGUE

Includes Warning Decals

1шт.

43

280119

BOLT,Hex, 5/8" - 11 x 3 1/2", Gr 5

1шт.

44

19670

NUT,5/8"-11, GB

1шт.

45

850116

CHAIN

1шт.

46

636422

WASHER,16.66mm ID x 69.85mm OD

1шт.

47

86607695

SPACER,17.48mm ID x 28.6mm OD x 20.6mm L

1шт.

48

88693

BOLT,Hex, 5/8" - 11 x 2 3/4", Gr 5

1шт.

49

85700693

NUT,5/8" - 11, Gr C

1шт.

Выбрано товаров: 50