Запчасти Case IH DC132F (15.01) - HEADER AND ROTOR MOUNTNG (15) - CROP CONDITIONING

Схема запчастей Case IH DC132F - (15.01) - HEADER AND ROTOR MOUNTNG (15) - CROP CONDITIONING
24
6
29
11
17
9
5
12
16
22
24
23
25
31
28
4
30
19
28
20
2
27
27
3
12
7
24
1
10
13
3
31
2
8
13
26
18
14.01
15.02
4
15
15
30
FIT
1:1
100%

Артикул

Название

Примечание

Количество

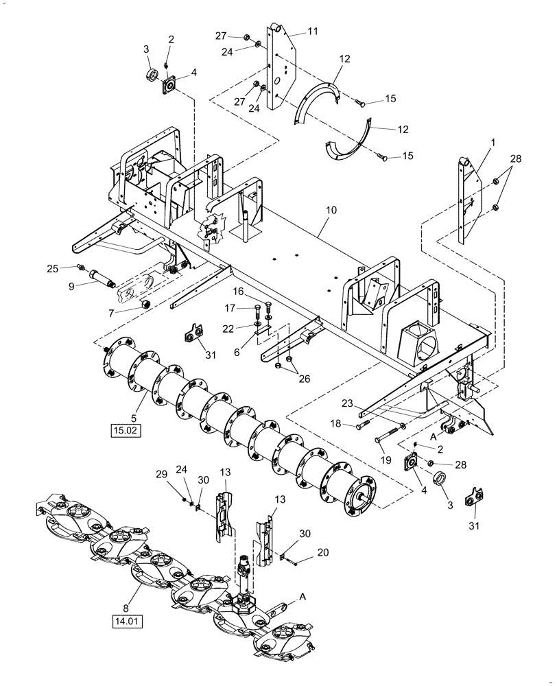
1

86566150

SHIELD

LH

1шт.

2

86539484

PIPE PLUG,Sq Hd, 1/8"-27, NTPF

2шт.

3

45393

COLLAR

2шт.

4

86575515

BEARING ASSY

2шт.

5

87054830

ROTOR ASSY.

Rotor Assy

1шт.

6

849495

RUBBER PAD

4шт.

7

86557260

SPECIAL NUT

Special, Lock, 3/4"-10

4шт.

8

87697282

CUTTERBAR

Does Not Include Ref 13 or PTO

1шт.

9

86571960

BOLT

Cutterbar Mounting

4шт.

9

87721979

BOLT

Cutterbar Mounting, Start Year: 01-JUL-09, Start Serial: Y9N083777

4шт.

10

86630417

FRAME

Header

1шт.

10

84217290

FRAME

Header

1шт.

MY2010

1шт.

11

86575698

SHIELD

RH

1шт.

12

86551699

SHIELD

4шт.

13

84260963

KIT

Tall Drum, Inc: 20, 24, 29 & 30

2шт.

Drum Halves and Reinforcements Are NSS

1шт.

13

84469547

KIT

Tabbed Tall Drum, Inc: 20, 24, 29 & 30

2шт.

Replaces 84260963, Drum Halves NSS

1шт.

14

86521552

BOLT,Hex, 5/16" - 18 x 3/4", Gr 5

8шт.

15

280430

CARRIAGE BOLT,Sq Nk, 3/8" - 16 x 3/4", Gr 5, Full Thd

16шт.

16

86521553

BOLT,Hex, 5/16" - 18 x 1", Gr 5

4шт.

17

88275

BOLT,Hex, 5/16" - 18 x 1 1/2", Gr 5

4шт.

18

86521615

BOLT,Hex, 1/2" - 13 x 1 1/2", Gr 5

4шт.

19

87996

BOLT,Hex, 1/2" - 13 x 4 1/2", Gr 5

2шт.

20

280464

BOLT,Hex, 3/8" - 16 x 3 1/2", Gr 8

4шт.

21

80681

LOCK WASHER,5/16"

8шт.

22

80664

WASHER,0.38" ID x 0.88" OD x 0.08" Thk

8шт.

23

80700

WASHER,0.56" ID x 1.38" OD x 0.11" Thk

2шт.

24

140045

BELLEVILLE WASHER,M10 Bolt Size x 22mm OD x 1.6mm Thk

24шт.

25

87414

LUBE NIPPLE,1/4" - 28

4шт.

26

9823743

FLANGE NUT,Flg, 5/16"-18

16шт.

27

86521606

FLANGE NUT,Hex, 3/8" - 16, Gr 5

16шт.

28

86521607

FLANGE NUT,Flg, 1/2"-13, G5

14шт.

29

86521609

FLANGE NUT,Flg, 3/8"-16

4шт.

30

NSS

NOT SOLD SEPARAT

REINFORCEMENT

8шт.

31

86565127

KIT

Cutterbar Support, Includes: (1) LH Support, (1) RH Support & (2) Gusset

1шт.

Repair Cutterbar mounting holes.

1шт.

Выбрано товаров: 38