Запчасти Case IH 1190 (9-030) - KNIFE AND ROLL DRIVE, 1190 MOWER CONDITIONER (03) - CHASSIS/MOUNTED EQUIPMENT

Схема запчастей Case IH 1190 - (9-030) - KNIFE AND ROLL DRIVE, 1190 MOWER CONDITIONER (03) - CHASSIS/MOUNTED EQUIPMENT
FIT
1:1
100%

Артикул

Название

Примечание

Количество

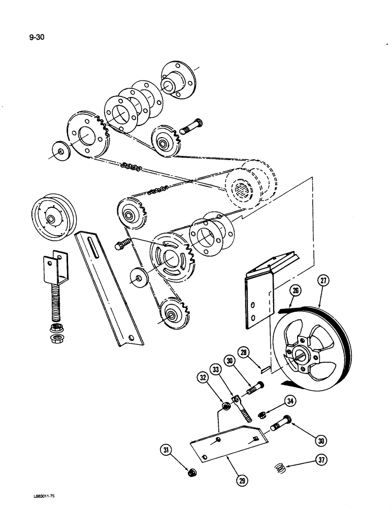
26

567947R2

V-BELT,22.33 mm W

Knife drive 22.33 mm W

1шт.

27

101897C1

PULLEY

- lower roll

1шт.

28

Q72

KEY,5/16" Sq x 1 7/8", Par

- square parallel, 3/8 x 1-7/8 inch

1шт.

29

102084C1

BAR

- idler bracket

1шт.

30

135015C2

CARRIAGE BOLT,Spcl, Short Sq Nk, 1/2" - 13 x 2.25", Full Thd

BOLT - round head short square neck, 1/2 NC x 2-1/4 inch

2шт.

31

131-1153

LOCK NUT,1/2"-13, GC

NUT, LOCK, 1/2"-13, GC

2шт.

32

673585R1

NUT,Flg, 1/2"-13, G5

- hex large flange, 1/2 inch NC

1шт.

33

126531C2

BOLT (SPREADER)

EYEBOLT - 1/2 inch NC

1шт.

34

473197R1

FLANGE NUT

- hex flange lock, 1/2 inch NC

1шт.

598813R1

CARRIAGE BOLT,Sht Sq Nk, 1/2" - 13 x 1", Gr 5

BOLT - round head square neck, 1/2 NC x 1 inch

1шт.

37

353213R2

SPRING

- compression (For 7 foot 1190, prior to P.I.N. 1356) (For 9 foot 1190, prior to P.I.N. 4760)

1шт.

20601R1

WASHER

- flat, 17/32 x 1-1/4 x 7/64 inch

1шт.

Выбрано товаров: 12