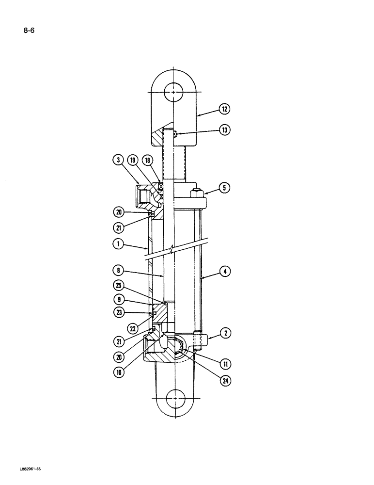
Запчасти Case IH 1190 (8-06) - TONGUE POSITIONING HYDRAULIC CYLINDER, 1190 MOWER CONDITIONER (07) - HYDRAULICS

Схема запчастей Case IH 1190 - (8-06) - TONGUE POSITIONING HYDRAULIC CYLINDER, 1190 MOWER CONDITIONER (07) - HYDRAULICS
FIT
1:1
100%

Артикул

Название

Примечание

Количество

1272146C91

CYLINDER

ASSEMBLY - tongue positioning, 3 bore x 8 inch stroke (Replaces 381854R94)

1шт.

1

NSS

NOT SOLD SEPARAT

BODY - cylinder (Order cylinder assembly)

1шт.

2

1272761C1

HEAD

- rear, cylinder

1шт.

3

1272762C1

HEAD

- front, cylinder

1шт.

4

1272747C1

TIE-ROD,7/16" - 14 x 12.25mm

STUD - tie, cylinder

4шт.

5

129-104

NUT,7/16"-14, G5

4шт.

8

145543C1

ROD

- piston

1шт.

9

145225C2

PISTON

- cylinder

1шт.

10

20268R1

LOCK NUT,7/8"-14, GC

NUT - hex lock, 7/8 inch NF, Grade 8

1шт.

11

9410359

PLUG

- hex, 3/4-16 inch O-ring boss

1шт.

12

145233C1

CLEVIS,1/4" - 12

- rod

1шт.

13

125843

SET SCREW,Hex Skt, 3/8"-16 x 3/8"

SCREW - hex socket set, 3/8 NC x 3/8 inch

1шт.

145453C1

PLUG,Lock, 7.938mm Dia x 3.175mm Thk, Nylon

PAD - insert

1шт.

79976C2

SEAL KIT

KIT - seal

1шт.

18

NSS

NOT SOLD SEPARAT

WIPER - rod

1шт.

19

NSS

NOT SOLD SEPARAT

SEAL - rod

1шт.

20

NSS

NOT SOLD SEPARAT

RING - backup

2шт.

21

NSS

NOT SOLD SEPARAT

O-RING - 2-3/4 ID x 1/8 inch

2шт.

22

NSS

NOT SOLD SEPARAT

O-RING - 2-9/16 ID x 3/32 inch

1шт.

23

NSS

NOT SOLD SEPARAT

SEAL - piston

1шт.

24

237-6008

O-RING,0.087" Thk x 0.644" ID, -908, Cl 6, 90 Duro

8-1, 90 Duro, .644" ID x .087" Thk

1шт.

25

NSS

NOT SOLD SEPARAT

O-RING - piston rod

1шт.

61571C2

HEADED PIN,25.4mm OD x 82.5mm L

PIN - headed, 1 x 3-1/4 inch

2шт.

520175R1

CLIP

PIN - cotter, hair type, 3/16 inch diameter

2шт.

Выбрано товаров: 24