Запчасти Case IH 1590 (9-014) - REEL DRIVE, 1490 AND 1590 MOWER CONDITIONER (03) - CHASSIS/MOUNTED EQUIPMENT

Схема запчастей Case IH 1590 - (9-014) - REEL DRIVE, 1490 AND 1590 MOWER CONDITIONER (03) - CHASSIS/MOUNTED EQUIPMENT
FIT
1:1
100%

Артикул

Название

Примечание

Количество

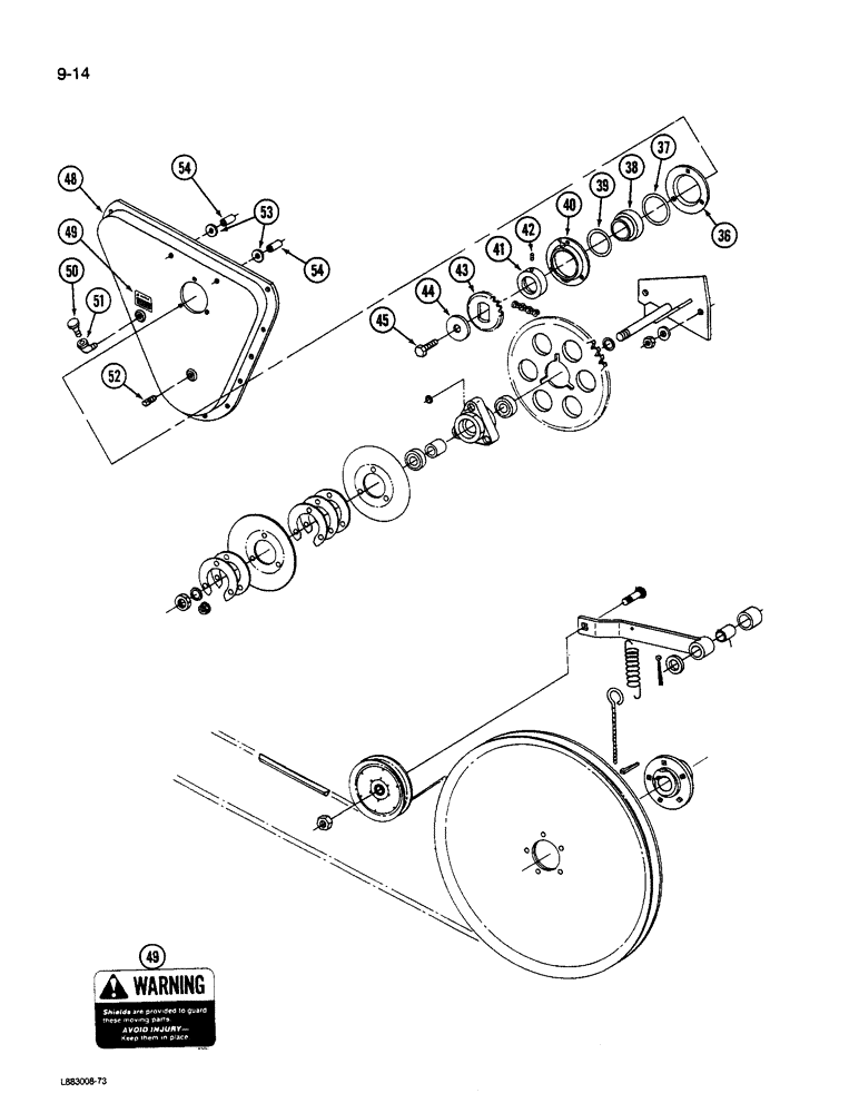
36

473092R1

FLANGED BEARING

- bearing

1шт.

495967R1

CARRIAGE BOLT,Short NK, 3/8"-16 x 1", G5, Full Thd

BOLT - round head square neck, 3/8 NC x 1 inch

3шт.

492-11038

LOCK WASHER,3/8"

3шт.

129-103

NUT,Hex, 3/8" - 16, Gr 5

NUT, 3/8"-16, G5

3шт.

37

606170C1

O-RING

- 2-7/8 ID x 1/8 inch

1шт.

38

96333C1

BALL BEARING,1.3755" ID x 2.8346" OD x 1.484"

ASSEMBLY - ball

1шт.

39

S113612

O-RING

- 1-3/8 ID x 1/16 inch (See Note)

1шт.

Included in motor shaft seal repair kit ZA502995. See Figure 8-30.

1шт.

40

473091R91

FLANGE

- bearing, with grease fitting

1шт.

41

517645R11

COLLAR

ASSEMBLY - locking, bearing, with set screw

1шт.

42

426374

SET SCREW,Hex Soc, 3/8"-16 x 1/2"

SCREW - set, headless hex socket, 3/8 NC x 1/2 inch

1шт.

43

146192C1

SPROCKET ASSY.

SPROCKET - reel drive, 21 tooth

1шт.

44

101936C2

WASHER

- flat, hardened

1шт.

45

26316R1

BOLT,Hex, 1/2" - 13 x 1", Gr 8

- hex lock, 1/2 NC x 1 inch, Grade 8

1шт.

48

ZA502727

HOUSING

ASSEMBLY - chain drive, with decal

1шт.

49

REF

INSTRUCTION

DECAL - warning, keep shields in place (See Figure 9-98)

1шт.

113-206

BOLT,Hex, 3/8" - 16 x 3/4", Gr 5, Full Thd

7шт.

482256R1

BEARING LOCK NUT,Flg, USR, 3/8"-16

- hex flange lock, 3/8 inch NC

1шт.

50

153604H1

BREATHER

- housing

1шт.

51

120702

ELBOW,45 Degree, 3/8" NPT Street

- 45 degree pipe

1шт.

52

445673

PIPE PLUG,Sq Hd, 3/8"-18 NPTF

PLUG - square head pipe, 3/8 inch PT

1шт.

53

614452R1

WASHER

- flat, 13/32 x 1-1/4 x 3/32 inch

2шт.

54

23929S

SPACER,3/8" Pipe x 1 7/8"

- pipe, 1/2 ID x 1-7/8 inch

2шт.

Выбрано товаров: 23