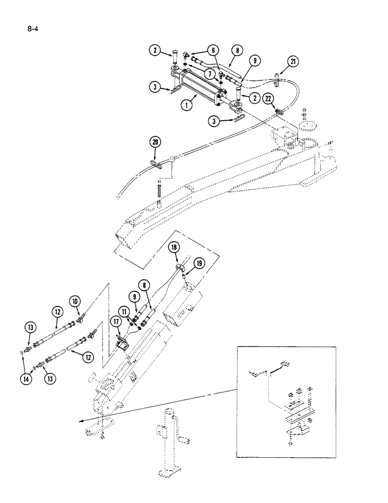
Запчасти Case IH 1590 (8-04) - TONGUE POSITIONING HYDRAULIC SYSTEM, 1490 AND 1590 MOWER CONDITIONER (07) - HYDRAULICS

Схема запчастей Case IH 1590 - (8-04) - TONGUE POSITIONING HYDRAULIC SYSTEM, 1490 AND 1590 MOWER CONDITIONER (07) - HYDRAULICS
FIT
1:1
100%

Артикул

Название

Примечание

Количество

1

REF

INSTRUCTION

CYLINDER ASSEMBLY - tongue positioning (See Pages 8-11 and 8-13)

1шт.

2

REF

INSTRUCTION

PIN - clevis (See Pages 8-11 and 8-13)

2шт.

3

REF

INSTRUCTION

PIN - cotter, hair type (See Pages 8-11 and 8-13)

2шт.

6

935036R91

ELBOW

- 90 degree adjustable, 9/16-18 flared x 3/4-16 inch O-ring boss

2шт.

7

237-6008

O-RING,0.087" Thk x 0.644" ID, -908, Cl 6, 90 Duro

8-1, 90 Duro, .644" ID x .087" Thk

2шт.

8

139522C2

HOSE

ASSEMBLY - 3/8 ID x 255 inch (Replaces ZA502551)

1шт.

9

1284314C1

HYDRAULIC HOSE

HOSE ASSEMBLY - 3/8 ID x 235 inch (Replaces ZA502642)

1шт.

10

208702C1

ELBOW

ASSEMBLY - bulkhead, 45 degree, 9/16-18 inch flared

2шт.

11

9403293

LOCK NUT,Blkhd, 9/16"-18

NUT - bulkhead hex lock, 9/16-18 inch

1шт.

12

ZA502552

HYDRAULIC HOSE

HOSE ASSEMBLY - 3/8 ID x 67 inch

2шт.

13

ZA502998

FITTING

RESTRICTOR ASSEMBLY - 3/4-16 flared x 3/4-16 inch O-ring boss

2шт.

14

237-6008

O-RING,0.087" Thk x 0.644" ID, -908, Cl 6, 90 Duro

8-1, 90 Duro, .644" ID x .087" Thk

1шт.

17

ZA502575

BRACKET

- tube mounting

1шт.

598809R1

CARRIAGE BOLT,Sht Sq Nk, 3/8" - 16 x 3/4", Gr 5

BOLT - round head square neck, 3/8 NC x 3/4 inch

2шт.

120377

NUT,3/8" - 16, Gr 5

2шт.

18

ZA502757

CLAMP

- hose

3шт.

19

73675R1

SPACER - 1/2 ID x 1-3/16 inch

3шт.

200891C1

LOCK NUT

- hex flange lock, 3/8 inch NC

3шт.

20

289862C1

CABLE TIE,3/16" x 7"

STRAP - tie, 7 inch

1шт.

21

306132C1

CABLE TIE,14.5" L

STRAP - tie, 14 inch

1шт.

22

1336820C1

CLAMP

- tube

1шт.

180122

BOLT,Hex, 3/8" - 16 x 1", Gr 5

- hex, 3/8 NC x 1 inch

1шт.

120382

LOCK WASHER,Helical Spring, 3/8"

WASHER, LOCK, 3/8"

1шт.

Выбрано товаров: 23