Запчасти Case IH 3309 (9-28) - REAR DRIVE SHAFT, P.I.N. CCB0002786 AND AFTER (03) - CHASSIS/MOUNTED EQUIPMENT

Схема запчастей Case IH 3309 - (9-28) - REAR DRIVE SHAFT, P.I.N. CCB0002786 AND AFTER (03) - CHASSIS/MOUNTED EQUIPMENT
FIT
1:1
100%

Артикул

Название

Примечание

Количество

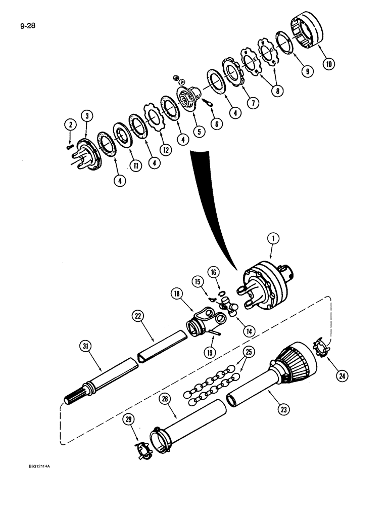
ZA527662

PTO

SHAFT ASSEMBLY - PTO rear half with shield

1шт.

1

ZA527657

CLUTCH

ASSEMBLY - rear drive shaft

1шт.

2

ZA527540

SCREW

BOLT - hex socket

8шт.

3

ZA527658

YOKE

- flanged

1шт.

4

ZA527541

DISC

LINING - splined, Serial Range: hub-yoke

4шт.

5

ZA527543

HUB

- splined

1шт.

6

ZA502119

PIN

- tapered with nut and washer

1шт.

7

ZA502120

PLATE

- tightening

1шт.

8

ZA527544

SPRING

- tightening plate adjusting

2шт.

9

ZA502122

OIL SEAL

RING - screening

1шт.

10

ZA527545

CLUTCH

BODY - clutch outer

2шт.

11

ZA527542

LARGE PLATE

PLATE - friction

1шт.

12

ZA502117

LARGE PLATE

PLATE - inner

1шт.

14

700707171

CROSS

KIT - cross and bearing

1шт.

15

700707193

NIPPLE, LUBE

FITTING - grease

1шт.

16

NSS

NOT SOLD SEPARAT

RING - retaining

4шт.

18

700707172

TUBE

YOKE - inner tube

1шт.

19

700707194

PIN

- roll

1шт.

22

ZA527655

TUBE

- inner

1шт.

23

ZA527666

SHIELD

ASSEMBLY - rear half

1шт.

24

700707188

INNER SHIELD

BEARING - inner shield

1шт.

25

ZA527088

CHAIN (AG)

CHAIN - shield

2шт.

ZA527660

PTO

SHAFT ASSEMBLY - PTO front half with shield

1шт.

28

ZA527664

SHIELD

ASSEMBLY - front half

1шт.

29

ZA527132

SHIELD

BEARING - outer shield

1шт.

31

ZA527656

TUBE

ASSEMBLY - outer, not available for service, order ZA527660 shaft assembly

1шт.

33

700707175

NUT

COLLAR - grease, not shown

1шт.

Выбрано товаров: 27