Запчасти Case IH 8380 (3-04) - SICKLE ASSEMBLY (09) - CHASSIS

Схема запчастей Case IH 8380 - (3-04) - SICKLE ASSEMBLY (09) - CHASSIS
3
10
16
8
19
2
16
6
2
11
15
13
7
3
9
22
14
18
20
17
5
4
21
23
4
1
12
17
FIT
1:1
100%

Артикул

Название

Примечание

Количество

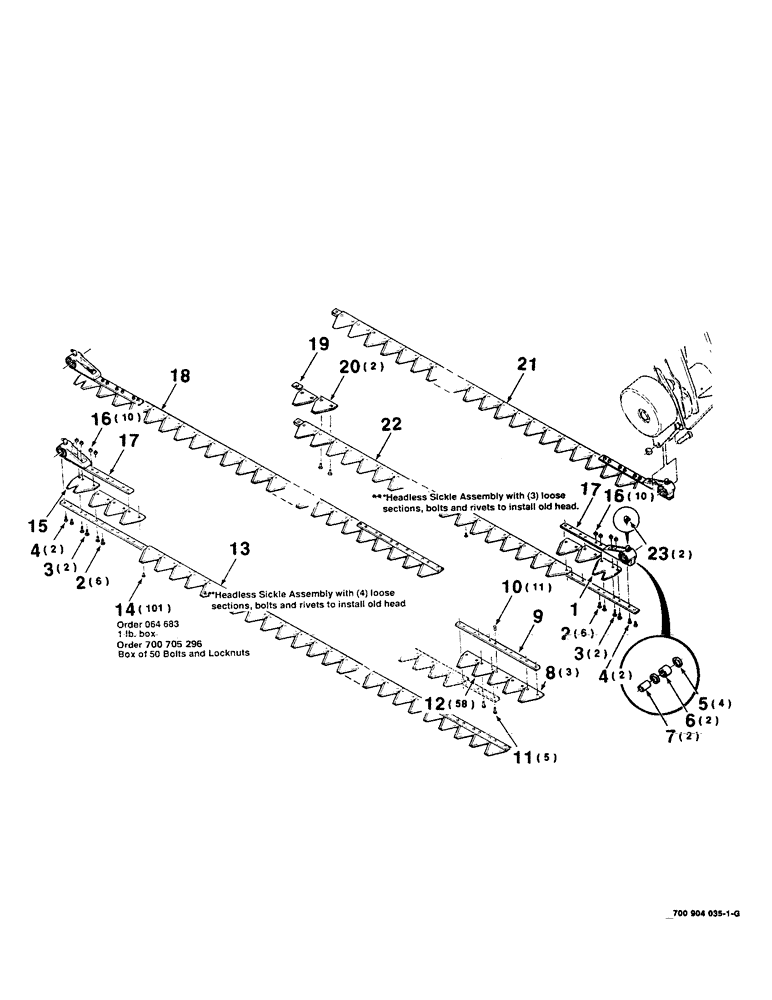
1

700705462

KNIFE SECTION

SECTION - double, head end, left

1шт.

2

700705297

KIT

BOX OF 25 BOLTS AND LOCKNUTS

12шт.

3

700706479

BOLT AND NUT

BOX OF 25 BOLTS AND LOCKNUTS

4шт.

4

28-48

BOLT,Hex, 1/4" - 28 x 1/2", Gr 8

1/4-28 X 1/2 C, grade 8

4шт.

5

697494R91

OIL SEAL

SEAL, grease

4шт.

6

B18254

NEEDLE BEARING,Needle, 25.4mm ID x 31.75mm OD x 25.4mm W

BEARING - needle

2шт.

7

700114599

BUSHING,16.27mm ID x 25.55mm OD x 38mm L

- sickle head

2шт.

8

51200281

KNIFE SECTION

SECTION - sickle

3шт.

9

700114605

EXTENSION

BAR - sickle, extension

1шт.

The newer style bar with the counter sunk holes is number 700715218.

1шт.

10

64469

RIVET,Oval Hd, .211" x 7/16"

NO. 5-1/2 X 7/16 OVAL HEAD RIVET (Order 064923 1lb box)

11шт.

11

64071

RIVET

NO. 5-1/2 X 7/8 OVAL HEAD RIVET (Order 064691 1lb box)

5шт.

12

700705300

KNIFE SECTION

SECTION - sickle, top serrated (Packaged 25 per box)

58шт.

13

700114895

KNIFE

SICKLE ASSEMBLY - right top serrated (Less head-riveted)

1шт.

700715168

KNIFE ASSY

SICKLE ASSEMBLY - right top serrated (Bolt-On)

1шт.

14

990817R91

RIVET

NO. 5-1/2 X 9/16 DUAL HEAD RIVET (Order 064683 1lb box)

101шт.

700708646

BOLT AND NUT,Slotted, Btn Hd, #12 - 24 x 5/8"

NO. 12-24 X 5/8 BOLT (Order 700705296 box of bolts) (10201)

1шт.

15

700705463

KNIFE SECTION

SECTION - double, head end, right

1шт.

16

1954816C1

LOCK NUT

NO 12-24 LOCKNUT

20шт.

17

700114594

KNIFE HEAD

SICKLE HEAD

2шт.

18

700114593

KNIFE

SICKLE ASSEMBLY - right top serrated (Riveted)

1шт.

700715168

KNIFE ASSY

SICKLE ASSEMBLY - right top serrated (Bolt-On)

1шт.

19

6821052

SHIM

wear section

1шт.

20

51200279

KNIFE SECTION

SECTION - sickle, side serrated (Countersunk drill from top)

2шт.

21

700114592

KNIFE

SICKLE ASSEMBLY - left top serrated (Riveted)

1шт.

22

700114894

KNIFE

SICKLE ASSEMBLY - left top serrated (Less head)

1шт.

700715167

KNIFE ASSY

SICKLE ASSEMBLY - left top serrated (Bolt-On)

1шт.

23

219-93

LUBE NIPPLE,90 Degree Elbow, 1/4" - 28 NPTF

2шт.

Выбрано товаров: 28