Запчасти Case IH SC101 (31.146.01) - POWER TAKE OFF (31) - IMPLEMENT POWER TAKE OFF

Схема запчастей Case IH SC101 - (31.146.01) - POWER TAKE OFF (31) - IMPLEMENT POWER TAKE OFF
12
10
16
15
14
3
16
4
1
8
2
9
13
15
8
5
11
6
FIT
1:1
100%

Артикул

Название

Примечание

Количество

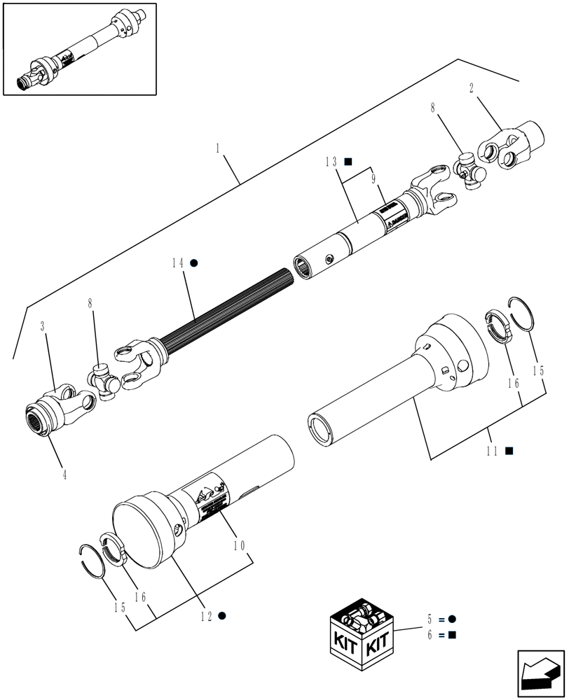
1

87035544

PTO SHAFT

1шт.

2

87750765

YOKE

1шт.

3

87753616

YOKE

Spring-Lok, 1-3/8" 1000 RPM

1шт.

3

84141278

YOKE

Spring-Lok, 1-3/4" 1000 RPM

1шт.

Service Option Only

1шт.

4

9612265

REPAIR KIT

Spring-Lok, 1-3/8" 1000 RPM

1шт.

4

86539714

REPAIR KIT

Spring-Lok, 1-3/4" 1000 RPM

1шт.

5

87750766

PTO

Half w/ Full Guard, Front

1шт.

6

87750767

PTO

Half w/ Full Guard, Rear

1шт.

7

86520902

REPAIR KIT

Shield

1шт.

8

87049178

BEARING ASSY

& Bearing Kit

2шт.

9

849472

DANGER DECAL

English

1шт.

9

849483

DANGER DECAL

French

1шт.

Locate French Decal Adjacent to English Decal Where Possible. Install French Decal Over English Decal Where Necessary.

1шт.

10

849471

DANGER DECAL

English

1шт.

10

849482

DANGER DECAL

French

1шт.

Locate French Decal Adjacent to English Decal Where Possible. Install French Decal Over English Decal Where Necessary.

1шт.

11

NSS

NOT SOLD SEPARAT

Shield, Inner

1шт.

12

NSS

NOT SOLD SEPARAT

Shield, Outer

1шт.

13

NSS

NOT SOLD SEPARAT

Yoke & Shaft

1шт.

14

NSS

NOT SOLD SEPARAT

Yoke & Shaft

1шт.

15

NSS

NOT SOLD SEPARAT

Shield Nut

2шт.

16

NSS

NOT SOLD SEPARAT

Retaining Ring

2шт.

17

47987228

GUARD

Set (Not Shown) Applies to Sub 47987228

1шт.

Выбрано товаров: 24