burger
mini logo mini logo

Качественные детали и логистика

zakaz@partsell.ru 8 (800) 777-65-74
  • Написать в whatsapp
  • Каталог
  • Справочники
  • Сервисным и ремонтным
    организациям
  • Поставщикам запчастей
  • Контакты
Заказать запчасти ()

Оригинальные и аналоговые запчасти с доставкой по России, Казахстану и Беларуси

©2022 PartSell
ООО "Система"
ИНН 2463123282
ОГРН 1212400004838


Центральный офис: г. Красноярск, Академика Киренского, д.87, пом.4

Телефон: 8 (800) 777-65-74
Email: zakaz@partsell.ru

8 (800) 777-65-74 zakaz@partsell.ru
Главная
/
Справочники
/
Case IH
/
Сеноуборочное и фуражное оборудование
/
Косилки-концидионеры
/
PIVOT TONGUE
/
(SC414) - CASE IH DELUXE CENTER PIVOT MOWER CONDITIONER (1/99-12/00)
/
(00) - PICTORIAL INDEX
/

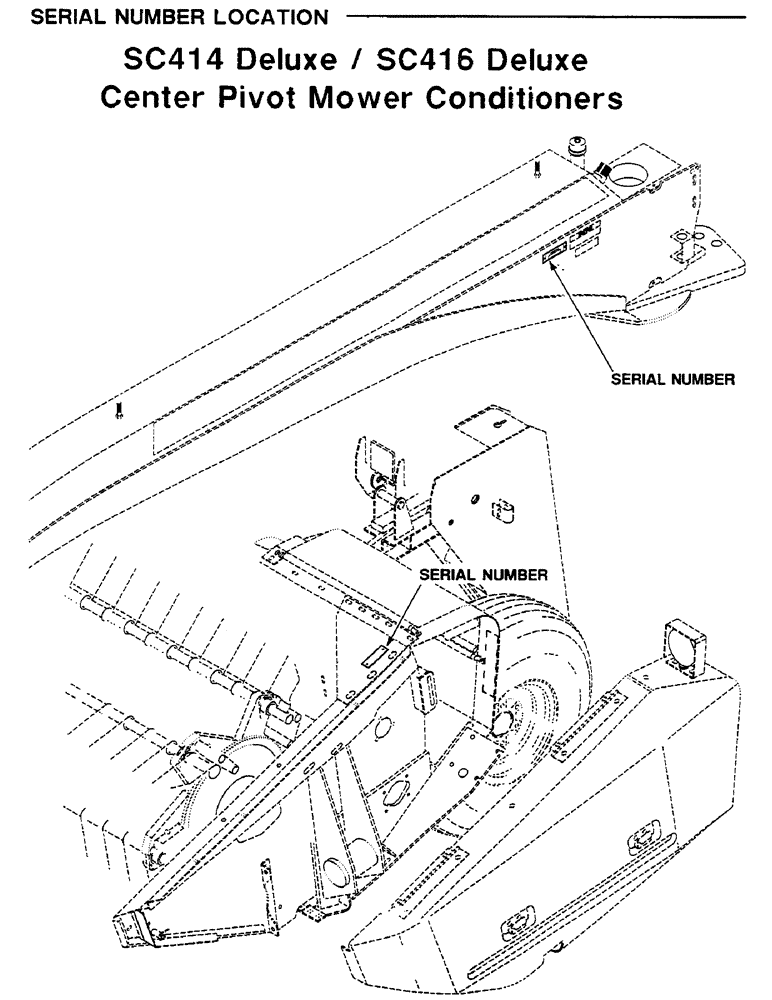
(1-2) - SERIAL NUMBER LOCATION

Запчасти Case IH SC414 (1-2) - SERIAL NUMBER LOCATION (00) - PICTORIAL INDEX

Схема запчастей Case IH SC414 - (1-2) - SERIAL NUMBER LOCATION (00) - PICTORIAL INDEX
FIT
1:1
100%