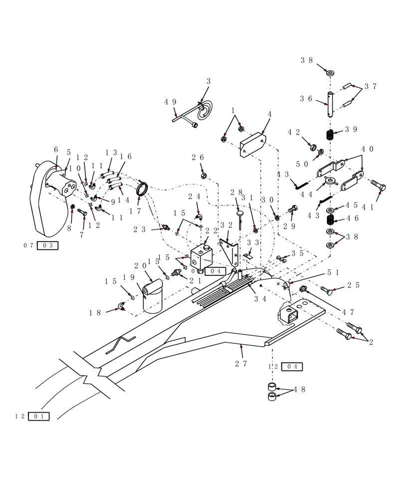
Запчасти Case IH SCX100 (12.02) - TONGUE, REAR (12) - MAIN FRAME

Схема запчастей Case IH SCX100 - (12.02) - TONGUE, REAR (12) - MAIN FRAME
44
46
35
24
7
21
42
11
20
51
12
31
8
28
36
23
43
15
22
12
11
38
13
5
18
15
16
9
43
50
1
33
38
29
45
19
47
4
26
32
17
41
25
30
10
48
14
27
37
15
6
3
15
34
49
2
40
39
07.04
12.04
12.01
07.03
FIT
1:1
100%

Артикул

Название

Примечание

Количество

1

231-5344

FLANGE NUT,Flg, 1/4"-20

2шт.

2

458-412

BOLT,Hex, 1/4" - 20 x 3/4", Gr 5

2шт.

3

263117

CABLE TIE,292.1mm L, Nylon, Black

CABLE STRAP

1шт.

4

86561136

MODULE

Lighting

1шт.

5

86516482

HYDRAULIC MOTOR

High Torque; Refer To Component Breakdown, Fig. 07.03[1]

1шт.

Prior to PIN HAJ0011284

1шт.

5

86837566

HYDRAULIC MOTOR

44 CC; Refer To Component Breakdown, Fig. 07.03[2]

1шт.

After PIN HAJ0011284

1шт.

5

86837566R

REMAN-HYD MOTOR

SCX100 (9/01-9/08)

1шт.

5

86837566C

CORE-MOTOR HYDRAULIC

Return Number

1шт.

5

87298004

REMAN-HYD MOTOR

SCX100 ASN HAJ001184

1шт.

5

87298005

CORE-MOTOR HYDRAULIC

Return Number

1шт.

6

238-5045

O-RING,0.07" Thk x 3.989" ID, -45, Cl 5, 75 Duro

1шт.

7

413-824

BOLT,Hex, 1/2" - 13 x 1-1/2", Gr 5

2шт.

8

80679

LOCK WASHER,1/20.507 CST ZND

2шт.

9

218-5135

ELBOW,45 Degree Elbow, 9/16" - 18 Male JIC x 9/16" - 18 Male ORB

Incl. Ref. 10

1шт.

Prior to PIN HAJ0011284

1шт.

9

218-5281

ELBOW,90 Degree, 9/16"-18, 37 Degree x 9/16"-18, O-Ring

Includes: Ref. 10

1шт.

After PIN HAJ0011284

1шт.

10

237-6006

O-RING,0.078" Thk x 0.468" ID, -906, Cl 6, 90 Duro

1шт.

Prior to PIN HAJ0011284

1шт.

10

237-6010

O-RING,0.097" Thk x 0.755" ID, -910, Cl 6, 90 Duro

1шт.

After PIN HAJ0011284

1шт.

11

218-5124

ELBOW,90 Degree Elbow, 1-5/16" - 12 Male JIC x 1-1/16" - 12 Male ORB

Incl. Ref 12

2шт.

Prior to PIN HAJ0011284

1шт.

11

218-5050

HYD CONNECTOR,1-5/16" - 12 Male JIC x 1-1/16" - 12 Male ORB

2шт.

After PIN HAJ0011284

1шт.

12

237-6012

O-RING,0.116" Thk x 0.924" ID, -912, Cl 6, 90 Duro

2шт.

13

86514938

FLEXIBLE HOSE,25.4mm ID x 2159mm L, SAE 100R4

1" ID x 85", One Female Swivel End & One Straight End, Includes: Ref. 15"

1шт.

Prior to PIN HAJ0011284

1шт.

13

86900301

FLEXIBLE HOSE,25.4mm ID x 2247.9mm L, SAE 100R4

1шт.

After PIN HAJ0011284

1шт.

14

86514937

HOSE

1" ID x 89", Both Ends Are Female Swivel

1шт.

Prior to PIN HAJ0011284

1шт.

14

86900300

FLEXIBLE HOSE,25.4mm ID x 2349.5mm L, SAE 100R12

1шт.

After PIN HAJ0011284

1шт.

15

237-6016

O-RING,0.116" Thk x 1.171" ID, -916, Cl 6, 90 Duro

4шт.

16

86515948

HOSE,0.38" ID x 112.00", SAE J516

1шт.

Prior to PIN HAJ0011284

1шт.

16

86900302

FLEXIBLE HOSE,0.38" ID x 115.50", SAE 100R6

1шт.

After PIN HAJ0011284

1шт.

17

527350

STRAP

1/2" x 20"

6шт.

18

624145

ELBOW

Adapter, Includes: Ref. 15

1шт.

19

86632018

HYDRAULIC OIL FILTER

1шт.

20

86514933

HOUSING

1шт.

21

9790605

HYD CONNECTOR

Includes: (2) Ref. 15

1шт.

22

87394354

VALVE, PRESSURE RELI

EF Valve, Relief; For Component Breakdown, See Fig. 07.04

1шт.

23

218-5069

HYD CONNECTOR,1-5/16" - 12 Male JIC x 1-5/16" - 12 Male ORB

Incl. Ref. 15

1шт.

24

218-5110

ELBOW,90 Degree Elbow, 1-5/16" - 12 Male JIC x 1-5/16" - 12 Male ORB

Incl. Ref 15

1шт.

25

88682

CARRIAGE BOLT,Short Nk, 3/8"-16 x 1", Gr 5

2шт.

26

425-286

FLANGE NUT,Flg, 3/8"-16, G5

2шт.

27

86632676

TOW BAR

Includes: Decals

1шт.

28

86632704

DIPSTICK

1шт.

29

413-516

BOLT,Hex, 5/16" - 18 x 1", Gr 5

2шт.

30

492-11031

LOCK WASHER,5/16"

2шт.

31

495-21038

WASHER,5/16"

2шт.

32

86632705

ANGLE

1шт.

33

768999

CLAMP

1шт.

34

87023197

PAD

1шт.

35

218-774

PLUG,9/16"-18, 37 Degree

3шт.

36

86627559

PIN

1шт.

37

38-11628

LOCK PIN,1/4" x 1 3/4", Slotted

2шт.

38

142656

WASHER,33.35mm ID x 47.63mm OD x 3.43mm Thk

2шт.

39

35324

SPRING

1шт.

40

690605

HANDLE

2шт.

41

86521551

BOLT,Hex, 5/16" - 18 x 1/2", Gr 5

1шт.

42

425-285

FLANGE NUT,Flg, 5/16"-18, G5

1шт.

43

432-88

COTTER PIN,1/8" x 1/2"

2шт.

44

86618985

ROD

1шт.

45

696508

WASHER,33.3mm ID x 88.9mm OD x 3.43mm Thk

1шт.

46

48176

SPRING

1шт.

47

219-87

LUBE NIPPLE,1/4" - 28 NPTF

1шт.

48

86515632

DRIVE BUSHING,102.13mm ID x 114.25mm OD x 76.2mm L

2шт.

49

86560342

WIRE HARNESS

For Connectors, See Fig. 06.01

1шт.

50

322358

BELLEVILLE WASHER,M8 Bolt Size x 18mm OD x 1.4mm Thk

1шт.

51

515-23127

CLAMP,1/2", Insul, 3/8" Bolt

1шт.

Выбрано товаров: 76