Запчасти Case IH SCX100 (07.11) - HYDRAULIC CYLINDER, TILT, 87018040 & 87058437 (35) - HYDRAULIC SYSTEMS

Схема запчастей Case IH SCX100 - (07.11) - HYDRAULIC CYLINDER, TILT, 87018040 & 87058437 (35) - HYDRAULIC SYSTEMS
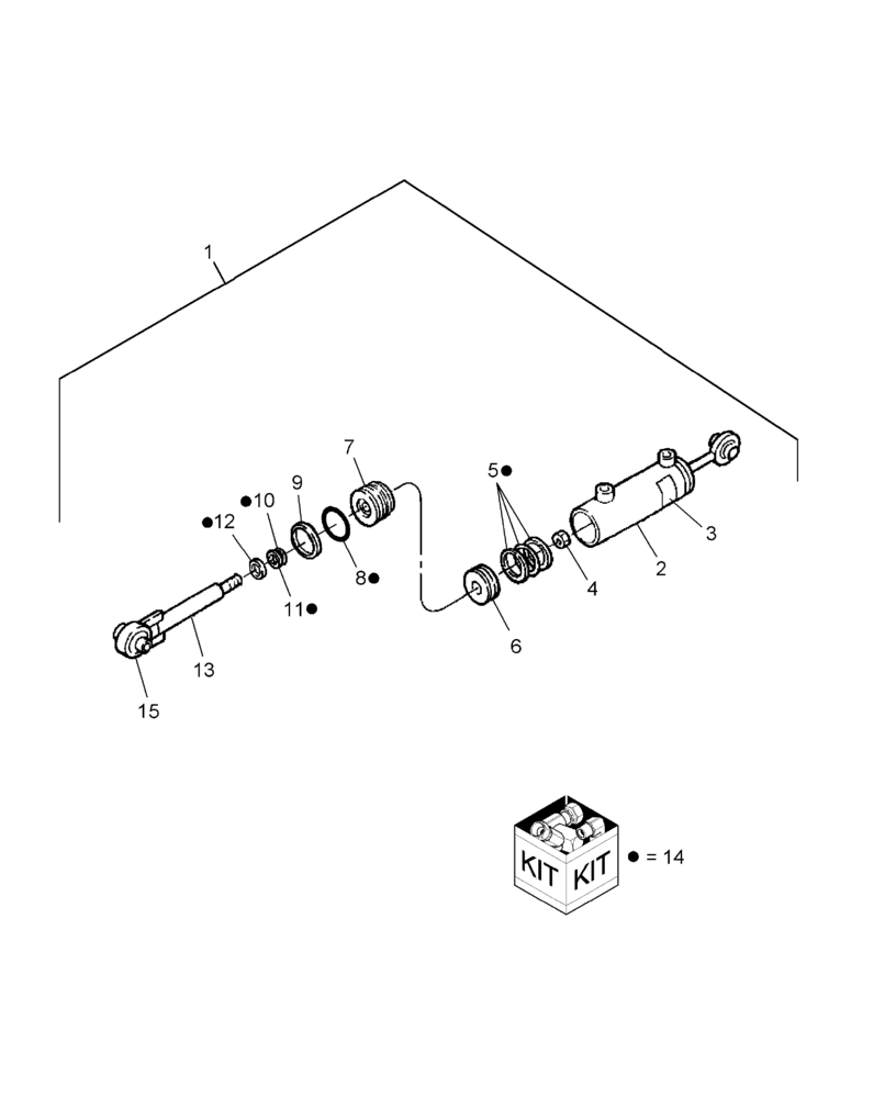
2
13
3
10
5
7
14
8
1
6
15
4
11
9
12
FIT
1:1
100%

Артикул

Название

Примечание

Количество

1

87018040

HYDRAULIC CYLINDER

Tilt, Monarch

1шт.

2

NSS

NOT SOLD SEPARAT

Barrel

1шт.

3

86541452

DECAL

Tilt Gauge

1шт.

4

88130

NUT,1/2"-20, GC

1шт.

5

86553483

SEAL

3 Piece, Piston

1шт.

6

87026023

PISTON

1шт.

7

87026022

HEAD

Cylinder

1шт.

8

238-5224

O-RING,0.139" Thk x 1.734" ID, -224, Cl 5, 75 Duro

1шт.

9

270103

BACK-UP RING,45.01mm ID x 51mm OD x 1.27mm Thk

Backup, 1.772" ID x .043" Thk

1шт.

10

9826108

SEAL,19.28mm ID x 25.2mm OD x 5.03mm Thk

1шт.

11

87042816

BACK-UP RING

1шт.

12

514100

OIL SEAL

Wiper

1шт.

13

87026024

PISTON ROD

1шт.

14

87029891

SEAL KIT

Includes: Ref.s 5, 8 - 10, & 12

1шт.

15

87580646

BUSHING,19.05mm ID x 34.92mm OD x 34.92mm L

Bushing, Spring (Rod)

2шт.

Not shown

1шт.

Выбрано товаров: 16