Качественные детали и логистика

zakaz@partsell.ru 8 (800) 777-65-74
  • Написать в whatsapp
  • Каталог
  • Справочники
  • Сервисным и ремонтным
    организациям
  • Поставщикам запчастей
  • Контакты
Заказать запчасти

Оригинальные и аналоговые запчасти с доставкой по России, Казахстану и Беларуси

©2022 PartSell
ООО "Система"
ИНН 2463123282
ОГРН 1212400004838


Центральный офис: г. Красноярск, Академика Киренского, д.87, пом.4

Телефон: 8 (800) 777-65-74
Email: zakaz@partsell.ru

8 (800) 777-65-74 zakaz@partsell.ru
Главная
/
Справочники
/
Case IH
/
Сеноуборочное и фуражное оборудование
/
Косилки-концидионеры
/
ROLL
/
(DC162) - PULL-TYPE MOWER CONDITIONER - ROLLS (10/08-12/13)
/
(03) - MAIN GEARBOX
/

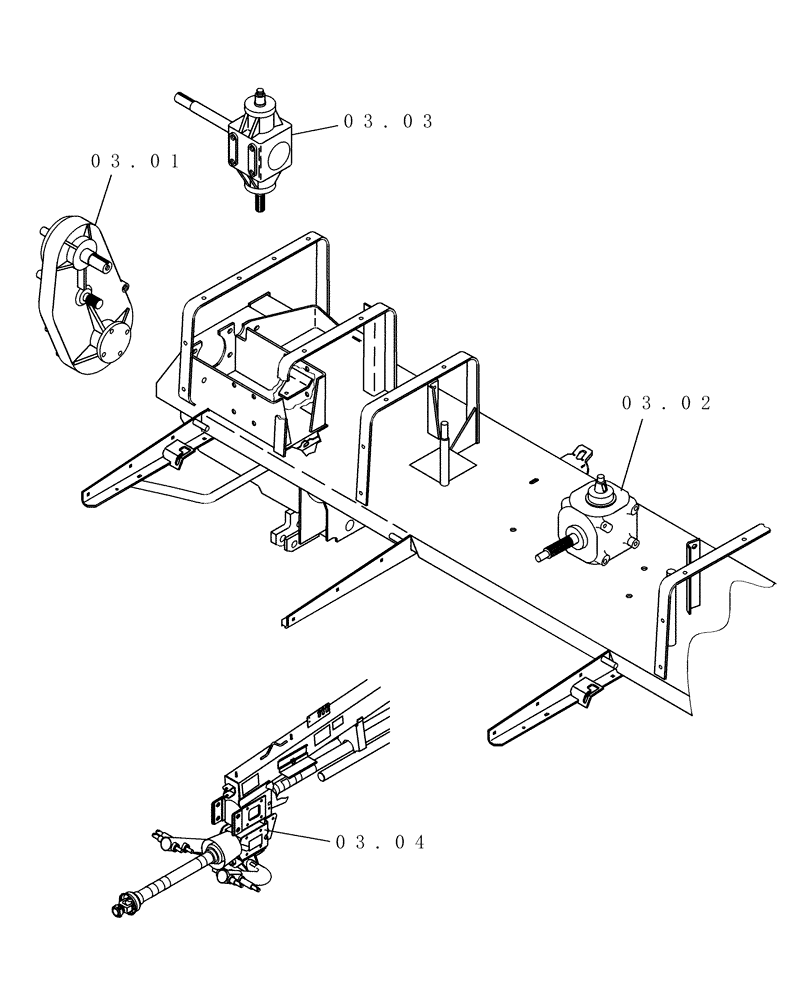
(03.00) - GEARBOXES - PICTORIAL INDEX

Запчасти Case IH DC162 (03.00) - GEARBOXES - PICTORIAL INDEX (03) - MAIN GEARBOX