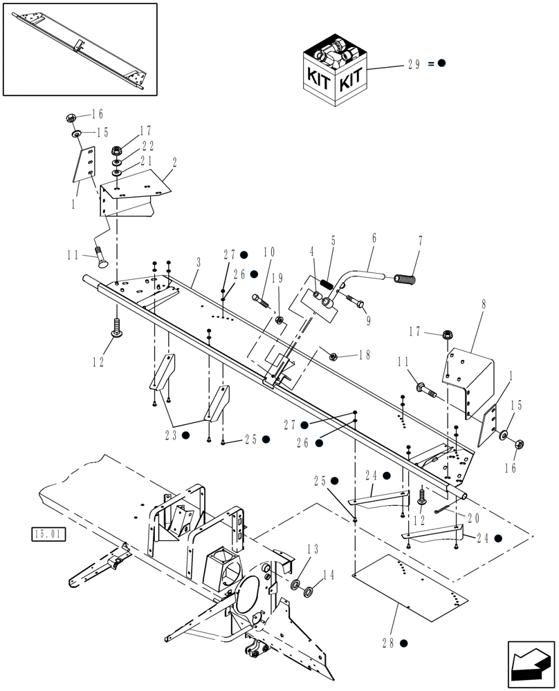
Запчасти Case IH DC162 (08.05) - SWATHGATE COMPONENTS (08) - SHEET METAL

Схема запчастей Case IH DC162 - (08.05) - SWATHGATE COMPONENTS (08) - SHEET METAL
9
17
24
8
1
18
16
14
26
27
7
13
23
15.01
21
29
15
16
11
28
2
25
27
24
26
20
17
6
22
15
19
10
12
4
1
11
12
3
5
25
FIT
1:1
100%

Артикул

Название

Примечание

Количество

1

86506232

DEFLECTOR

2шт.

2

86632290

DEFLECTOR

RH

1шт.

3

86639650

GATE ASSY

1шт.

4

285505

SPACER

1шт.

5

86628837

SPRING,Compression, 23mm OD x 57.15mm L

1шт.

6

86639636

HANDLE

1шт.

7

185350

HANDLE GRIP

1шт.

8

86632291

DEFLECTOR

LH

1шт.

9

9637417

BOLT,Hex, 1/2" - 13 x 3 1/2", Gr 5

1шт.

10

86521618

BOLT,Hex, 1/2" - 13 x 2 1/2", Gr 5

1шт.

11

88832

CARRIAGE BOLT,Sq Nk, 1/4" - 20 x 3/4", Gr 5, Full Thd

6шт.

12

80280503

CARRIAGE BOLT,Sht Sq Nk, 3/8" - 16 x 1", Gr 5, Full Thd

8шт.

13

9800957

WASHER,35.81mm ID x 50.8mm OD x 1.52mm Thk

4/ARшт.

14

214539

WASHER,34.9mm ID x 50.8mm OD x 0.51mm Thk

4/ARшт.

15

80701

WASHER,0.31" ID x 0.73" OD x 0.07" Thk

6шт.

16

9626558

FLANGE NUT,Flg, 1/4"-20

6шт.

17

86521606

FLANGE NUT,Hex, 3/8" - 16, Gr 5

8шт.

18

86521607

FLANGE NUT,Flg, 1/2"-13, G5

1шт.

19

86521610

FLANGE NUT,Flg, 1/2"-13

1шт.

20

87399

COTTER PIN,1/2 x 3 Bolt

2шт.

21

285072

WASHER,10.3mm ID x 22.2mm OD x 2.7mm Thk

(3/8")

8шт.

22

140045

BELLEVILLE WASHER,M10 Bolt Size x 22mm OD x 1.6mm Thk

8шт.

23

86606982

FIN

RH

2шт.

24

86606983

FIN

LH

2шт.

25

280497

CARRIAGE BOLT,Short Sq Nk, 5/16" - 18 x 3/4", Gr 5, Full Thd

8шт.

26

322358

BELLEVILLE WASHER,M8 Bolt Size x 18mm OD x 1.4mm Thk

8шт.

27

86521605

FLANGE NUT,5/16"-18, Cl 5

8шт.

28

NSS

NOT SOLD SEPARAT

Template

1шт.

29

84267895

KIT

Swathgate Fins, Includes Instructions

1шт.

Выбрано товаров: 29