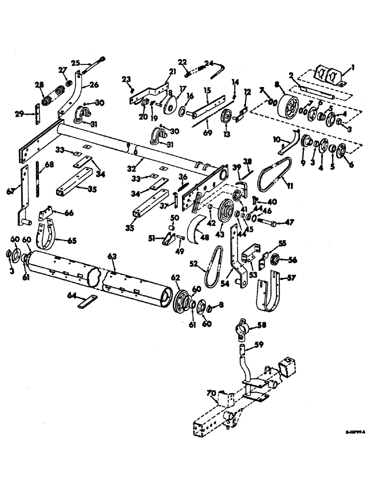
Запчасти Case IH 816 (G-10) - POWER FLICK BAR

Схема запчастей Case IH 816 - (G-10) - POWER FLICK BAR
FIT
1:1
100%

Артикул

Название

Примечание

Количество

1

487448R1

SUPPORT ASSY, brg

1шт.

180194

BOLT,Hex, 1/2" - 13 x 4", Gr 5

SCREW, 1/2-13 x 4 C-Z hex-hd cap

2шт.

178373R1

WASHER

17/32 x 1 x 16 ga C-Z

2шт.

487374R1

BEARING LOCK NUT,Flg, USR, 1/2"-13

1/2-13 C-Z whiz flange lock

2шт.

2

487438R1

SHAFT, rear drive pulley

1шт.

479370R1

KEY,1/4" Sq x 2", Par

1/4 x 2 sq parallel

1шт.

113782

KEY

1/4 x 1 Woodruff 15

1шт.

3

455102R21

COLLAR

W/SET SCREW, locking

4шт.

4

937518R91

FLANGE

W/LUB FITTING, brg

2шт.

180077

BOLT,Hex, 5/16" - 18 x 3/4", Gr 5

SCREW, 5/16-18 x 3/4 C-Z hex-hd mach

6шт.

938017R1

FLANGE NUT,Flg, USR, 5/16"-18

5/16-18 C-Z whiz flange lock

6шт.

5

482303R92

BALL BEARING,1.0005" ID x 52 mm OD x 0.84375"

self aligning re-lub ball

2шт.

6

937517R1

FLANGE

brg

2шт.

7

Q3481

WASHER

1-1/32 x 1-1/2 x 16 ga

10шт.

7

615226R1

WASHER

1-1/32 x 1-1/2 x 22 ga, 2 or as required

1шт.

8

487450R1

PULLEY, jackshaft

1шт.

9

487432R1

PULLEY, rear drive

1шт.

553686R1

LOCK PIN,3/16" x 1 1/2", Slotted

Pin, 3/16" x 1 1/2", Slotted

1шт.

10

487442R1

SHIELD ASSY, rear

1шт.

413-410

BOLT,Hex, 1/4" - 20 x 5/8", Gr 5

SCREW, 1/4-20 x 5/8 C-Z hex-hd cap

2шт.

413-412

BOLT,Hex, 1/4" - 20 x 3/4", Gr 5

SCREW, 1/4-20 x 11/16 C-Z hex-hd cap

1шт.

120392

WASHER,1/4", SAE

9/32 x 5/8 x .051 C-Z

3шт.

97865H

WASHER

9/32 x 7/8 x 16 ga C-Z

1шт.

480891R1

NUT

1/4-20 cd-pltd small flange uni-torque hex.

3шт.

11

487456R1

V-BELT

A section

1шт.

12

487440R1

BAR ASSY, idler

1шт.

180123

BOLT,Hex, 3/8" - 16 x 1 1/8", Gr 5, Full Thd

SCREW, 3/8-16 x 1-1/8 C-Z hex-hd cap

2шт.

482256R1

BEARING LOCK NUT,Flg, USR, 3/8"-16

3/8-16 C-Z whiz flange lock

2шт.

13

487408R1

PULLEY, belt idler

1шт.

14

HOOK, purchase locally, no. 6 ga 1-11/16 inside length (NSS)

1шт.

15

487886R1

ARM ASSY, LH

1шт.

550831R1

WASHER, 21/32 x 1-3/4 x 16 ga

2шт.

350515R1

WASHER

21/32 x 1 x 16 ga

2шт.

21270R1

WASHER, 21/32 x 1-1/2 x 16 ga, or as required

2шт.

432-1216

COTTER PIN,3/16" x 1"

Pin, Split (Cotter), 3/16" x 1"

1шт.

16

487379R1

NUT

GASKET, cam

1шт.

17

487377R1

CAM, lifting

1шт.

18

W6001

PIN, 3/8 x 15/16 std-hd

1шт.

103384

COTTER PIN,1/8" x 3/4"

Pin, Split (Cotter), 1/8" x 3/4"

1шт.

469668R1

WASHER

13/32 x 3/4 x 16 ga C-Z

1шт.

19

487416R1

SPRING, torsion

1шт.

20

487378R1

LATCH, lifting

1шт.

21

487439R1

ARM ASSY, RH

1шт.

22

487399R1

SPRING, extension

1шт.

23

515012R1

HOOK, S no. 9

1шт.

24

487895R1

ROD, special

1шт.

482161R1

NUT

7/16-14 whiz flange lock

2шт.

25

565171R1

BOLT,Hex, 1/2" - 13 x 10"

1/2-13 x 10 - spring tightening

1шт.

120378

NUT,Hex, 1/2" - 13, Gr 5

NUT, 1/2"-13, G5

1шт.

26

487425R1

SUPPORT, angle

1шт.

181703

SPARE PART

SCREW, 1/2-20 x 1-7/8 C-Z hex-hd cap

2шт.

21585D

WASHER

17/32 x 1-3/4 x 7 ga

1шт.

27

483889R1

PLUG, spring

1шт.

28

483887R2

SPRING, extension

1шт.

29

487424R1

BAR, spring mount

1шт.

30

86636814

LUBE NIPPLE,1/4"-28 x .52" lg

FITTING, 1/4-28 str self tap lub

2шт.

31

369433R1

CLAMP, center axle

2шт.

180190

LOCK SCREW,Hex, 1/2" - 13 x 3", Gr 5

SCREW, 1/2-13 x 3 C-Z hex-hd cap

2шт.

180188

BOLT,Hex, 1/2" - 13 x 2 3/4", Gr 5

SCREW, 1/2-13 x 2-3/4 hex-hd cap

2шт.

487374R1

BEARING LOCK NUT,Flg, USR, 1/2"-13

1/2-13 C-Z whiz flange lock

4шт.

32

487372R1

LIFT PIPE ASSY, 9 ft.

1шт.

32

487443R1

LIFT PIPE ASSY, 7 ft.

1шт.

18017

ELEMENT

SCREW, 1/2-13 x 3/4 C-Z hex sq-hd mach

1шт.

18684R1

BOLT,Sht Sq Nk, 3/8" - 16 x 1 1/4", Gr 2

3/8 x 1-1/4 C-Z sq-nk crg

4шт.

88725

BOLT,Hex, 3/4" - 10 x 1 3/4", Gr 5, Full Thd

1шт.

120238

JAM NUT,Jam, 1/2"-13, G5

1/2-13 C-Z hex. jam

1шт.

280954

NUT,3/4"-10, G5

1шт.

482256R1

BEARING LOCK NUT,Flg, USR, 3/8"-16

3/8-16 C-Z whiz flange lock

6шт.

180124

BOLT,Hex, 3/8" - 16 x 1 1/4", Gr 5

SCREW, 3/8-16 x 1-1/4 C-Z hex-hd cap

1шт.

180126

BOLT,Hex, 3/8" - 16 x 1 1/2", Gr 5

SCREW, 3/8-16 x 1-1/2 C-Z hex-hd cap

1шт.

87340

LOCK WASHER,Helical Spring, 0.759" ID, CST, ZND

WASHER, LOCK, 3/4"

1шт.

138549

LOCK WASHER,Int Tooth, 1/2"

WASHER, LOCK, Int Tooth, 1/2"

1шт.

469668R1

WASHER

13/32 x 3/4 x 16 ga C-Z

1шт.

557268R1

WASHER

17/32 x 3/4 x 16 ga

1шт.

33

469407R1

BAR

SHIM, axle clamp

16шт.

34

488359R1

BAR, axle clamp spacer

2шт.

35

487388R1

TUBING, brg support

2шт.

180183

BOLT,Hex, 1/2" - 13 x 2 1/4", Gr 5

SCREW, 1/2-13 x 2-1/4 hex-hd cap

2шт.

487374R1

BEARING LOCK NUT,Flg, USR, 1/2"-13

1/2-13 C-Z whiz flange lock

2шт.

36

137345R1

SPRING

extension

1шт.

37

487890R1

SUPPORT, spring bracket

1шт.

38

CHAIN, brake return, purchase locally, 9 links sash chain no. 25

1шт.

39

488173R1

BRACKET ASSY, brake

1шт.

20600R1

WASHER

9/32 x 3/4 x 11 ga C-Z

1шт.

97865H

WASHER

9/32 x 7/8 x 16 ga C-Z

1шт.

103384

COTTER PIN,1/8" x 3/4"

Pin, Split (Cotter), 1/8" x 3/4"

1шт.

103367

PIN,1/16" x 2"

Split, (Cotter), 1/16" x 2"

1шт.

40

487421R1

SHOE, brake

1шт.

Q711

HEADED PIN,1/4" x 1 1/4"

PIN, 1/4 x 1-1/4 std-hd

1шт.

120392

WASHER,1/4", SAE

9/32 x 5/8 x .051 C-Z

1шт.

103373

COTTER PIN,3/32" x 3/4"

Pin, Split (Cotter), 3/32" x 3/4"

1шт.

41

487408R1

PULLEY, belt idler

1шт.

20180R1

CARRIAGE BOLT,Sq Nk, 1/2" - 13 x 2", Gr 2

BOLT, 1/2 x 2 C-Z sq-nk crg

1шт.

178374R1

WASHER

17/32 x 1-1/4 x 16 ga C-Z

1шт.

487374R1

BEARING LOCK NUT,Flg, USR, 1/2"-13

1/2-13 C-Z whiz flange lock

1шт.

42

117239H

SPACER

1шт.

43

487444R1

PULLEY, reduction

1шт.

44

ST554

BALL BEARING,20 mm ID x 47 mm OD x 15.494 mm

BEARING, ball

2шт.

45

487403R1

SPACER, brg

1шт.

46

513047R1

SNAP RING,1.852", Int, #185

Ring, Snap, , reduction pulley 1.852", Int, #185

1шт.

47

271779

STRIP,Hex, 3/4" - 10 x 4", Gr 5

SCREW, 3/4-10 x 4 C-Z hex-hd cap

1шт.

87340

LOCK WASHER,Helical Spring, 0.759" ID, CST, ZND

WASHER, LOCK, 3/4"

1шт.

280954

NUT,3/4"-10, G5

1шт.

48

487452R1

SHIELD ASSY, front

1шт.

180018

CONNECTING LINK

SCREW, 1/4-20 x 5/8 C-Z hex-hd cap

1шт.

413-412

BOLT,Hex, 1/4" - 20 x 3/4", Gr 5

2шт.

120392

WASHER,1/4", SAE

9/32 x 5/8 x .051 C-Z

3шт.

480891R1

NUT

1/4-20 cd-pltd small-flange uni-torque hex.

3шт.

49

616169R1

PIN, 3/8 x 1-7/8 std-hd 3/8" x 1 7/8"

1шт.

103384

COTTER PIN,1/8" x 3/4"

Pin, Split (Cotter), 1/8" x 3/4"

1шт.

120394

WASHER,3/8", SAE

WASHER, 13/32 x 3/4 x .051 C-Z

1шт.

50

487414R1

SPACER

roller

1шт.

51

487418R1

CHANNEL, roller

1шт.

180122

BOLT,Hex, 3/8" - 16 x 1", Gr 5

3/8-16 x 1 C-Z hex-hd cap

2шт.

482256R1

BEARING LOCK NUT,Flg, USR, 3/8"-16

3/8-16 C-Z whiz flange lock

2шт.

120394

WASHER,3/8", SAE

WASHER, 13/32 x 3/4 x .051 C-Z

2шт.

178372R1

WASHER

13/32 x 1-1/4 x 16 ga C-Z, or as required

6шт.

52

487455R1

BELT

A section

1шт.

53

487447R1

SUPPORT, lower shield bracket

1шт.

180121

BOLT,Hex, 3/8" - 16 x 7/8", Gr 5

SCREW, 3/8-16 x 7/8 C-Z hex-hd cap

2шт.

482256R1

BEARING LOCK NUT,Flg, USR, 3/8"-16

3/8-16 C-Z whiz flange lock

2шт.

54

487391R1

BAR ASSY, end LH

1шт.

55

487429R1

BAR, idler adjusting

1шт.

180122

BOLT,Hex, 3/8" - 16 x 1", Gr 5

3/8-16 x 1 C-Z hex-hd cap

1шт.

180123

BOLT,Hex, 3/8" - 16 x 1 1/8", Gr 5, Full Thd

SCREW, 3/8-16 x 1-1/8 hex-hd cap

1шт.

469668R1

WASHER

13/32 x 3/4 x 16 ga C-Z

1шт.

482256R1

BEARING LOCK NUT,Flg, USR, 3/8"-16

3/8-16 C-Z whiz flange lock

2шт.

56

487408R1

PULLEY, belt idler

1шт.

180180

SCREW,Hex, 1/2" - 13 x 1 7/8", Gr 5

1/2-13 x 1-7/8 C-Z hex-hd cap

1шт.

487374R1

BEARING LOCK NUT,Flg, USR, 1/2"-13

1/2-13 C-Z whiz flange lock

1шт.

57

487453R1

SHIELD ASSY, lower

1шт.

18626R1

CARRIAGE BOLT,Short Sq Nk, 1/4" - 20 x 1/2", Gr 2

BOLT, 1/4 x 1/2 C-Z sq-nk crg

4шт.

480891R1

NUT

1/4-20 cd-pltd small-flange uni-torque hex.

4шт.

58

487894R1

HOLDER

1шт.

18479R1

CARRIAGE BOLT,Sq Nk, 3/8" - 16 x 2", Gr 2

BOLT, 3/8 x 2 C-Z sq-nk crg

1шт.

482256R1

BEARING LOCK NUT,Flg, USR, 3/8"-16

3/8-16 C-Z whiz flange lock

1шт.

59

487891R1

SUPPORT ASSY, mast

1шт.

454497

BOLT,Hex, 3/8" - 16 x 4 3/4", Gr 5

SCREW, 3/8-16 x 4-3/4 C-Z hex-hd cap

2шт.

482256R1

BEARING LOCK NUT,Flg, USR, 3/8"-16

3/8-16 C-Z whiz flange lock

2шт.

60

462360R1

FLANGED BEARING

brg

4шт.

180077

BOLT,Hex, 5/16" - 18 x 3/4", Gr 5

SCREW, 5/16-18 x 1-3/4 C-Z hex-hd cap

3шт.

180322

LOCK WASHER

5/16 C-Z int-tooth lock

3шт.

61

455965R92

BEARING

self aligning ball

2шт.

62

487390R1

PULLEY, driven

1шт.

180082

BOLT (SPREADER),Hex, 5/16" - 18 x 1 3/8", Gr 5

SCREW, 5/16-18 x 1-3/8 C-Z hex-hd cap

3шт.

180322

LOCK WASHER

5/16 C-Z int-tooth lock

3шт.

63

487395R1

CYLINDER ASSY, used with 9 ft. machines

1шт.

63

487397R1

CYLINDER ASSY, used with 7 ft. machines

1шт.

64

487385R11

STRAP ASSY

1шт.

453838

NUT

5/16-18 C-Z tee

1шт.

326-512

BOLT,Hex, 5/16" - 18 x 3/4", Gr 8

SCREW, 5/16-18 x 3/4 C-Z, slt-truss-hd mach, 67 used with 9 ft. machines, 51 used with 7 ft. machines

1шт.

65

487445R1

SHIELD ASSY, RH lower

1шт.

18626R1

CARRIAGE BOLT,Short Sq Nk, 1/4" - 20 x 1/2", Gr 2

BOLT, 104 x 1/2 C-Z sq-nk crg

4шт.

480891R1

NUT

1/4-20 cd-pltd small-flange uni-torque hex.

4шт.

66

487422R1

SUPPORT, RH shield bracket

1шт.

180121

BOLT,Hex, 3/8" - 16 x 7/8", Gr 5

SCREW, 3/8-16 x 7/8 C-Z hex-hd cap

2шт.

482256R1

BEARING LOCK NUT,Flg, USR, 3/8"-16

3/8-16 C-Z whiz flange lock

2шт.

67

487392R1

BAR ASSY, end RH

1шт.

68

CHAIN, limit, purchase locally, 10 links coil chain, str link no. 4/0

1шт.

17351R1

CARRIAGE BOLT,Short Sq Nk, 3/8" - 16 x 1", Gr 2

BOLT, 3/8 x 1 C-Z sq-nk crg

1шт.

482256R1

BEARING LOCK NUT,Flg, USR, 3/8"-16

3/8-16 C-Z whiz flange lock

1шт.

69

ROPE, 1/4 x 16 ft. no. 1 sisal, purchase locally

1шт.

70

TONGUE ASSY, refer to main frame, tongue, hitch and related parts unit

1шт.

Выбрано товаров: 163