Запчасти Case IH 8340 (2-40) - REEL, VARI-DRIVE ASSEMBLY (58) - ATTACHMENTS/HEADERS

Схема запчастей Case IH 8340 - (2-40) - REEL, VARI-DRIVE ASSEMBLY (58) - ATTACHMENTS/HEADERS
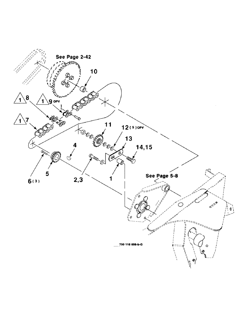
5
11
15
14
13
4
10
7
2
1
8
3
12
9
6
FIT
1:1
100%

Артикул

Название

Примечание

Количество

1

6825012

TUBE,25.4 mm OD, 31.75 mm Length

SPACER

1шт.

2

413-836

BOLT,Hex, 1/2" - 13 x 2-1/4", Gr 5

1шт.

3

495-21056

WASHER,1/2"

1/2 WIDE PLAIN WASHER

1шт.

4

126-36

WOODRUFF KEY,#23, 5/16" x 1 3/8"

1шт.

5

700118080

SPROCKET ASSY.

SPROCKET ASSEMBLY

1шт.

6

61-31016

HEX SOC SCREW,#10 - 24 x 1"

SCREW, Hex Soc Hd, #10-24 x 1"

3шт.

7

1790D

CHAIN (AG)

CHAIN - roller, #40 (10 foot bulk)

1шт.

8

1301D

CHAIN LINK

CONNECTOR - link #40

1шт.

9

1303D

LINK

OFFSET LINK #40

1шт.

10

700105398

SPACER

1шт.

11

47977

SPROCKET ASSY.

IDLER

1шт.

12

52233

BUSHING

5/8 X 14 GAUGE NRMB

5шт.

13

700118089

STRAP

1шт.

14

413-1028

BOLT,Hex, 5/8" - 11 x 1-3/4", Gr 5

5/8-11 X 1-3/4 C

1шт.

15

425-1410

JAM NUT,Jam, 5/8"-11, G5

5/8-11 HJN

1шт.

Выбрано товаров: 15