Запчасти Case IH 8340 (5-02) - HAY CONDITIONER ASSEMBLY, UPPER ROLL & TENSIONER (58) - ATTACHMENTS/HEADERS

Схема запчастей Case IH 8340 - (5-02) - HAY CONDITIONER ASSEMBLY, UPPER ROLL & TENSIONER (58) - ATTACHMENTS/HEADERS
19
11
4
8
2
28
26
1
26
3
27
4
10
12
29
16
15
25
14
13
21
27
23
17
24
18
25
8
24
13
22
7
28
5
12
20
9
6
FIT
1:1
100%

Артикул

Название

Примечание

Количество

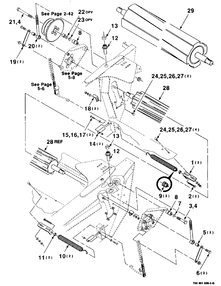
1

700118106

SUPPORT

- H/C spring

2шт.

2

113-210

BOLT,Hex, 3/8" - 16 x 3", Gr 5, Full Thd

2шт.

3

413-1056

BOLT,Hex, 5/8" - 11 x 3-1/2", Gr 5

1шт.

4

231-51410

FLANGE NUT,Flg, USR, 5/8"-11

2шт.

5

700108790

SPACER

2шт.

6

413-828

BOLT,Hex, 1/2" - 13 x 1-3/4", Gr 5

2шт.

7

6834402

WASHER

1шт.

8

6834394

BUSHING,17.46mm ID x 31.75mm OD x 53.5mm L

2шт.

9

794735

PLUG

- spring, nylon

2шт.

10

6230023

SPRING

ASSEMBLY (Includes Item 9)

2шт.

11

425-146

JAM NUT,3/8" - 16, Gr 5

3/8-16 HJN

2шт.

12

700108786

STOP

WA

2шт.

13

425-1112

NUT,3/4"-16, G5

3/4-16 H

2шт.

14

700118107

PIN,22.23mm OD x 80.01mm L

2шт.

15

413-524

BOLT,Hex, 5/16" - 18 x 1-1/2", Gr 5

2шт.

16

496-21034

WASHER,11/32" x 11/16" x 0.89", HDN

2шт.

17

230-4215

NUT,5/16"-18, GA

5/16-18 HCLN GR/B

2шт.

18

700109432

STOP

ANGLE

2шт.

19

700118108

STRAP

2шт.

20

700118105

SPECIAL BOLT,Draw, 3/4" - 16 x 9.843"

DRAWBOLT

2шт.

21

413-1096

BOLT,Hex, 5/8" - 11 x 6", Gr 5

5/8-11 X 6 C

1шт.

22

52175

BUSHING,25.48mm ID x 38.2mm OD x 3.17mm L

5/8 X 18 GUAGE NRMB

1шт.

23

52233

BUSHING

5/8 X 14 GUAGE NRMB

1шт.

24

464-616

3/8-16 X 1 RHSNB

6шт.

25

496-11041

WASHER,13/32" x 13/16" x .065", HDN

3/8 HARDENED PLAIN WASHER

6шт.

26

492-11038

LOCK WASHER,3/8"

6шт.

27

425-106

NUT,3/8"-16, Cl 5

6шт.

28

700706617

ROLL

- conditioner

1шт.

29

700708526

ROLL

- conditioner (TICOR) (S.N. CFH0041501 Thru -0042123)

1шт.

700712169

ROLL

- conditioner (TICOR) (S.N. CFH0042124 And Later)

1шт.

Выбрано товаров: 0