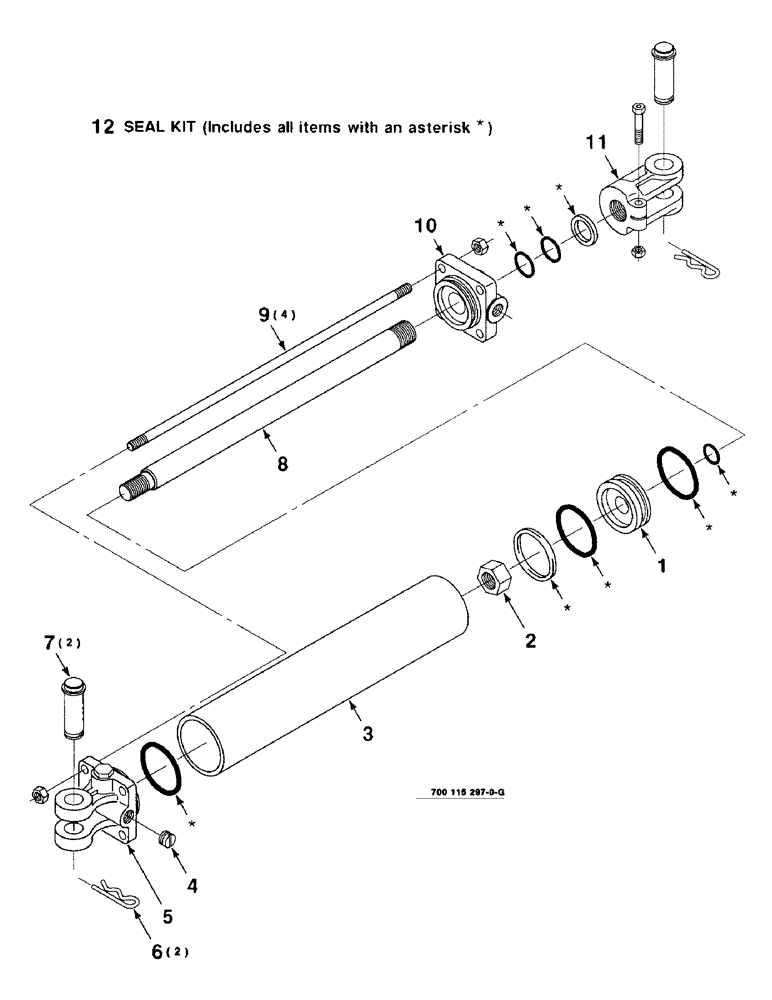
Запчасти Case IH 8370 (8-18) - HYDRAULIC CYLINDER ASSEMBLY, HYDROSWING, 700706828 COMPLETE (08) - HYDRAULICS

Схема запчастей Case IH 8370 - (8-18) - HYDRAULIC CYLINDER ASSEMBLY, HYDROSWING, 700706828 COMPLETE (08) - HYDRAULICS
1
3
4
10
7
2
8
6
5
9
11
FIT
1:1
100%

Артикул

Название

Примечание

Количество

700706828

CYLINDER

HYDRAULIC CYLINDER COMPLETE

1шт.

1

7036734

PISTON

1шт.

2

7036676

NUT

- piston

1шт.

3

7038607

TUBE ASSY.

BARREL

1шт.

4

700711231

ORIFICE

1шт.

5

700707097

BASE

- clevis

1шт.

6

S120261

PIN

.149 X 2-3/4 HAIRPIN COTTER

2шт.

7

811134C1

PIN

- clevis

2шт.

8

7038623

ROD

1шт.

9

700709536

ROD

TIE ROD

4шт.

10

812166C2

END

HEAD

1шт.

11

T55022

CLEVIS

- rod

1шт.

12

7038649

SEAL KIT

SEAL KIT

1шт.

Выбрано товаров: 13