Запчасти Case IH 990 (S-19) - BALANCED HEAD AND ROLL DRIVE

Схема запчастей Case IH 990 - (S-19) - BALANCED HEAD AND ROLL DRIVE
FIT
1:1
100%

Артикул

Название

Примечание

Количество

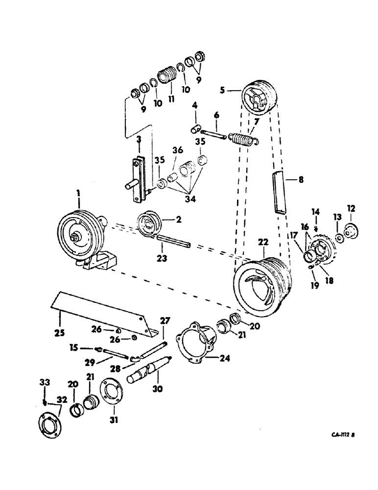
1

HOUSING ASSY, balance head, for components see list of parts under details of balanced head

1шт.

2

559292R93

PULLEY

IDLER ASSY, balanced head drive belt, optional with 594816R92

1шт.

2

594816R92

IDLER ASSY, balanced head drive belt, optional with 559292R93

1шт.

598815R1

CARRIAGE BOLT

BOLT, 1/2-20 x 2-1/2 znd sq-nk crg

1шт.

607896R1

SQ HOLE WASHER,17/32" x 1 1/4" x .120", Sq Hole

17/32 sq hole x 1-1/4 x 11 ga C-Z

1шт.

20601R1

WASHER

17/32 x 1-1/4 x 11 ga C-Z

5шт.

474848R1

LOCK NUT,1/2"-13, GB

NUT, 1/2-13 C-Z lock

1шт.

3

60351C1

BRACKET ASSY, idler, replaces 540542R1 when used w/pulley 60271C91, spacer/60078C1, 3 washers/21769R1, 3 washers/21471R1 and nut/9413969

1шт.

20704R1

WASHER

1-1/32 x 1-1/2 x 11 ga C-Z

2шт.

591715R1

WASHER

1-1/32 x 1-1/2 x 16 ga C-Z

1шт.

20340R1

COTTER PIN,1/4" x 1 1/2"

Pin, Split (Cotter), 1/4" x 1 1/2"

1шт.

178375R1

WASHER

25/32 x 1-1/4 x 16 ga C-Z, or as required

1шт.

366112R1

WASHER

25/32 x 1-1/4 x 11 ga C-Z

2шт.

103386

COTTER PIN,1/8" x 1 1/4"

Pin, Split (Cotter), 1/8" x 1 1/4"

1шт.

69442D

NUT

3/4-16 C-Z hex. jam

1шт.

21796R1

WASHER

.656 x 1.000 x .054 znd

3шт.

21471R1

WASHER

.656 x 1.000 x .105 znd

3шт.

9413969

NUT,5/8"-11, GB

5/8-11 cdp hex. lock

1шт.

4

540546R1

TRUNNION

1шт.

5

540541R1

PULLEY, driver

1шт.

181710

FOOT BOARD

SCREW, 1/2-20 x 2-3/4 znd hex-hd cap

1шт.

607895R1

WASHER

17/32 x 1 x 11 ga C-Z

1шт.

484781R1

NUT

1/2-20 C-Z flange lock

1шт.

6

488217R2

BOLT,7/16" - 14 x 8"

EYEBOLT, idler spring, 9 ft. machines w/steel upper roll with serial no. 6082 and above and 9 ft. w/rubber upper roll w/serial no. 5233 and above

1шт.

22825R1

WASHER

15/32 x 1-1/4 x 7 ga C-Z

2шт.

231-1447

NUT,7/16"-14, GB

NUT, LOCK, 7/16"-14, GB

2шт.

6

485226R2

EYE

BOLT, idler spring, 9 ft. machines w/steel upper roll with serial no. 6081 and below and 9 ft. w/rubber upper roll w/serial no. 5232 and below and 7 ft. machines

1шт.

7

524660R1

VALVE SPRING

SPRING, idler tension, replaces 383296R1

1шт.

8

540547R1

V-BELT,0.19" W, 10 Ribs

Pulley drive. Poly 0.19" W, 10 Ribs

1шт.

9

540549R91

BEARING ASSY,17.46mm ID x 39.88mm OD x 13.84mm W

W/SEAL, pulley idler roller, for use w/steel idler pulley

2шт.

10

540531R1

RING, retaining, for use w/steel idler pulley

2шт.

11

540548R1

PULLEY, idler, steel

1шт.

12

540681R1

CUP ASSY.

CUP, sprocket retaining

1шт.

13

540680R1

WASHER

21/32 x 2 x 22 ga C-Z, or as required

6шт.

REF 13: Additional heavy-gauge washer is 495-81030.

1шт.

14

86636814

LUBE NIPPLE,1/4"-28 x .52" lg

FITTING, 1/4-28 lub str

1шт.

15

126122

FITTING

1/8-27 str female thd lube

1шт.

16

540678R11

PINION

SPROCKET W/BUSHING, ratchet 26T

1шт.

17

540679R1

BUSHING

ratchet sprocket

1шт.

18

540677R1

AXLE PIN

PIN, lock ratchet

4шт.

19

540676R2

VALVE SPRING

SPRING, clutch

4шт.

20

455112R11

COLLAR

W/SET SCREW, locking

2шт.

21

450627R91

BALL BEARING,80 mm OD x 1.6875"

ASSY, auxiliary drive ball

2шт.

22

541542R1

PULLEY, combination drive

1шт.

23

540609R1

V-BELT

Balanced head drive

1шт.

24

540682R1

SUPPORT

auxiliary drive brg

1шт.

180177

BOLT,Hex, 1/2" - 13 x 1 1/2", Gr 5

SCREW, 1/2-13 x 1-1/2 znd hex-hd cap

5шт.

135629

GATHERING CHAIN

1/2 C-Z ext-tooth lock

5шт.

487374R1

BEARING LOCK NUT,Flg, USR, 1/2"-13

1/2-13 C-Z flange lock

5шт.

25

541468R2

SUPPORT

SHIELD, drive belt

1шт.

18508R1

CARRIAGE BOLT,Short Nk, 3/8" - 16 x 3/4", Gr 2, Full Thd

BOLT, 3/8 x 3/4 znd sq-nk crg

2шт.

482256R1

BEARING LOCK NUT,Flg, USR, 3/8"-16

3/8-16 C-Z flange lock

2шт.

26

369057R1

BUMPER

2шт.

27

144621

NIPPLE, LUBE,Nipple, 1/8" NPT x 5"

NIPPLE, 1/8-27 x 5 pipe lub

1шт.

28

NLS

NO LONGER SERVICED

ELBOW, 1/8 45 deg pipe

1шт.

29

144620

NIPPLE, 1/8 x 4-1/2 pipe Nipple, 1/8" NPT x 4 1/2"

1шт.

30

540675R1

SHAFT

lower drive

1шт.

23276R1

WASHER

21/32 x 2 x 7 ga C-Z

1шт.

19830R1

LOCK NUT,5/8"-18, GB

NUT, 5/8-18 C-Z nylon insert

1шт.

31

488455R1

FLANGE

brg

1шт.

32

488454R1

FLANGED BEARING

W/LUB FITTING, brg

1шт.

18707R1

CARRIAGE BOLT,Short Sq Nk, 1/2" - 13 x 1", Gr 2

BOLT, 1/2 x 1 znd sq-nk crg

4шт.

487374R1

BEARING LOCK NUT,Flg, USR, 1/2"-13

1/2-13 C-Z flange lock

4шт.

33

20287R91

LUBE NIPPLE,1/8"-27 NPT x 1.12" lg, Fem

FITTING, 1/8-27 45 deg female adapter

1шт.

34

60271C91

PULLEY

ASSY, idler, plastic, includes Ref. nos. 35 and 36

1шт.

35

492087R91

BALL BEARING,0.625" ID x 1.375" OD x 0.4375"

pulley idler ball

2шт.

36

60078C1

SPACER

idler brg

1шт.

Выбрано товаров: 67