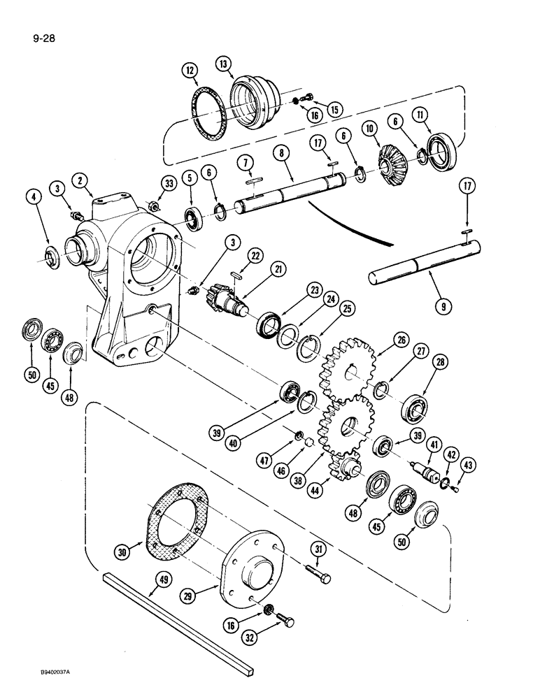
Запчасти Case IH 3206 (9-28) - ZA527237 GEARBOX (09) - CHASSIS/ATTACHMENTS

Схема запчастей Case IH 3206 - (9-28) - ZA527237 GEARBOX (09) - CHASSIS/ATTACHMENTS
FIT
1:1
100%

Артикул

Название

Примечание

Количество

ZA527237

TERMINAL BOX

GEARBOX ASSEMBLY mower, EP-O grease P/N is ZA745212

1шт.

2

ZA527238

CASE

HOUSING - gearbox, not available, order one ZA527239, four 628-10025, one ZA527936, one ZA527937, and one ZA527938 (items 14 and 15 on this page and items 2, 6, and 7 on page 9-31)

1шт.

3

ZA526186

PLUG

- housing

2шт.

4

ZA526185

SHIELD

COVER - bearing dust

1шт.

5

117510R91

BEARING, BALL

BEARING - ball

1шт.

6

800-1135

SNAP RING,M35, Ext

Retaining, used with ZA526184 input shaft M35, Ext

3шт.

7

ZA526255

KEY

- shaft, 10 x 8 x 70 mm, used with ZA526184 shaft

1шт.

8

ZA526184

SHAFT

- input, no longer available, use ZA527701 shaft

1шт.

9

ZA527701

SHAFT

- input, replaces ZA526184

1шт.

10

ZA526183

GEAR

- bevel

1шт.

11

ZA526245

BALL BEARING

BEARING - ball

1шт.

12

ZA526180

SHIM,0.10mm Thk

Housing 0.10mm Thk

1шт.

12

ZA526181

SHIM,0.20mm Thk

Housing 0.20mm Thk

1шт.

12

ZA526182

SHIM,0.50mm Thk

Housing 0.50mm Thk

1шт.

13

ZA526179

HOUSING

- input shaft

1шт.

14

ZA527239

PLUG

- vent, if used (not shown)

2шт.

15

628-10025

BOLT,Hex, M10 x 1.5 x 25mm, Cl 10.9, Full Thd

4шт.

16

892-11010

LOCK WASHER,M10

if used M10

7шт.

17

ZA526247

KEY

- shaft, 10 x 8 x 63 mm

1шт.

21

ZA526187

SHAFT

- pinion gear

1шт.

22

ZA526249

KEY

- 12 x 8 x 25 mm

1шт.

23

361017R91

BALL BEARING,1.9685" ID x 3.5433 mm OD x 0.7894 mm

- ball

1шт.

24

ZA526191

SHIM

- pinion gear, standard

1шт.

24

ZA526188

SHIM,0.10mm Thk

Pinion gear 0.10mm Thk

1шт.

24

ZA526189

SHIM,0.30mm Thk

Pinion gear 0.30mm Thk

1шт.

24

ZA526190

SHIM,0.50mm Thk

Pinion gear 0.50mm Thk

1шт.

25

933077R1

SNAP RING,M90, Int

RING - retaining

1шт.

26

ZA526193

GEAR

- drive

1шт.

27

933572R1

SNAP RING,M42, Ext

RING - retaining

1шт.

28

ST213

BALL BEARING,30 mm ID x 62 mm OD x 16 mm

BEARING - ball

1шт.

29

ZA527261

COVER

- gearbox

1шт.

30

ZA526195

GASKET

- cover

1шт.

31

30032R1

BOLT,Hex, M10 x 1.5 x 85mm, Cl 10.9

- hex, 10 x 85 mm

3шт.

32

628-10020

BOLT,Hex, M10 x 1.5 x 20mm, Cl 10.9, Full Thd

3шт.

33

832-41310

NUT,M10 x 1.5, Cl 10

NUT - hex, self-locking, 10 mm - 1.5, class 10

3шт.

38

ZA527262

GEAR

- counter spur

1шт.

39

ZA527263

BALL BEARING

BEARING - ball

2шт.

40

800-2147

SNAP RING,M47, Int

RING, SNAP, M47, Int

1шт.

41

ZA527264

SHAFT

- intermediate

1шт.

42

ZA526198

O-RING

- intermediate shaft

1шт.

43

ZA526197

PLUG

- intermediate shaft

1шт.

44

ZA526202

GEAR

- output

1шт.

45

ZA527915

BEARING, BALL,0.9843" ID x 2.0472" OD x 0.5906"

BEARING - ball, replaces 295109R91

2шт.

46

ZA526221

DISC

- gear

1шт.

47

933695R1

SNAP RING,M18, Int

RING - retaining

1шт.

48

ZA526474

SHIELD

- bearing

2шт.

49

REF

INSTRUCTION

SHAFT - drive, see page 9-22

1шт.

50

ZA526230

RING

SHIELD - bearing

2шт.

Выбрано товаров: 48