Запчасти Case IH MDX91 (009) - FRAME, LIFT ARM (58) - ATTACHMENTS/HEADERS

Схема запчастей Case IH MDX91 - (009) - FRAME, LIFT ARM (58) - ATTACHMENTS/HEADERS
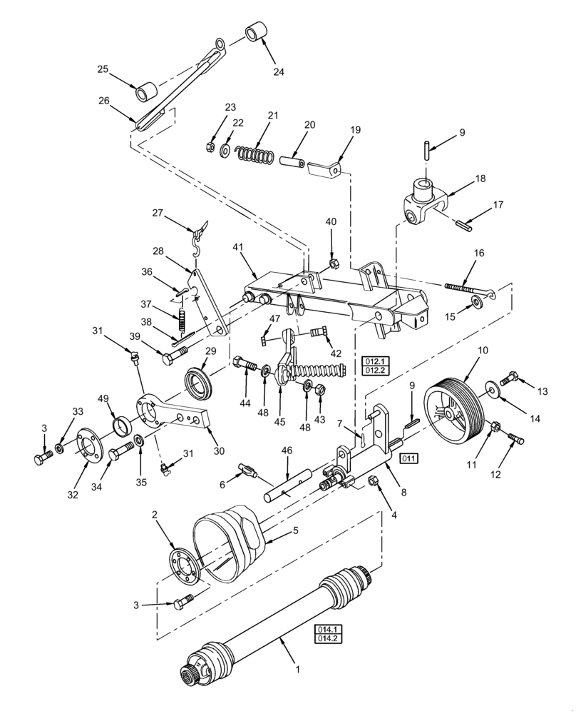
7
9
34
12
24
20
14
11
45
26
27
21
8
28
31
13
40
9
39
46
47
22
33
4
49
17
36
43
42
3
15
29
32
25
31
18
38
48
19
35
10
1
2
41
44
16
48
37
30
5
3
23
6
FIT
1:1
100%

Артикул

Название

Примечание

Количество

1

87013311

PTO

MDX71

1шт.

Refer To Component Breakdown

1шт.

1

87013312

PTO

MDX81, MDX91

1шт.

Refer To Component Breakdown

1шт.

2

9805404

RING

1шт.

3

413-612

BOLT,Hex, 3/8" - 16 x 3/4", Gr 5

6шт.

4

232-4146

NUT,3/8"-16, GC

2шт.

5

9617825

SHIELD

PTO

1шт.

6

633734

GROOVED PIN,7.94mm OD x 50.8mm L

2шт.

7

432-820

COTTER PIN,1/8" x 1 1/4"

1шт.

8

0C

ORDER COMPONENTS

Belt Pivot

1шт.

Refer To Component Breakdown

1шт.

9

87496

KEY

Square, .38" x 2-1/2"

2шт.

10

86504271

PULLEY

1шт.

11

86509499

JAM NUT,3/8"-16, G2

2шт.

12

485-13820

SET SCREW,Sq Hd, 3/8"-16 x 1 1/4"

2шт.

13

413-616

BOLT,Hex, 3/8" - 16 x 1", Gr 5

1шт.

14

623303

WASHER,10.32mm ID x 47.63mm OD x 4.76mm Thk

1шт.

15

495-21081

WASHER,3/4"

1шт.

16

9860121

EYEBOLT

G2, 1/2"-13 x 16"

1шт.

17

280578

PIN,9.53mm OD x 69.85mm L

1шт.

18

86506808

PIVOT

Bottom

1шт.

19

87014807

GAUGE

1шт.

20

87014804

SPACER

1шт.

21

86519152

SPRING

Compression

1шт.

22

29684

WASHER,13.5mm ID x 50.8mm OD x 5.52mm Thk

17/32" ID x 2" OD x 3/16" Thk

1шт.

23

87530607

NUT

Lock, G5, 1/2"-13

1шт.

24

87014785

SPACER

1шт.

25

87014786

TUBE,1.02" ID x 1.51" OD x 1.75" L

1шт.

26

87014818

STOP

1шт.

27

618163

ROPE

1шт.

28

87014695

LATCH

1шт.

29

86510943

THRUST WASHER,89.5mm ID x 142mm OD x 15mm Thk

1шт.

30

87014711

ARM

1шт.

31

219-93

LUBE NIPPLE,90 Degree Elbow, 1/4" - 28 NPTF

2шт.

32

86515629

SHIELD

1шт.

33

492-11038

LOCK WASHER,3/8"

4шт.

34

426-1224

BOLT,Hex, 3/4" - 10 x 1-1/2", Gr 8

4шт.

35

87014621

WASHER

4шт.

36

394818

COTTER PIN,M5 x 25

1шт.

37

163826

SPRING,Extension, 0.732” OD x 2.75” L

Extension

1шт.

38

86523959

COTTER PIN,3/16" x 2 1/2"

1шт.

39

413-1656

BOLT,Hex, 1" - 8 x 3-1/2", Gr 5

1шт.

40

280286

NUT,1"-8, GB

1шт.

41

87014789

LIFT ARM

1шт.

42

280864

BOLT,Hex, 7/8" - 9 x 3 3/4", Gr 5

1шт.

43

86538215

NUT,1 1/8"-7, GB

1шт.

44

86538216

BOLT,Hex, 1-1/8" x 4", Gr 5

Cap, HH, G5, 1-1/8"-7 x 4"

1шт.

45

0C

ORDER COMPONENTS

Breakaway

1шт.

Refer To Component Breakdown

1шт.

46

86506594

PIN,38.1mm OD x 262mm L

1шт.

47

231-41414

NUT,7/8"-9, GB

1шт.

48

128303

WASHER

1-1/8"

2шт.

49

86512604

DRIVE BUSHING,88.9mm ID x 93.66mm OD x 25.65mm L

1шт.

Выбрано товаров: 54