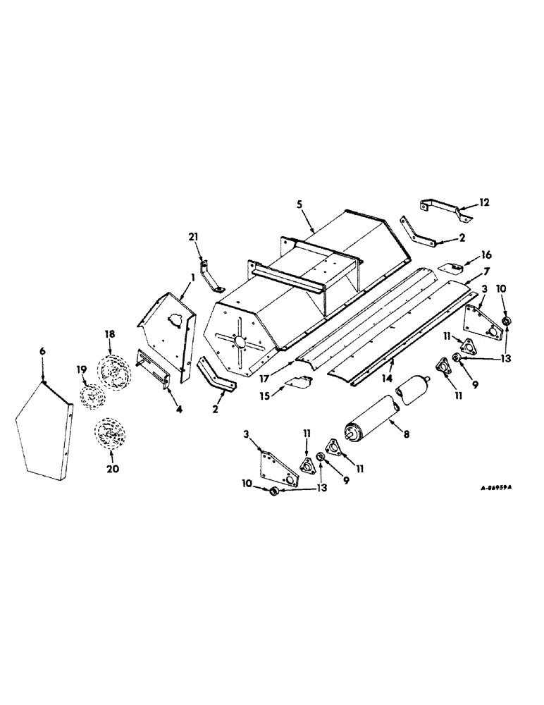
Запчасти Case IH 70 (H-2) - ROTOR HOUSING AND RELATED PARTS

Схема запчастей Case IH 70 - (H-2) - ROTOR HOUSING AND RELATED PARTS
FIT
1:1
100%

Артикул

Название

Примечание

Количество

1

484815R4

PLATE, drive support

1шт.

18707R1

CARRIAGE BOLT,Short Sq Nk, 1/2" - 13 x 1", Gr 2

BOLT, 1/2 x 1 C-Z sq-nk crg

2шт.

120378

NUT,Hex, 1/2" - 13, Gr 5

NUT, 1/2"-13, G5

2шт.

120384

WASHER,1/2"

LOCK, 1/2"

2шт.

2

484816R1

SHOE

skid

2шт.

18707R1

CARRIAGE BOLT,Short Sq Nk, 1/2" - 13 x 1", Gr 2

BOLT, 1/2 x 1 C-Z sq-nk crg

4шт.

120378

NUT,Hex, 1/2" - 13, Gr 5

NUT, 1/2"-13, G5

4шт.

120384

WASHER,1/2"

LOCK, 1/2"

4шт.

3

484846R1

BRACKET, roller adj

2шт.

465567R1

CARRIAGE BOLT,Sht Sq Nk, 1/2" - 13 x 1 1/2", Gr 5

BOLT, 1/2 x 1-1/2 type 2 C-Z sq-nk crg

4шт.

120378

NUT,Hex, 1/2" - 13, Gr 5

NUT, 1/2"-13, G5

4шт.

120384

WASHER,1/2"

LOCK, 1/2"

4шт.

4

484817R1

BRACKET ASSY, idler adj

1шт.

18684R1

BOLT,Sht Sq Nk, 3/8" - 16 x 1 1/4", Gr 2

3/8 x 1-1/4 C-Z sq-nk crg

1шт.

17351R1

CARRIAGE BOLT,Short Sq Nk, 3/8" - 16 x 1", Gr 2

BOLT, 3/8 x 1 C-Z sq-nk crg

1шт.

M86308

BOLT, 3/8 x 5-1/2 sq-nk crg

1шт.

17044R1

LOCK NUT,3/8"-16, GB

NUT, 3/8-16 esna stop

1шт.

120377

NUT,3/8" - 16, Gr 5

2шт.

18536R1

LOCK NUT,5/8"-18, G5

NUT, 5/8-18 zn esna stop

1шт.

UA17298

SPACER,7/8" Tube x 1 1/16"

idler bracket stud

1шт.

575807R1

WASHER

13/32 x 1 x 11 ga

1шт.

120382

LOCK WASHER,Helical Spring, 3/8"

WASHER, LOCK, 3/8"

2шт.

131016

WASHER

21/32 x 1-5/16 x .095 C-Z

1шт.

5

485607R91

HOUSING W/PRODUCT GRAPHIC, rotor

1шт.

For 5 foot model 70 industrial mower

1шт.

5

485608R91

HOUSING W/PRODUCT GRAPHIC, rotor

1шт.

For 7 foot model 70 industrial mower

1шт.

6

484820R1

SHEET, belt drive cover

1шт.

369917R1

SCREW,Hex Wshr Hd, 1/4" - 20 x 5/8"

1/4-20 x 5/8 hex-hd washer cap

6шт.

7

SHIELD, rubber safety, discontinued for service

1шт.

8

484840R1

ROLLER ASSY, cut adjusting

1шт.

For 5 foot model 70 industrial mower

1шт.

8

484844R1

ROLLER ASSY, cut adjusting

1шт.

For 7 foot model 70 industrial mower

1шт.

9

617667R92

BALL BEARING,31.75mm ID x 62mm OD x 18mm W

ASSY, adj roller ball

2шт.

10

557995R11

COLLAR

W/SET SCREW, locking brg

2шт.

11

662649R1

RETAINER

FLANGE, adj roller brg

4шт.

80280503

CARRIAGE BOLT,Sht Sq Nk, 3/8" - 16 x 1", Gr 5, Full Thd

BOLT, 3/8 x 1 sq-nk crg

6шт.

125-10003

NUT,3/8"-16, G5, LH

3/8-16 hex.

6шт.

103321

LOCK WASHER,3/8"

WASHER, LOCK, 3/8"

6шт.

12

484854R1

BUMPER

1шт.

120378

NUT,Hex, 1/2" - 13, Gr 5

NUT, 1/2"-13, G5

2шт.

180177

BOLT,Hex, 1/2" - 13 x 1 1/2", Gr 5

SCREW, 1/2-13 x 1-1/2 C-Z hex-hd cap

2шт.

120384

WASHER,1/2"

LOCK, 1/2"

2шт.

13

617667R92

BALL BEARING,31.75mm ID x 62mm OD x 18mm W

W/COLLAR, adj roller ball

2шт.

14

487290R1

BAR, shield backing, replaces washer 619855R1

1шт.

For 7 foot model 70 industrial mower

1шт.

14

487291R1

BAR, shield backing, replaces washer 619855R1

1шт.

For 5 foot model 70 industrial mower

1шт.

180077

BOLT,Hex, 5/16" - 18 x 3/4", Gr 5

5/16 x 3/4 type 5

7шт.

For 5 foot model 70 industrial mower

1шт.

180077

BOLT,Hex, 5/16" - 18 x 3/4", Gr 5

5/16 x 3/4 type 5

9шт.

For 7 foot model 70 industrial mower

1шт.

938017R1

FLANGE NUT,Flg, USR, 5/16"-18

5/16-18 C-Z whiz flange lock

7шт.

For 5 foot model 70 industrial mower

1шт.

938017R1

FLANGE NUT,Flg, USR, 5/16"-18

5/16-18 C-Z whiz flange lock

9шт.

For 7 foot model 70 industrial mower

1шт.

15

488524R1

SUPPORT

shield brace LH, 1967 and since

1шт.

180118

BOLT,Hex, 3/8" - 16 x 5/8", Gr 5

SCREW, 3/8-18 x 5/8 hex-hd cap

2шт.

482256R1

BEARING LOCK NUT,Flg, USR, 3/8"-16

3/8-16 C-Z flange lock

2шт.

180177

BOLT,Hex, 1/2" - 13 x 1 1/2", Gr 5

SCREW, 1/Z-13 x 1-1/2 C-Z hex-hd cap

1шт.

120384

WASHER,1/2"

LOCK, 1/2"

1шт.

120378

NUT,Hex, 1/2" - 13, Gr 5

NUT, 1/2"-13, G5

1шт.

16

488525R1

SUPPORT, shield brace RH, 1967 and since

1шт.

180118

BOLT,Hex, 3/8" - 16 x 5/8", Gr 5

SCREW, 3/8-18 x 5/8 C-Z hex-hd cap

2шт.

482256R1

BEARING LOCK NUT,Flg, USR, 3/8"-16

3/8-16 C-Z flange lock

2шт.

180177

BOLT,Hex, 1/2" - 13 x 1 1/2", Gr 5

SCREW, 1/2-13 x 1-1/2 C-Z hex-hd cap

1шт.

120384

WASHER,1/2"

LOCK, 1/2"

1шт.

120378

NUT,Hex, 1/2" - 13, Gr 5

NUT, 1/2"-13, G5

1шт.

17

488523R1

SUPPORT, rubber shield, 1967 and since, used with 7 ft. machine

1шт.

Ref #17A - (90") 08/06/96

1шт.

17

488522R1

SUPPORT, rubber shield, 1967 and since, used with 5 ft. machine

1шт.

Ref #17 - (67") 08/06/96

1шт.

180077

BOLT,Hex, 5/16" - 18 x 3/4", Gr 5

SCREW, 5/16-18 x 3/4 C-Z hex-hd cap

7шт.

For 5 foot model 70 industrial mower

1шт.

180077

BOLT,Hex, 5/16" - 18 x 3/4", Gr 5

SCREW, 5/16-18 x 3/4 C-Z hex-hd cap

9шт.

For 7 foot model 70 industrial mower

1шт.

938017R1

FLANGE NUT,Flg, USR, 5/16"-18

5/16-18 C-Z whiz flange lock

1шт.

For 5 foot model 70 industrial mower

1шт.

938017R1

FLANGE NUT,Flg, USR, 5/16"-18

5/16-18 C-Z whiz flange lock

1шт.

For 7 foot model 70 industrial mower

1шт.

18

PULLEY, drive belt, refer to gear box and mower drive unit

1шт.

19

IDLER ASSY, belt drive, refer to gear box and mower drive unit

1шт.

20

PULLEY, driven belt, refer to gear box and mower drive unit

1шт.

21

488765R1

SUPPORT, drive plate, 1967 and since

1шт.

179881

BOLT,1/2" - 13 x 1", Gr 5

2шт.

102637

NUT,1/2"-13, G5

2шт.

103323

LOCK WASHER,1/2"

WASHER, LOCK, 1/2"

2шт.

Выбрано товаров: 88