Запчасти Case IH 60FMS (9-102) - MOWER DECK, 60FMS MOWER (03) - CHASSIS/MOUNTED EQUIPMENT

Схема запчастей Case IH 60FMS - (9-102) - MOWER DECK, 60FMS MOWER (03) - CHASSIS/MOUNTED EQUIPMENT
FIT
1:1
100%

Артикул

Название

Примечание

Количество

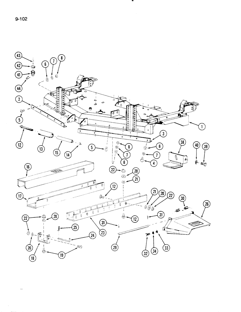
1

1958365C1

HOUSING

DECK - mower (with decal)

1шт.

2

1960269C1

ANGLE

- front, deck (26-1/2 inch)

1шт.

3

1960270C1

ANGLE

- front, deck (33 inch)

1шт.

4

113-102

BOLT,Hex, 5/16" - 18 x 3/4", Gr 5

Hex, 5/16"-18 x 3/4", G5, Full Thd

1шт.

5

598802R1

CARRIAGE BOLT,Short NK, 5/16"-18 x 3/4", G5, Full Thd

BOLT - round head square neck, 5/16 NC x 3/4 inch

10шт.

6

446363

WASHER,5/16"

- flat, 3/8 x 7/8 x 1/16 inch

11шт.

7

192-20

LOCK WASHER,Helical Spring, 0.318" ID, CST, ZND

WASHER, LOCK, 5/16"

11шт.

8

120376

NUT,5/16"-18, G5

10шт.

12

1978615C1

BOLT,Hex, 1/2" - 13 x 7 1/2"

ASSEMBLY - pivot, roller

1шт.

13

1978614C1

ROLLER

- deck

1шт.

14

9413967

LOCK NUT,1/2"-13, GB

NUT - hex lock, 1/2 inch NC

1шт.

15

1978616C1

SPACER

- roller

1шт.

16

1958375C1

COVER

- PTO

1шт.

17

1958372C1

SHIELD

- drive shaft

1шт.

18

1958373C1

SUPPORT

BRACKET - shield

1шт.

19

598802R1

CARRIAGE BOLT,Short NK, 5/16"-18 x 3/4", G5, Full Thd

BOLT - round head square neck, 5/16 NC x 3/4 inch

9шт.

20

495-21044

WASHER,3/8"

(flat, 7/16 x 1 x 1/16 inch) 3/8"

6шт.

24

446363

WASHER,5/16"

- flat, 3/8 x 7/8 x 1/16 inch

9шт.

22

938017R1

FLANGE NUT,Flg, USR, 5/16"-18

- hex flange lock, 5/16 inch NC

9шт.

23

1958374C1

SHIELD

GUARD - shaft, rear

1шт.

24

1960264C1

PIN

- locating

1шт.

25

NSS

NOT SOLD SEPARAT

PIN - hair type (Order package of 50, 407214R1)

2шт.

26

1954995C1

DEFLECTOR

- grass (with decal)

1шт.

29

1954958C1

ROD

- mounting, deflector

1шт.

30

1954965C1

SPRING

- tension, deflector

1шт.

31

132-335

COTTER PIN,1/8" x 1 1/4"

1/8" x 1-1/4"

2шт.

32

113-207

BOLT,Hex, 3/8" - 16 x 1", Gr 5

1шт.

33

495-21044

WASHER,3/8"

(flat, 7/16 x 1 x 1/16 inch) 3/8"

1шт.

34

192-21

LOCK WASHER,3/8"

WASHER, LOCK, 3/8"

1шт.

38

1976307C1

BRACKET

- mounting, guard

1шт.

39

614-8016

BOLT,Hex, M8 x 1.25 x 16mm, Cl 8.8, Full Thd

- hex, M8 x 16 mm

2шт.

40

192-20

LOCK WASHER,Helical Spring, 0.318" ID, CST, ZND

WASHER, LOCK, 5/16"

2шт.

41

1958444C1

COUPLING

COUPLER - hose, wash

1шт.

42

1958445C1

CAP

- coupler

1шт.

43

1958446C1

CHAIN (AG)

CHAIN ASSEMBLY - cap

1шт.

44

1960263C1

PIN

- cotter, hair type

1шт.

Выбрано товаров: 0