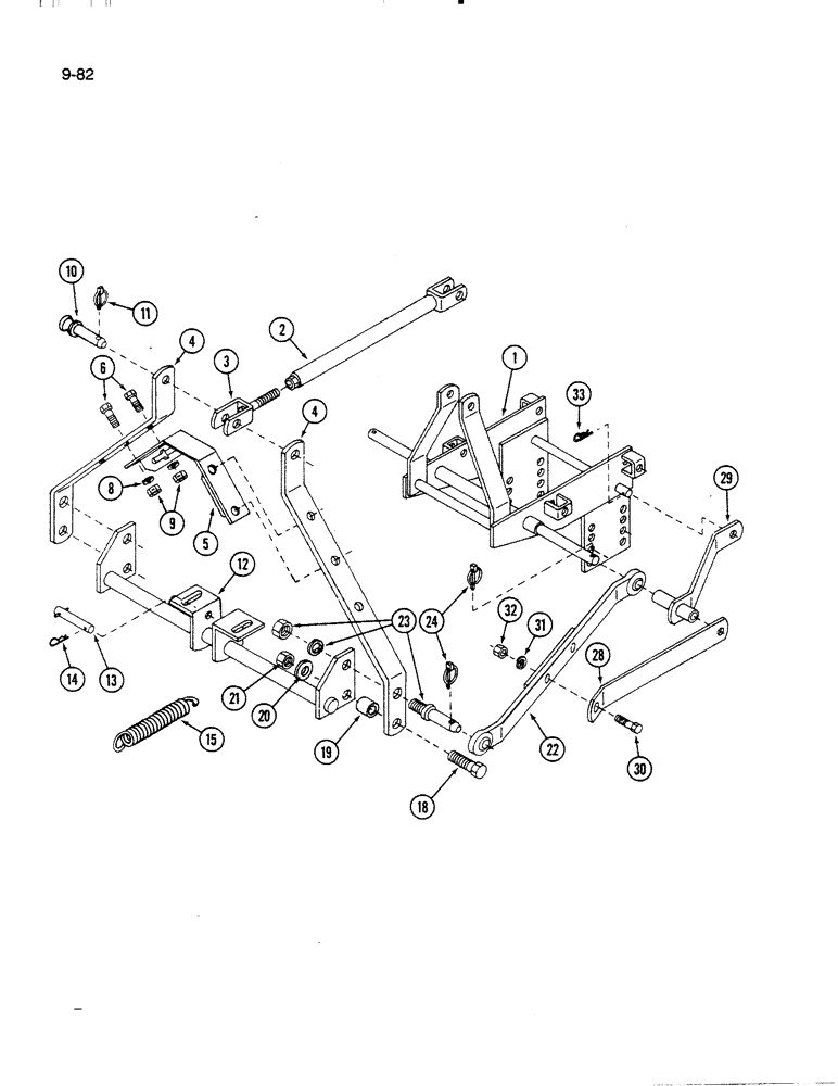
Запчасти Case IH 60FS (9-082) - HITCH, 60FS MOWER (03) - CHASSIS/MOUNTED EQUIPMENT

Схема запчастей Case IH 60FS - (9-082) - HITCH, 60FS MOWER (03) - CHASSIS/MOUNTED EQUIPMENT
FIT
1:1
100%

Артикул

Название

Примечание

Количество

1

REF

INSTRUCTION

BRACKET - mounting, front (See page 9-85)

1шт.

2

1973214C1

LINK

- top, hitch

1шт.

3

1973213C1

LINK

YOKE - link, top

1шт.

4

1973208C1

ARM

- mast, side

2шт.

5

1973211C1

BRACKET

- support

1шт.

6

113-410

BOLT,Hex, 1/2" - 13 x 1-1/2", Gr 5, Full Thd

4шт.

8

25710R1

WASHER

- flat, 17/32 x 1-1/16 x 5/64 inch

4шт.

9

9413967

LOCK NUT,1/2"-13, GB

NUT - hex lock, 1/2 inch NC

4шт.

10

1958226C1

PIN

- pivot

1шт.

11

3057346R11

LINCH PIN

PIN ASSEMBLY - lock

1шт.

12

1973209C1

BAR

BRACKET - lift

1шт.

13

1958393C1

PIN

ASSEMBLY - locating

1шт.

14

480523R1

HAIR PIN COTTER

1шт.

15

1960268C1

SPRING

- tension

1шт.

18

113-620

BOLT,Hex, 5/8" - 11 x 2-1/4", Gr 5

- hex, 5/8 NC x 2-1/4 inch

2шт.

19

1973210C1

SPACER

- arm

2шт.

20

1958227C1

WASHER

- thrust, arm

2шт.

21

425-1010

NUT,5/8"-11, G5

2шт.

22

1958388C1

ARM

ASSEMBLY - hitch

2шт.

23

1958199C1

PIN

ASSEMBLY - arm

2шт.

24

3057346R11

LINCH PIN

PIN ASSEMBLY - lock

4шт.

28

1958389C1

BAR

BRACE - stop, arm

2шт.

29

1973220C1

BAR

SUPPORT - hitch

2шт.

30

113-410

BOLT,Hex, 1/2" - 13 x 1-1/2", Gr 5, Full Thd

2шт.

31

192-23

LOCK WASHER,1/2"

WASHER, LOCK, 1/2"

2шт.

32

129-105

NUT,Hex, 1/2" - 13, Gr 5

2шт.

33

480523R1

HAIR PIN COTTER

2шт.

Выбрано товаров: 27