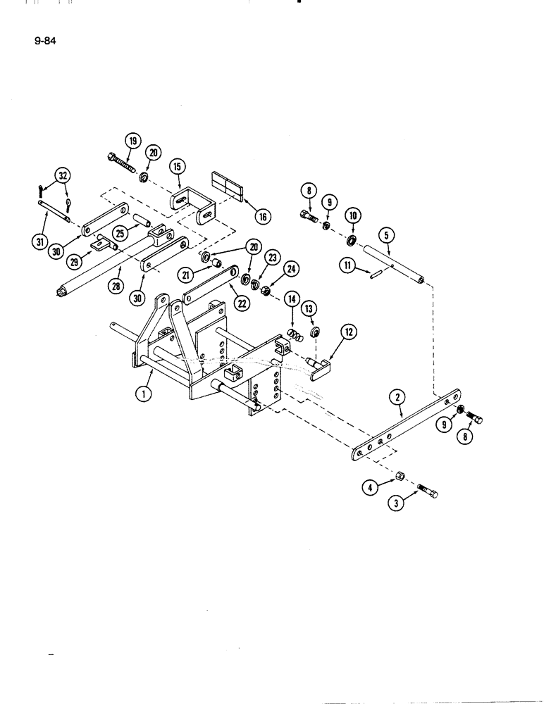
Запчасти Case IH 60FS (9-084) - HITCH MOUNTING BRACKET, 60FS MOWER (03) - CHASSIS/MOUNTED EQUIPMENT

Схема запчастей Case IH 60FS - (9-084) - HITCH MOUNTING BRACKET, 60FS MOWER (03) - CHASSIS/MOUNTED EQUIPMENT
FIT
1:1
100%

Артикул

Название

Примечание

Количество

1

1973212C1

BRACKET

- mounting, front

1шт.

2

1958381C1

BAR

SUPPORT - shaft

2шт.

3

113-410

BOLT,Hex, 1/2" - 13 x 1-1/2", Gr 5, Full Thd

4шт.

4

9413967

LOCK NUT,1/2"-13, GB

NUT - hex lock, 1/2 inch NC

4шт.

5

1958385C1

ROD

SUPPORT - shaft

1шт.

8

113-417

BOLT,Hex, 1/2" - 13 x 1-1/4", Gr 5, Full Thd

2шт.

9

192-23

LOCK WASHER,1/2"

WASHER, LOCK, 1/2"

2шт.

10

43374D

SPRING WASHER

- flat, 49/64 x 1-1/16 x 3/64 inch

1шт.

11

138-2009

PIN,3/16" x 1", Coiled

1шт.

12

1958440C1

PIN

ASSEMBLY - quick release

4шт.

13

373523R1

SNAP RING,#62, .480" Dia, E-Type

Ring, Retaining, #62, .480" Dia, E-Type

4шт.

14

1958442C1

SPRING

- tension

4шт.

15

1973215C1

BRACKET

- bumper

1шт.

16

1958352C1

PAD

MOULDING - bracket

4шт.

19

433163

BOLT,Hex, 1/2" - 13 x 5", Gr 5

- hex, 1/2 NC x 5 inch

1шт.

20

195-106

WASHER,1/2"

- flat, 9/16 x 1-3/8 x 5/64 inch

3шт.

21

384678R1

SPACER

- strap

1шт.

22

1958387C1

BAR

STRAP - anchor

1шт.

23

192-23

LOCK WASHER,1/2"

WASHER, LOCK, 1/2"

1шт.

24

129-105

NUT,Hex, 1/2" - 13, Gr 5

1шт.

25

1976304C1

SPACER

- strap

1шт.

28

REF

INSTRUCTION

LINK - top, see page 9-83

1шт.

29

1973218C1

STRAP

- mounting, cylinder

1шт.

30

1973216C1

STRAP

- connecting

2шт.

31

1973219C1

PIN

- connecting

1шт.

32

132-335

COTTER PIN,1/8" x 1 1/4"

1/8" x 1-1/4"

2шт.

Выбрано товаров: 26