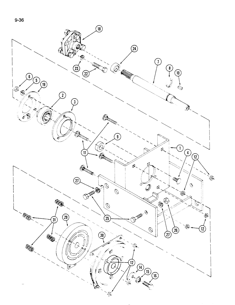
Запчасти Case IH 60MB (9-036) - ELECTRIC CLUTCH, 60MB MOWER (03) - CHASSIS/MOUNTED EQUIPMENT

Схема запчастей Case IH 60MB - (9-036) - ELECTRIC CLUTCH, 60MB MOWER (03) - CHASSIS/MOUNTED EQUIPMENT
FIT
1:1
100%

Артикул

Название

Примечание

Количество

1

1954980C1

BRACKET

- clutch mounting

1шт.

2

1954994C1

BEARING

- clutch

1шт.

3

565631R1

BEARING CAP,2.441" ID x 4.4375" OD x 0.34375"

- bearing

1шт.

4

495967R1

CARRIAGE BOLT,Short NK, 3/8"-16 x 1", G5, Full Thd

BOLT - round head square neck, 3/8 NC x 1 inch

3шт.

5

192-21

LOCK WASHER,3/8"

WASHER, LOCK, 3/8"

3шт.

6

129-103

NUT,Hex, 3/8" - 16, Gr 5

NUT, 3/8"-16, G5

3шт.

7

1954981C1

SHAFT

- PTO

1шт.

8

609053R1

SNAP RING,#125, Ext

Ring, Snap, #125, Ext

1шт.

9

1954982C1

SPACER

- clutch shaft

1шт.

10

1954929C1

BUCKET TOOTH KEY

KEY - square

1шт.

11

1954983C1

BOLT

- round head square neck, 3/8 NC x 2-1/4 inch full thread

4шт.

12

9411655

LOCK NUT,3/8"-16, GB

NUT - hex lock prevailing torque, 3/8 inch NC

8шт.

14

22770R1

WASHER

- flat, 17/32 x 1-1/2 x 11/64 inch

1шт.

15

1958169C1

BELLEVILLE WASHER

- serrated, lock, special

1шт.

16

114-406

BOLT,Hex, 1/2" - 20 x 1-1/2", Gr 5, Full Thd

1шт.

18

1969490C1

COUPLING

COUPLER ASSEMBLY - PTO

1шт.

19

1973055C1

SCREW

FLANGE ASSEMBLY - bearing, with grease fitting

1шт.

NSS

NOT SOLD SEPARAT

FITTING - grease

1шт.

22

1954987C1

BOLT,Hex, M10 x 1.25 x 50mm

- hex, M10 x 1.25 x 50 mm

3шт.

23

933965R1

LOCK WASHER,M10

3шт.

24

1954988C1

CAP

- grease

1шт.

25

113-410

BOLT,Hex, 1/2" - 13 x 1-1/2", Gr 5, Full Thd

4шт.

26

129-105

NUT,Hex, 1/2" - 13, Gr 5

4шт.

27

192-23

LOCK WASHER,1/2"

WASHER, LOCK, 1/2"

4шт.

1954984C1

CLUTCH

ASSEMBLY - electric

1шт.

Kit for electric clutch (Front PTO) from Haban model #616-201. dmm NAPO Tech 9/11/98

1шт.

29

1973022C1

ROTOR

FIELD AND ROTOR ASSEMBLY - clutch

1шт.

30

1973023C1

ARMATURE

AND PULLEY ASSEMBLY - clutch

1шт.

31

1973024C1

SPRING

- brake plate

4шт.

Выбрано товаров: 0