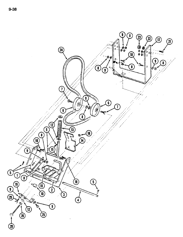
Запчасти Case IH 60MB (9-038) - FRONT DRIVE BELT AND IDLER PULLEY MOUNTING, 60MB MOWER (03) - CHASSIS/MOUNTED EQUIPMENT

Схема запчастей Case IH 60MB - (9-038) - FRONT DRIVE BELT AND IDLER PULLEY MOUNTING, 60MB MOWER (03) - CHASSIS/MOUNTED EQUIPMENT
FIT
1:1
100%

Артикул

Название

Примечание

Количество

1

1958427C1

BRACKET

- idler, right

1шт.

2

1958428C1

BRACKET

- idler, left

1шт.

3

1958429C1

BRACKET

- mounting, front

1шт.

4

1958430C1

ROD

- idler mounting

1шт.

5

132-336

COTTER PIN,1/8" x 1 1/2"

PIN, SPLIT (COTTER), 1/8" x 1 1/2"

5шт.

6

1958431C1

PULLEY

- idler

2шт.

7

113-233

BOLT,Hex, 3/8" - 16 x 1-3/4", Gr 5

2шт.

8

129-103

NUT,Hex, 3/8" - 16, Gr 5

NUT, 3/8"-16, G5

10шт.

9

192-21

LOCK WASHER,3/8"

WASHER, LOCK, 3/8"

10шт.

10

1958432C1

ANCHOR

ROD - control anchor

1шт.

11

1958433C1

ROD

- spring control

1шт.

12

25544R1

WASHER,13/32" x 13/16" x .134", HDN

- flat, 13/32 x 7/8 x 7/64 inch

3шт.

13

1958434C1

SPRING

- control rod

1шт.

14

1958435C1

BRACKET

PLATE - guide, belt adjustment

1шт.

15

113-206

BOLT,Hex, 3/8" - 16 x 3/4", Gr 5, Full Thd

1шт.

16

9411655

LOCK NUT,3/8"-16, GB

NUT - hex lock, 3/8 inch NC

1шт.

17

1958436C1

BRACKET

- mounting, rear

1шт.

18

113-207

BOLT,Hex, 3/8" - 16 x 1", Gr 5

6шт.

19

1958437C1

BRACKET

ANCHOR - eye bolt

1шт.

20

1958438C1

BOLT

- eye

1шт.

21

113-417

BOLT,Hex, 1/2" - 13 x 1-1/4", Gr 5, Full Thd

4шт.

22

192-23

LOCK WASHER,1/2"

WASHER, LOCK, 1/2"

4шт.

23

129-105

NUT,Hex, 1/2" - 13, Gr 5

4шт.

24

1958439C1

BELT,0.66" W x 110.34" L

V-BELT , Drive 0.66" W x 110.34" L

1шт.

25

495967R1

CARRIAGE BOLT,Short NK, 3/8"-16 x 1", G5, Full Thd

BOLT - round head square neck, 3/8 NC x 1 inch

2шт.

26

25932R1

JAM NUT,Jam, 3/8"-16, G5

- hex jam, 3/8 inch NC

1шт.

Выбрано товаров: 0