Запчасти Case IH 60MB (9-042) - PULLEYS, BLADES AND SPINDLES, 60MB MOWER (03) - CHASSIS/MOUNTED EQUIPMENT

Схема запчастей Case IH 60MB - (9-042) - PULLEYS, BLADES AND SPINDLES, 60MB MOWER (03) - CHASSIS/MOUNTED EQUIPMENT
15
35
6
11
36
1
7
38
22
31
24
29
33
26
39
5
25
3
10
16
26
4
2
26
32
21
12
37
18
17
23
7
20
30
9
2
11
8
27
1
13
6
FIT
1:1
100%

Артикул

Название

Примечание

Количество

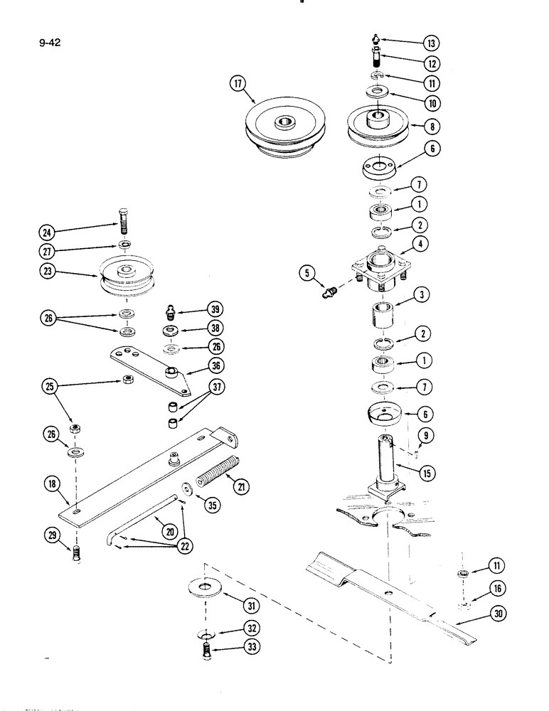
1

1954974C1

HOUSING ASSY.

SPINDLE ASSEMBLY - mower blade

3шт.

1

295109R91

BALL BEARING

ASSEMBLY - ball

2шт.

2

456736R1

SNAP RING,2.062", Int, #206

Ring, Snap, 2.062", Int, #206

2шт.

3

1954975C1

SPACER

- bearing

1шт.

4

NSS

NOT SOLD SEPARAT

HOUSING ASSEMBLY - spindle (Order 1954974C1)

1шт.

5

1958492C1

SHOE

FITTING - grease

1шт.

6

1954978C1

CAP

COVER - bearing

6шт.

7

1954979C1

WASHER

- flat, 1-1/2 inch OD

6шт.

8

1958164C1

PULLEY

- spindle, single groove

2шт.

9

1954929C1

BUCKET TOOTH KEY

KEY - pulley, drive

3шт.

10

22770R1

WASHER

- flat, 17/32 x 1-1/2 x 11/64 inch

3шт.

11

192-23

LOCK WASHER,1/2"

WASHER, LOCK, 1/2"

15шт.

12

1958165C1

FITTING,Hex, 1/2" - 20 x 1 1/2"

ASSEMBLY - bolt and grease fiting

3шт.

13

86504104

LUBE NIPPLE,1/4" x .56" lg, Drive

FITTING - grease, drive type 1/4 inch

1шт.

15

1954976C1

SHAFT

- spindle

3шт.

16

129-125

NUT,1/2"-20, G5

12шт.

17

1958400C1

PULLEY

- spindle, double groove

1шт.

18

1958404C1

PLATE

- idler control

1шт.

20

1958401C1

ROD

- idler spring

1шт.

21

1958487C1

SPRING

- idler

1шт.

22

132-336

COTTER PIN,1/8" x 1 1/2"

PIN, SPLIT (COTTER), 1/8" x 1 1/2"

3шт.

23

1958488C1

PULLEY

- idler

1шт.

24

113-219

BOLT,Hex, 3/8" - 16 x 2", Gr 5

1шт.

25

9411655

LOCK NUT,3/8"-16, GB

NUT - hex lock, 3/8 inch NC

3шт.

26

195-104

WASHER,3/8"

- flat, 7/16 x 1 x 5/64 inch

5шт.

27

192-21

LOCK WASHER,3/8"

WASHER, LOCK, 3/8"

1шт.

29

113-207

BOLT,Hex, 3/8" - 16 x 1", Gr 5

1шт.

30

1958403C1

KNIFE

BLADE - mower 21" Length

3шт.

31

486801R1

WASHER

- mower blade

3шт.

32

1958169C1

BELLEVILLE WASHER

- serrated lock, special

3шт.

33

114-406

BOLT,Hex, 1/2" - 20 x 1-1/2", Gr 5, Full Thd

3шт.

35

25710R1

WASHER

- flat, 17/32 x 1-1/16 x 5/64 inch

1шт.

36

1958172C1

ARM

ASSEMBLY - idler

1шт.

37

1958173C1

BUSHING

- idler arm

2шт.

38

1958174C1

SPRING WASHER

- spring

1шт.

39

219-1

LUBE NIPPLE,1/8" - 27 NPTF

FITTING - grease, extra short, 1/8 PTF

1шт.

Выбрано товаров: 0